电脑桌面
添加小米粒文库到电脑桌面
安装后可以在桌面快捷访问

智能制造专项标准实施方案VIP免费

智能制造专项标准实施方案_第1页
1/29
智能制造专项标准实施方案_第2页
2/29
智能制造专项标准实施方案_第3页
3/29
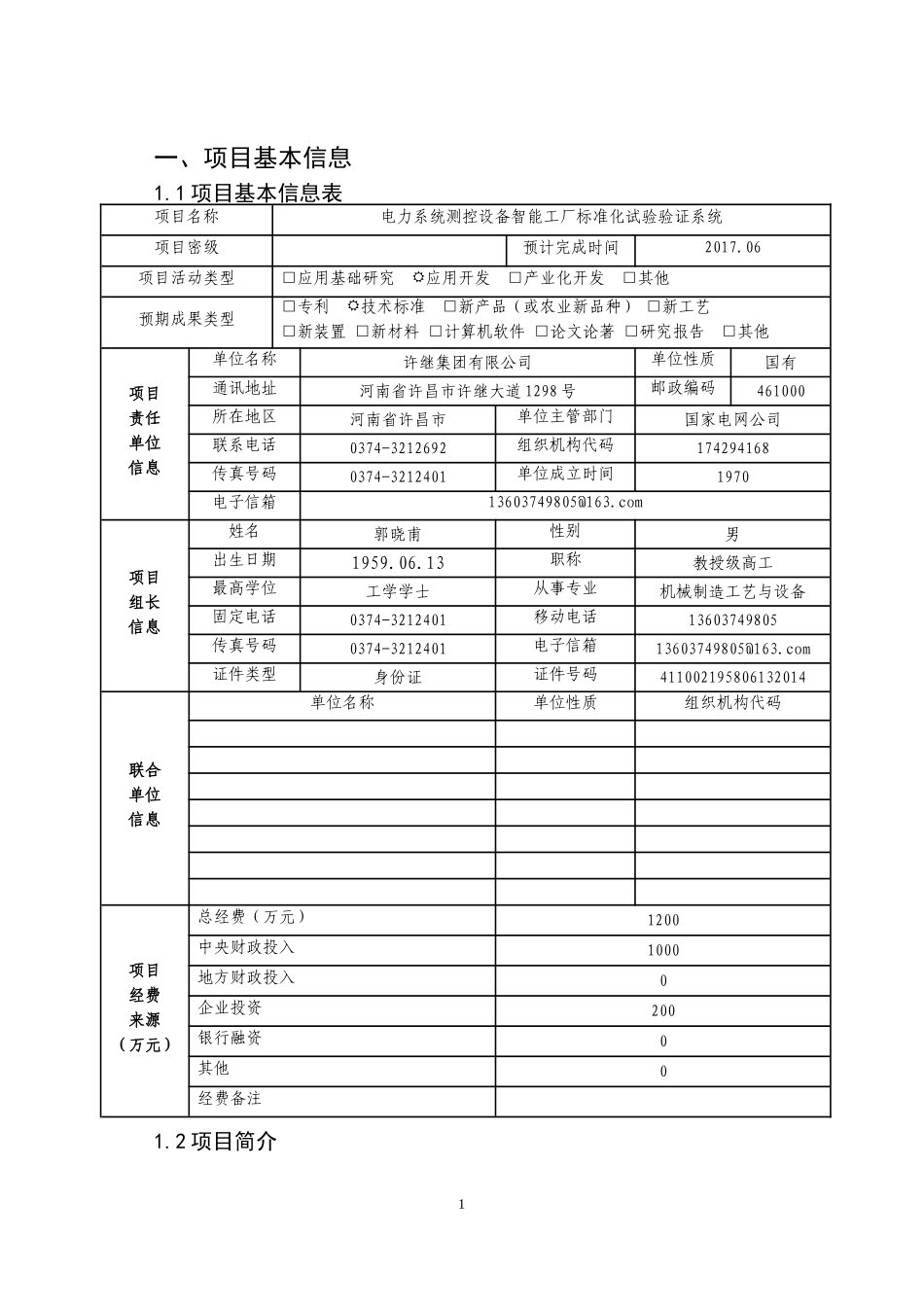
智能制造专项综合标准化试验验证项目实施方案编制提纲项目名称:电力系统测控设备智能工厂标准化试验验证系统项目责任单位(盖章):许继集团有限公司项目联合单位:河南许继仪表有限公司项目年限:2015年09月至2017年06月填报日期:2015年08月14日填写说明一、请严格按照表中要求填写各项。二、项目实施方案报告只能由法人提出,可以由一家单位组织,也可以由多家单位联合组织,牵头单位为项目组织实施的责任单位。每个项目只能有一家责任单位和一个组长。项目组长由项目责任单位指定。三、项目实施方案报告由项目责任单位编写,报专项实施管理办公室。四、项目实施方案报告中第一次出现外文名词时,要写清全称和缩写再出现同一词时可以使用缩写。五、组织机构代码是指项目责任单位组织机构代码证上的标识代码,它是由全国组织机构代码管理中心所赋予的唯一法人标识代码。六、编写人员应客观、真实地填报报告材料,尊重他人知识产权,遵守国家有关知识产权法规。在项目实施方案报告中引用他人研究成果时,必须以脚注或其他方式注明出处,引用目的应是介绍、评论与自己的研究相关的成果或说明与自己的研究相关的技术问题。对于伪造、篡改科学数据,抄袭他人著作、论文或者剽窃他人科研成果等科研不端行为,一经查实,将记入信用记录。1一、项目基本信息1.1项目基本信息表项目名称电力系统测控设备智能工厂标准化试验验证系统项目密级预计完成时间2017.06项目活动类型□应用基础研究应用开发□产业化开发□其他预期成果类型□专利技术标准□新产品(或农业新品种)□新工艺□新装置□新材料□计算机软件□论文论著□研究报告□其他项目责任单位信息单位名称许继集团有限公司单位性质国有通讯地址河南省许昌市许继大道1298号邮政编码461000所在地区河南省许昌市单位主管部门国家电网公司联系电话0374-3212692组织机构代码174294168传真号码0374-3212401单位成立时间1970电子信箱13603749805@163.com项目组长信息姓名郭晓甫性别男出生日期1959.06.13职称教授级高工最高学位工学学士从事专业机械制造工艺与设备固定电话0374-3212401移动电话13603749805传真号码0374-3212401电子信箱13603749805@163.com证件类型身份证证件号码411002195806132014联合单位信息单位名称单位性质组织机构代码项目经费来源(万元)总经费(万元)1200中央财政投入1000地方财政投入0企业投资200银行融资0其他0经费备注1.2项目简介2目前随着经济的发展和环保的要求,实现集约式发展已经成了历史的必然。智能制造由于可以充分调动公司的各项资源,实现公司综合效益的最大化,同时实现较少的耗能,提高公司的竞争力,是集约化发展的必由之路。由于近年来通讯技术的快速发展,使得智能制造成为了可能。美国、德国等先进工业化国家都提出了自己的智能制造方案。使用先进的通讯技术实现对制造数据的搜集,解决决策过程中的信息不充分的问题,使用数据处理技术实现科学的决策,从而实现智能制造。目前针对智能制造方面的探索和实践国内外较多,但还缺少一个有关智能制造方面的标准,无法对智能制造进行理论的指导,保证智能制造实施的高成功率。标准是国家利益在技术经济领域中的体现,是国家实施技术和产业政策的重要手段,面对智能制造发展的新形势、新机遇和新挑战,有必要在系统梳理现有相关标准、明确智能制造标准化需求和重点领域的基础上,建立智能制造标准体系并开展智能制造标准化工作来引领智能制造产业健康有序发展。德国提出的工业4.0和美国提出的工业互联网与我国提出的智能制造理念吻合。中国制造2025提出要开展新一代信息技术与制造装备融合的集成创新和工程应用。支持政产学研用联合攻关,开发智能产品和自主可控的智能装置并实现产业化。依托优势企业,紧扣关键工序智能化、关键岗位机器人替代、生产过程智能优化控制、供应链优化,建设重点领域智能工厂/数字化车间。各国均瞄准广泛互联的工业网络、贯穿产品全生命周期的信息数据链和具备感知、控制与联网功能的智能装备等重点技术领域;各国均强调建立创新基础设施,推动统一标准的制定,为智能制造的发展提供保障。国际上也成了一些组织,...

1、当您付费下载文档后,您只拥有了使用权限,并不意味着购买了版权,文档只能用于自身使用,不得用于其他商业用途(如 [转卖]进行直接盈利或[编辑后售卖]进行间接盈利)。
2、本站所有内容均由合作方或网友上传,本站不对文档的完整性、权威性及其观点立场正确性做任何保证或承诺!文档内容仅供研究参考,付费前请自行鉴别。
3、如文档内容存在违规,或者侵犯商业秘密、侵犯著作权等,请点击“违规举报”。

碎片内容

智能制造专项标准实施方案

确认删除?
VIP
微信客服
  • 扫码咨询
会员Q群
  • 会员专属群点击这里加入QQ群
客服邮箱
回到顶部