电脑桌面
添加小米粒文库到电脑桌面
安装后可以在桌面快捷访问

某大学自动化专业方向设计VIP免费

某大学自动化专业方向设计_第1页
1/12
某大学自动化专业方向设计_第2页
2/12
某大学自动化专业方向设计_第3页
3/12
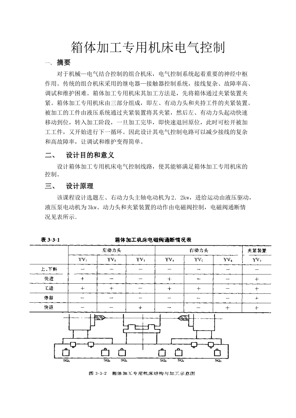
西南科技大学专业方向设计报告课程名称:自动化专业方向设计设计名称:箱体加工专用机床电气控制姓名:雷宇学号:20085113班级:自动0804指导教师:严殊起止日期:2011.11.7-2011.11.27西南科技大学信息工程学院制方向设计任务书学生班级:自动0804学生姓名:雷宇学号:20085113设计名称:箱体加工专用机床电气控制起止日期:2011.11.7-2011.11.27指导教师:严殊设计要求:(1)主电路设计。(2)控制电路设计。(3)信号指示设计(电源、左移、右移、上升)(4)参数计算与元器件的选择。(5)编制元器件明细表。(6)绘制电器元件布置图。方向设计学生日志时间设计内容11.7-11.10查阅基础资料,了解机床构造11.11-11.16主电路设计11.17-11.22控制电路电路设计11.23相关电路检查11.24信号指示电路设计11.24-11.27完成课程设计报告箱体加工专用机床电气控制一、摘要对于机械—电气结合控制的组合机床,电气控制系统起着重要的神经中枢作用。传统的组合机床采用的继电器—接触器控制系统,接线复杂、故障率高、调试和维护困难。箱体加工专用机床其加工方法是,先将箱体通过夹紧装置夹紧。箱体加工专用机床由三部分组成,即左、有动力头和夹持工件的夹紧装置。被加工的工件由液压系统通过夹紧装置将其夹紧,然后左、有动力头起动快速移动到位,转入加工阶段,一旦加工完毕,即快速退回原位,此时可松开被加工工件,又开始进行下一循环。因此设计其电气控制电路可以减少接线的复杂和高故障率,让调试和维护变得简单。二、设计目的和意义设计箱体加工专用机床电气控制线路,使其能够满足箱体加工专用机床的控制。三、设计原理该课程设计选题左、右动力头主轴电动机为2.2kw,进给运动由液压驱动,液压泵电动机为3kw。动力头和夹紧装置的动作由电磁阀控制,电磁阀通断情况见表所示。专用机床的工作步骤如下:(1)铵下起动按钮,夹紧装置将被加工工件夹紧,夹紧后发出信号(2)左、有动力头同时快进,并同时起动主轴。〔3)到达工件附近,动力头快进转为工进加工“(4)加工完毕后,左、有动力头分别快速退回原位。(5)夹紧装置松开被加工工件,同时停止主抽。以上(1)一(5)步骤连续工作.实现半自动循环。设计任务(1)主电路设计。(2)控制电路设计。(3)信号指示设计(电源、左移、有移、上升)(4)参数计算与元器件的选择。(5)编制元器件明细表。(6)绘制电器元件布置图。左、右两动力头进给电机根据设计要求知左、右两动力头均要求快进→工进→快退的工作循环,并且左、右两动力头可以同时工作,也可进行单独调整。主轴电机主轴电机工作方式有两种:正转、反转。根据不同的工作要求,主轴电机的转向不同。因主轴电机的功率较小,故可以直接启动。信号指示当机床工作时,为了警告旁人不要误动作,故要有信号指示说明,告诉别人正在进行工作,不要误动作。信号指示也能显示机床是否是在正常工作、有无问题。四、详细设计步骤1.左、右两动力头进给电机要求快速电机M5、M6能够正反转,工作进给电机为M3、M4能够正转即可。因为这4个功率都较小,所以可以直接启动。M3、M4只要接触器KM3、KM4的线圈得电就会吸合,就能正转;M5、M6分别当接触器KM5、KM6线圈得电时正转,当接触器KM7、KM8分别得电就反转。主电路:M3、M4、M5、M6的接线电路图控制电路:控制电路中,由于M5和M6涉及正转反转,而M3和M4只需要正转即可。M3和M5是左移的控制电机,M4和M6是右移的控制电机。在控制电路中,用接触器动合触电实现自锁,用接触器动断触电实现互锁。另外还加有起动按钮的常闭触点互锁,构成了具有电气、按键互锁的控制电路,避免了误操作时同时按下正转反转导致熔丝烧断使不能正常运行的结果。详细设计图如下:控制电路图2.主轴电机当KM1、KM2的线圈得电吸合分别使电机M1、M2正转;当KM9、KM10的线圈得电吸合分别是电机M1、M2反转。该部分涉及正转反转的控制电路设计与上一部分相同。详细设计如下:主轴电机的接线图主轴电机的控制电路图3.信号指示电路当机床工作时,为了警告旁人不要误动作,故要有信号指示说明,告诉别人正在进行工作,不要误动作。信号指示也能显示机床是否是在正常工作、有无问题。该设计要求的指示有电源、左移...

1、当您付费下载文档后,您只拥有了使用权限,并不意味着购买了版权,文档只能用于自身使用,不得用于其他商业用途(如 [转卖]进行直接盈利或[编辑后售卖]进行间接盈利)。
2、本站所有内容均由合作方或网友上传,本站不对文档的完整性、权威性及其观点立场正确性做任何保证或承诺!文档内容仅供研究参考,付费前请自行鉴别。
3、如文档内容存在违规,或者侵犯商业秘密、侵犯著作权等,请点击“违规举报”。

碎片内容

某大学自动化专业方向设计

确认删除?
VIP
微信客服
  • 扫码咨询
会员Q群
  • 会员专属群点击这里加入QQ群
客服邮箱
回到顶部