电脑桌面
添加小米粒文库到电脑桌面
安装后可以在桌面快捷访问

旋挖钻机施工工艺VIP专享VIP免费

旋挖钻机施工工艺_第1页
1/16
旋挖钻机施工工艺_第2页
2/16
旋挖钻机施工工艺_第3页
3/16
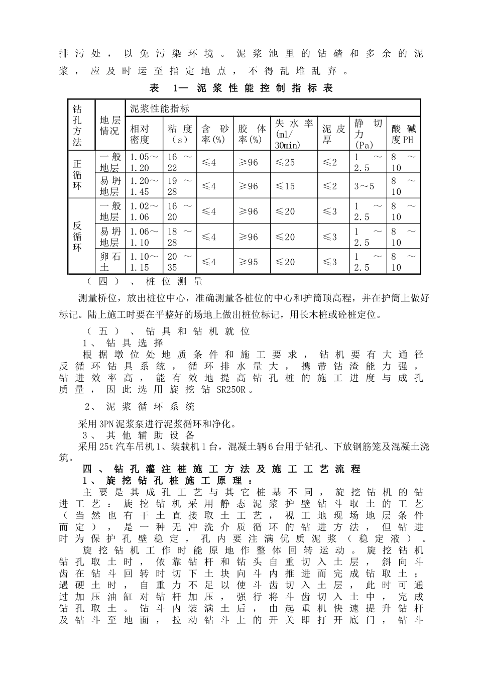
一、编制依据1、《公路桥涵施工技术规范》(JTJ041—2000)2、《公路工程质量检验评定标准》(JTJ071—98)3、《公路工程施工安全技术规程》(JTJ076—95)4、《武汉天河机场第二公路通道两阶段施工图设计》二、工程概况:1、工程概况本合同段属东西湖区、府河、黄陂区辖区范围内,路线起于武汉东西湖区金银大道北侧的工薪小区附近,起点桩号K2+771,终点桩号左幅K5+381,右幅K5+366,本合同段经堤角村、跨东西湖大堤、府河河道、西湖垸大堤,接汤仁海湖大桥起点,总里程2.610公里(以左幅贯通计)。主要工程为府河特大桥本桥梁钻孔桩共计420根,桩长为40m~75m,均按摩擦桩设计,其中φ1.8m桩280根,φ2.0m桩140根。主桥28#~34#墩部分跨越东西湖大堤及府河河道,共有钻孔桩108根,均为φ1.8m桩,最长桩长为75米;28#、29#墩处于鱼塘中可填土筑岛形成陆地后施工,主桥30#~34#墩跨越府河,需搭设钻孔平台进行水上作业。2、地质情况项目区域(府河特大桥)主体于第四系冲湖积平原地貌区,地形起伏不大,较为平缓,地势开阔,高差在10m以内;起点桥台位于城区,终点桥台位于第四系冲湖积平原地带,植被发育,相对高差0-8m,大桥跨越湖泊、鱼塘及农田。1、第四系覆盖层按其成因类型可分为人工土(Qhme)及冲、湖积(Qhal+1):(1)人工土类(Qhme)素填土(Qhme):层厚0.5-3m,黄褐色,主要由粘性土组成,含少量植物根系及碎砖块,桥址区均有分布。(2)冲、湖积(Qhal+1/QPal)②-1粘土、粉质粘土(Qhal+1):褐黄色、褐红色,含铁锰质结核及灰白色高岭土团块,桥址区均有分布。②-2淤泥质粘土(Qhal+1):层厚2.0-4.3m,灰色,夹少量壳壳及腐质物,桥址区零星分布。②-3沙层(Qpal):主要为粉砂、中砂、细沙。层厚2.1-21m,褐黄色,灰色,主要成分为石英。长石及云母。桥址区大部有分布。②-4圆砾、角砾(Qpal):浅黄色、浅红色,含粘土,细沙。桥址区零星分布。②-5卵石(Qpal):杂色,含量为65﹪,粒径为2-5cm,粗砂及粘土填充。桥址区零星分布。2、基岩③-1全风化砂质泥岩(K1-2):层厚6.0m,灰绿色,泥状结构,岩石风化成散体状,桥址区中部有分布。③-2强风化砂岩(K1-2):层厚2.0-22.5,褐红色,灰红色,细粒结构-粗粒结构,岩石破碎,多呈碎块状,桥址区均有分布。③-3中风化砂岩、泥岩(K1-2):揭露层厚3.5-8.0m,灰色,细粒结构,岩石较破碎,呈块状,局部为短柱状,属软质岩石,桥址区均有分布。局部为砾岩,页岩。三、钻孔前的准备工作。(一)、填土筑岛1、填土筑岛时将塘内淤泥清除,抛填粘土回填,筑岛形成施工场地,安装钻机。(二)、埋置或插打钢护筒钢护筒制作要求不易变形、不漏水、装卸方便。钢护筒内径比桩径大0.2~0.4m。旱地、筑岛处钢护筒采用挖坑埋设法,钢护筒底部和四周分层夯填密实的粘土。(三)、制备泥浆开挖泥浆池,选用优质粘土造浆,储浆池、沉淀池和沉碴筒的大小要满足施工的需要。泥浆循环通过孔口排入泥浆池内,污泥及沉渣及时用泥浆车运往指定排污处,以免污染环境。泥浆池里的钻碴和多余的泥浆,应及时运至指定地点,不得乱堆乱弃。表1—泥浆性能控制指标表钻孔方法地层情况泥浆性能指标相对密度粘度(s)含砂率(%)胶体率(%)失水率(ml/30min)泥皮厚静切力(Pa)酸碱度PH正循环一般地层1.05~1.2016~22≤4≥96≤25≤21~2.58~10易坍地层1.20~1.4519~28≤4≥96≤15≤23~58~10反循环一般地层1.02~1.0616~20≤4≥96≤20≤31~2.58~10易坍地层1.06~1.1018~28≤4≥96≤20≤31~2.58~10卵石土1.10~1.1520~35≤4≥95≤20≤31~2.58~10(四)、桩位测量测量桥位,放出桩位中心,准确测量各桩位的中心和护筒顶高程,并在护筒上做好标记。陆上施工时要在平整好的场地上做出桩位标记,用长木桩或砼桩定位。(五)、钻具和钻机就位1、钻具选择根据墩位处地质条件和施工要求,钻机要有大通径反循环钻具系统,循环排水量大,携带钻渣能力强,钻进效率高,能有效地提高钻孔桩的施工进度与成孔质量,因此选用旋挖钻SR250R。2、泥浆循环系统采用3PN泥浆泵进行泥浆循环和净化。3、其他辅助设备采用25t汽车吊机1、装载机1台,混凝土辆6台用于...

1、当您付费下载文档后,您只拥有了使用权限,并不意味着购买了版权,文档只能用于自身使用,不得用于其他商业用途(如 [转卖]进行直接盈利或[编辑后售卖]进行间接盈利)。
2、本站所有内容均由合作方或网友上传,本站不对文档的完整性、权威性及其观点立场正确性做任何保证或承诺!文档内容仅供研究参考,付费前请自行鉴别。
3、如文档内容存在违规,或者侵犯商业秘密、侵犯著作权等,请点击“违规举报”。

碎片内容

旋挖钻机施工工艺

确认删除?
VIP
微信客服
  • 扫码咨询
会员Q群
  • 会员专属群点击这里加入QQ群
客服邮箱
回到顶部