电脑桌面
添加小米粒文库到电脑桌面
安装后可以在桌面快捷访问

车库安全细则VIP免费

车库安全细则_第1页
1/36
车库安全细则_第2页
2/36
车库安全细则_第3页
3/36
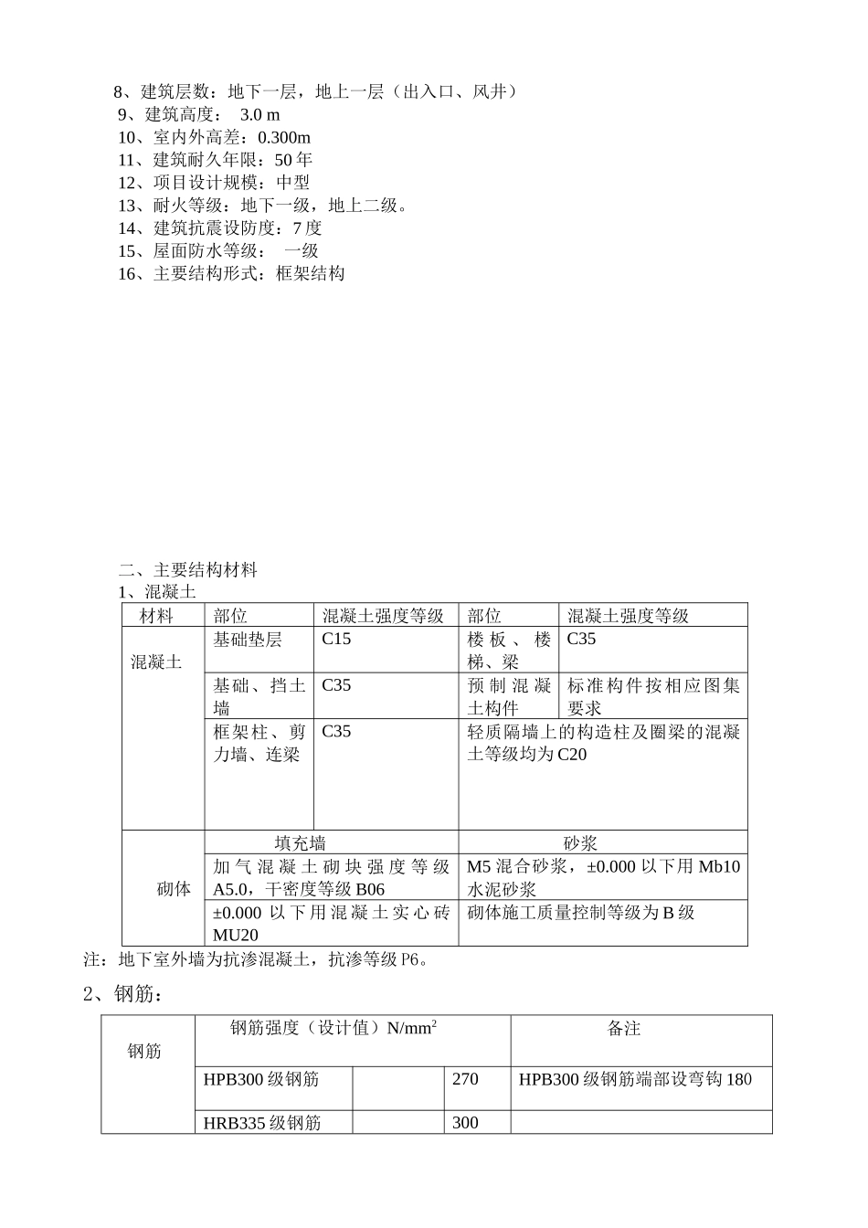
目录一、工程概况………………………………………………………………1二、编制依据………………………………………………………………3三、安全监理工作方法……………………………………………………3四、安全监理措施…………………………………………………………6五、安全监理控制点………………………………………………………7六、安全监理工作流程……………………………………………………36一、工程概况1、工程名称:保定市裕丰家园三期二区地下车库2、建设单位:保定市康信房地产开发有限公司3、设计单位:保定市建筑设计院有限公司4、监理单位:保定市康达工程建设监理有限公司5、施工单位:天津市兴业龙祥建设工程有限公司6、本工程位于:保定市马池北路以南,规划路以东7、总建筑面积:7353.79m28、建筑层数:地下一层,地上一层(出入口、风井)9、建筑高度:3.0m10、室内外高差:0.300m11、建筑耐久年限:50年12、项目设计规模:中型13、耐火等级:地下一级,地上二级。14、建筑抗震设防度:7度15、屋面防水等级:一级16、主要结构形式:框架结构二、主要结构材料1、混凝土材料部位混凝土强度等级部位混凝土强度等级混凝土基础垫层C15楼板、楼梯、梁C35基础、挡土墙C35预制混凝土构件标准构件按相应图集要求框架柱、剪力墙、连梁C35轻质隔墙上的构造柱及圈梁的混凝土等级均为C20砌体填充墙砂浆加气混凝土砌块强度等级A5.0,干密度等级B06M5混合砂浆,±0.000以下用Mb10水泥砂浆±0.000以下用混凝土实心砖MU20砌体施工质量控制等级为B级注:地下室外墙为抗渗混凝土,抗渗等级P6。2、钢筋:钢筋钢筋强度(设计值)N/mm2备注HPB300级钢筋270HPB300级钢筋端部设弯钩180HRB335级钢筋300HRB400级钢筋360HRB500级钢筋435焊条焊HPB300、HRB335级钢筋:E50;焊HRB400级钢筋:E55;焊缝高度6mm钢板型材钢板Q235B1)、钢筋的强度标准值应具有不小于95%的保证率。受力预埋件锚筋应用HRB400或HPB300级钢筋,严禁采用冷加工钢筋。吊环应采用HPB300级钢筋,吊环埋入混凝土的深度不应小于30d并应焊接或绑扎在钢筋骨架上。HPB300级钢筋端部设弯钩180°。2)、抗震等级为一、二、三级的框架和斜撑构件(含梯段),其纵向受力筋采用普通钢筋时,钢筋的抗拉强度实测值与屈服强度实测值的比值不应小于1.25;钢筋屈服度强度实测值与屈服强度标准值的比值不应大于1.3;且钢筋在最大拉力下的总伸长率实测值不应小于9%。3)、地下室防水等级为二级,采用两道设防,防水层采用1.5厚高分子防水卷材;屋面防水等级为一级,防水层两道设防,平屋面防水层为2厚合成高分子防水卷材+3厚高聚物改性沥青防水卷材;其他部位未注明防水层均采用RG防水涂料。二、编制依据《中华人民共和国建筑法》《中华人民共和国安全生产法》《河北省建筑条例》《建筑工程安全生产管理条例》《安全生产许可证条例》《建筑工程施工安全规程》《建设工程施工安全监理规程》三、安全监理工作方法1、施工前的安全监理工作方法建设工程安全生产监督管理应“以人为本”的理念,贯彻“安全第一,预防为主,综合治理”的方针,安全监理应以事前控制和主动控制为主,因而在开工前监理人员应认真做好如下工作:1.1总监在组织编制监理规划时,应结合本工程实际情况,将具体的安全监理工作程序、内容及方法编入项目监理规划中,并在其中明确人员分工,确定专门的安全监理人员。对二等及二等以上工程,编制的监理实施细则中包括安全管理的具体操作程序。1.2审核施工企业是否已按规定办理了《安全生产许可证》,且在使用有效期内。1.3审核施工企业是否建立了安全生产保证体系。1.4审核施工企业是否建立了相应的安全生产规章制度,并以文字形式发布实施。安全生产规章制度包括:安全生产管理制度、各管理部门安全生产管理责任制度及安全生产岗位责任制度。1.4.1安全生产管理制度包括:1)安全生产教育培训制度2)安全生产检验制度3)安全技术措施管理制度4)防护用品使用管理制度5)安全生产考核奖惩制度6)易燃易爆有害有毒物品保管制度7)职工伤亡事故报告制度8)班组安全活动制度9)现场消防管理制度10)文明施工管理制度1.4.2各管理...

1、当您付费下载文档后,您只拥有了使用权限,并不意味着购买了版权,文档只能用于自身使用,不得用于其他商业用途(如 [转卖]进行直接盈利或[编辑后售卖]进行间接盈利)。
2、本站所有内容均由合作方或网友上传,本站不对文档的完整性、权威性及其观点立场正确性做任何保证或承诺!文档内容仅供研究参考,付费前请自行鉴别。
3、如文档内容存在违规,或者侵犯商业秘密、侵犯著作权等,请点击“违规举报”。

碎片内容

车库安全细则

确认删除?
VIP
微信客服
  • 扫码咨询
会员Q群
  • 会员专属群点击这里加入QQ群
客服邮箱
回到顶部