电脑桌面
添加小米粒文库到电脑桌面
安装后可以在桌面快捷访问

乌鲁木齐拖拉机厂冲压车间施工组织设计VIP免费

乌鲁木齐拖拉机厂冲压车间施工组织设计_第1页
1/35
乌鲁木齐拖拉机厂冲压车间施工组织设计_第2页
2/35
乌鲁木齐拖拉机厂冲压车间施工组织设计_第3页
3/35
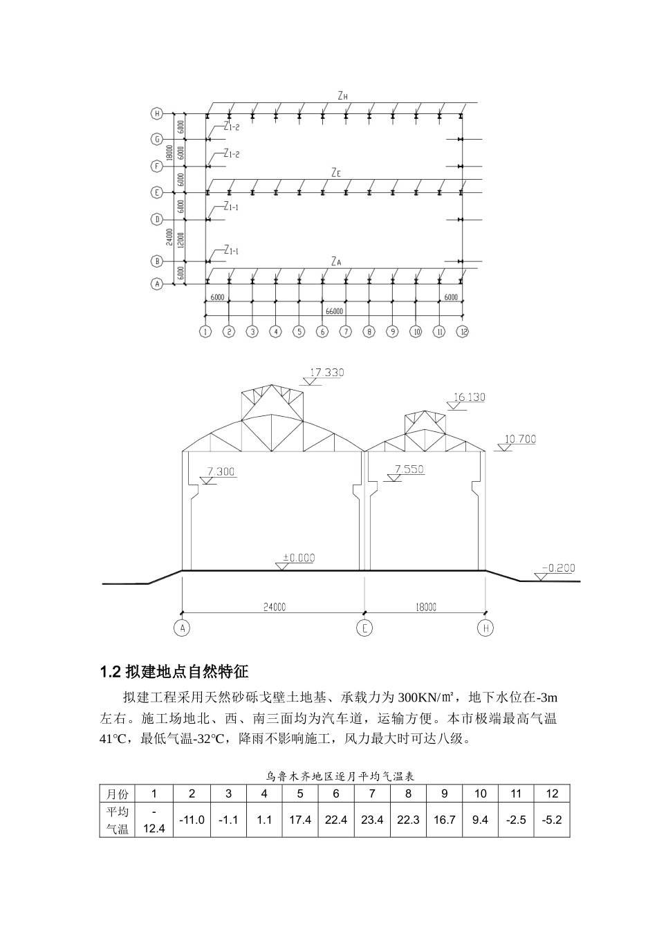
一、工程概况1.1建筑、结构特征拟建工程为乌鲁木齐拖拉机厂冲压车间,位于市区XX路,总建筑面积2254.19㎡,结构型式为双跨等高钢筋混凝土桥架结构。全长为6×11=66m,主跨24m,辅跨18m,室外地面平均-0.20m且大致平整,柱顶标高为10.7m。要求杯形基础现场浇筑、预应力屋架和柱现场预制,其他构件一律由构件厂预制。厂房外围护结构为370砖墙、局部抹灰;室外地坪为80厚混凝土垫层随打随抹光;屋面防水为SBS,排水形式为有组织外排水及自由外排水。1.2拟建地点自然特征拟建工程采用天然砂砾戈壁土地基、承载力为300KN/㎡,地下水位在-3m左右。施工场地北、西、南三面均为汽车道,运输方便。本市极端最高气温41℃,最低气温-32℃,降雨不影响施工,风力最大时可达八级。乌鲁木齐地区逐月平均气温表月份123456789101112平均气温-12.4-11.0-1.11.117.422.423.422.316.79.4-2.5-5.21.3施工条件本工程由新疆建工集团第三建筑公司承建。施工体制为单位工程栋号承包制。施工机械设备、材料、技术等由公司按申请计划调配。公司预厂距现场5km。施工用电、用水由甲方联系、从本市水电网引入。临时设施除工人宿舍外均可修建。施工单位为自治区一级企业,具有一定的施工技术和管理水平。可供选择的起重机包括多种型号的履带式汽车式起重机。该厂位于市郊区,公路直达,运输方便;已完成杯形基础及回填土工作,施工现场已做好三通一平;吊装施工中所用的设备、建筑材料及半成品由场外运入并保证供应;牛腿、预应力屋架为现场预制;1.4工期要求参考国家工期定额、甲乙双方签订合同工期为270天,自3月29日开工、12月29日竣工。(其中土建215天至10月20日退出)。1.5施工关键柱子是建筑物中最关键的构件,涉及到整个建筑物的安全,对于预制柱的设计吊装更是不容忽视的工序。由于预制柱的设计是按正常工作时承受的荷载进行截面设计的,而吊装时与正常工作时的受力情况不一样,其受力性质已由正常工作时的受压构件转变为吊装时的受弯构件,尤其是对平卧产生的构件,构件截面的有效高度和配筋均大大减少,使吊装时的承载力大为降低,可能导致构件在吊装过程中开裂、甚至破坏。因此预制构件在吊装前要进行吊装验算,吊装验算应包括确定吊点的位置、抗弯强度的验算、抗裂强度的验算。吊点的位置确定根据《混凝土结构工程施工及验收规范》规定,当设计无具体要求时,起吊点应根据计算确定。柱的校正是一件相当重要的工作,如果柱的吊装就位不够准确,就会影响与柱相连接的吊车梁、屋架等吊装的准确性。因此,必须认真对待。柱子安装质量的好坏直接影响到屋架等其它构件的连接,作为单层工业厂房支撑结构,对建筑的质量以及使用的耐久性起着关键性作用,所以必须保证其吊装的施工工艺符合标准,将柱子基本校正好,只有这样才能保证整个单层工业厂房的施工质量。1.6工程量序名称单位数量序名称单位数量1柱基挖土m315屋面找平层m2/m32800/8.42柱基垫层m33616屋面防水层m228003柱基础m318017地面夯实m222004回填土m318砂石垫层m32005杯口细石混凝土m3419混凝土地面m32006地胎膜m332020外墙抹灰m22807预制柱m321门扇安装m2368预制屋架m35022油漆m2729构件吊装件23玻璃m250010龙门架、脚手架座拆搭m2/班2126424散水、坡道混凝土m37611砌围护墙、棚、圈梁m364025轨道、桥式吊车m/台264/212现浇门框、雨棚、圈梁m35426电缆线路m13213安钢窗m362027水暖管道m12414屋面保温层m3520二、编制说明2.1编制依据2.2.1本工程施工组织设计是根据现场设计条件,严格按照工程招标范围和招标文件对施工组织设计的要求进行策划后编制的。在人员、机械、材料调配、施工方案、进度安排、安全文明等方面统一部署的原则下,由吊装、土建、装饰及安装三大专业组成。2.2.2根据本工程的设计特点、功能要求,本着对资金的合理利用,对工程质量的终身负责,对安全文明施工的强化管理精神。以“科学、经济、优质、高效”为原则进行编制。2.2.3对此次施工组织设计的编制高度重视,在仔细要就图纸,明确工程特点、充分了解施工环境、准确把握要求的前提下,成立编制小组,集思广益、博采众长,力求使本方案切合工程实际,思路先进,可操作性强。2...

1、当您付费下载文档后,您只拥有了使用权限,并不意味着购买了版权,文档只能用于自身使用,不得用于其他商业用途(如 [转卖]进行直接盈利或[编辑后售卖]进行间接盈利)。
2、本站所有内容均由合作方或网友上传,本站不对文档的完整性、权威性及其观点立场正确性做任何保证或承诺!文档内容仅供研究参考,付费前请自行鉴别。
3、如文档内容存在违规,或者侵犯商业秘密、侵犯著作权等,请点击“违规举报”。

碎片内容

乌鲁木齐拖拉机厂冲压车间施工组织设计

您可能关注的文档

确认删除?
VIP
微信客服
  • 扫码咨询
会员Q群
  • 会员专属群点击这里加入QQ群
客服邮箱
回到顶部