电脑桌面
添加小米粒文库到电脑桌面
安装后可以在桌面快捷访问

[安全管理]宁波市机械制造行业安全生产标准化企业考核评定表( 42页)(1)VIP免费

[安全管理]宁波市机械制造行业安全生产标准化企业考核评定表( 42页)(1)_第1页
1/43
[安全管理]宁波市机械制造行业安全生产标准化企业考核评定表( 42页)(1)_第2页
2/43
[安全管理]宁波市机械制造行业安全生产标准化企业考核评定表( 42页)(1)_第3页
3/43
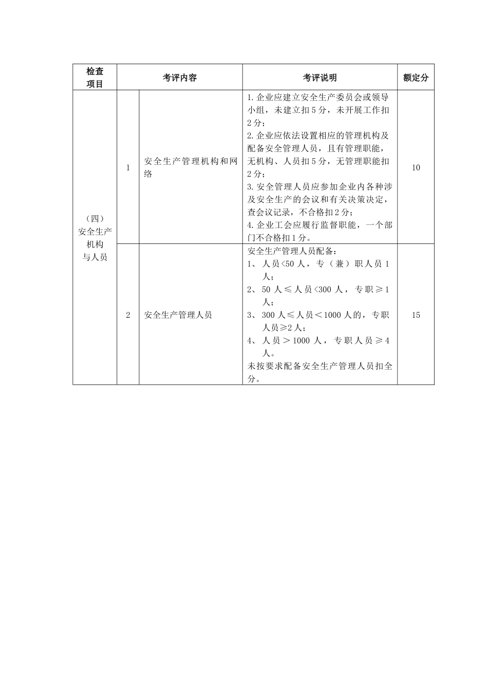
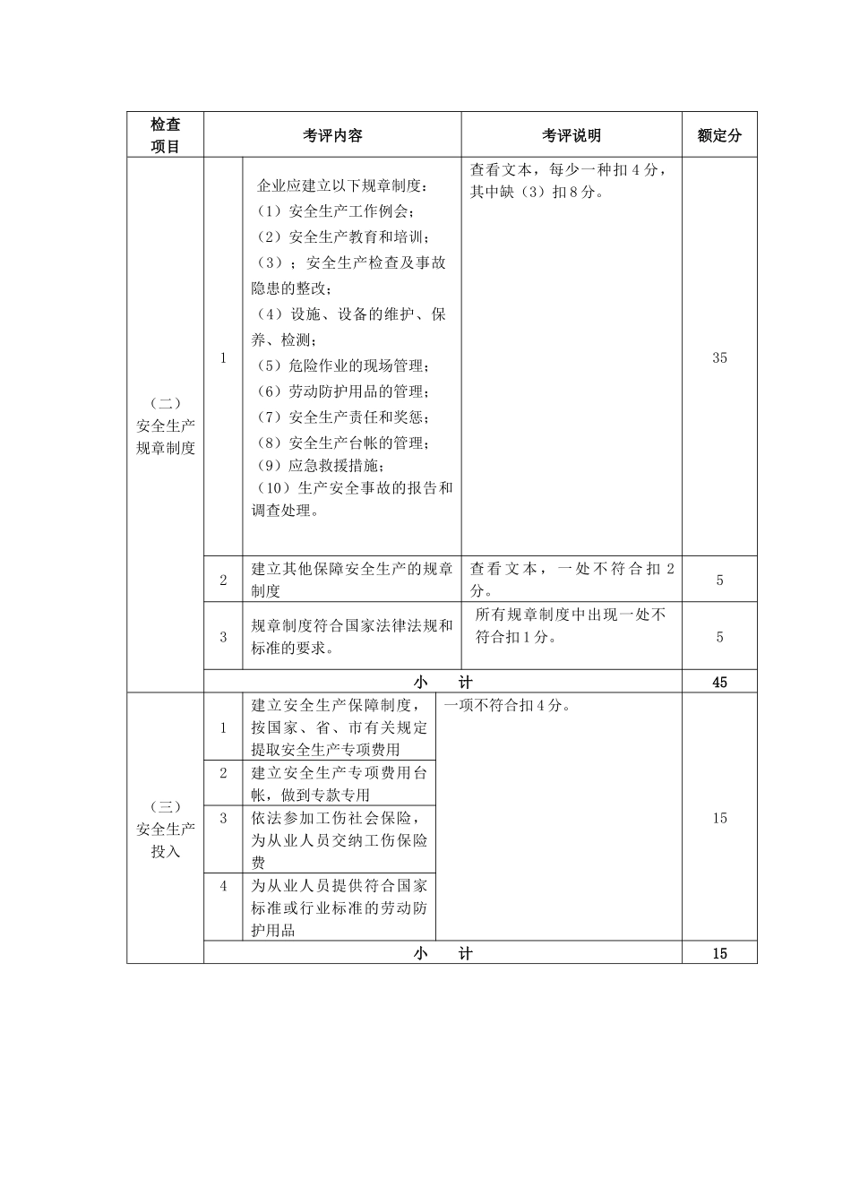
宁波市机械制造行业安全生产标准化企业考核评定表一、基础管理考评检查表(450分)检查项目考评内容考评说明额定分(一)安全生产责任制1企业主要负责人履行职责1.建立、健全本企业安全生产责任制;2.组织制定本企业安全生产规章制度和操作规程;3.保证本企业安全生产投入的有效实施;4.督促、检查本企业的安全生产工作,及时消除生产安全事故隐患;5.组织制定并实施本企业的生产安全事故应急救援预案;6.及时、如实报告生产安全事故;7.向职工大会、职工代表大会、股东会或股东大会报告安全生产情况,接受工会、从业人员、股东对安全生产工作的监督。一项不符合扣5分。302建立各职能部门的安全职责1.有文本,覆盖企业内所有部门,缺少一个部门扣2分,无文本扣全分;2.定期对其职责进行检查、考核,未进行的扣4分。103建立各级各类人员的安全职责1.有文本,涵盖企业内各级管理者(含班组长)、从业人员,且与其职能相符。缺一处扣2分;2.定期对其职责进行检查、考核,未进行的扣4分。10小计50检查项目考评内容考评说明额定分(二)安全生产规章制度1企业应建立以下规章制度:(1)安全生产工作例会;(2)安全生产教育和培训;(3);安全生产检查及事故隐患的整改;(4)设施、设备的维护、保养、检测;(5)危险作业的现场管理;(6)劳动防护用品的管理;(7)安全生产责任和奖惩;(8)安全生产台帐的管理;(9)应急救援措施;(10)生产安全事故的报告和调查处理。查看文本,每少一种扣4分,其中缺(3)扣8分。352建立其他保障安全生产的规章制度查看文本,一处不符合扣2分。53规章制度符合国家法律法规和标准的要求。所有规章制度中出现一处不符合扣1分。5小计45(三)安全生产投入1建立安全生产保障制度,按国家、省、市有关规定提取安全生产专项费用一项不符合扣4分。152建立安全生产专项费用台帐,做到专款专用3依法参加工伤社会保险,为从业人员交纳工伤保险费4为从业人员提供符合国家标准或行业标准的劳动防护用品小计15检查项目考评内容考评说明额定分(四)安全生产机构与人员1安全生产管理机构和网络1.企业应建立安全生产委员会或领导小组,未建立扣5分,未开展工作扣2分;2.企业应依法设置相应的管理机构及配备安全管理人员,且有管理职能,无机构、人员扣5分,无管理职能扣2分;3.安全管理人员应参加企业内各种涉及安全生产的会议和有关决策决定,查会议记录,不合格扣2分;4.企业工会应履行监督职能,一个部门不合格扣1分。102安全生产管理人员安全生产管理人员配备:1、人员<50人,专(兼)职人员1人;2、50人≤人员<300人,专职≥1人;3、300人≤人员<1000人的,专职人员≥2人;4、人员>1000人,专职人员≥4人。未按要求配备安全生产管理人员扣全分。15检查项目考评内容考评说明额定分3安全生产管理机构以及安全生产管理人员应履行下列职责:(1)贯彻执行国家安全生产的法律、法规、规章、国家标准或者行业标准,参与本单位安全生产决策;(2)督促安全生产规章制度和安全技术操作规程的执行;(3)制定安全生产检查规程,开展安全生产检查,发现事故隐患,督促有关业务部门和人员及时整改;查处违章指挥、违章操作、违反劳动纪律的行为;(4)组织开展安全生产宣传、教育和培训,推广安全生产先进技术和经验;(5)参与本单位生产工艺、技术、设备的安全性能检测及事故预防措施的制订;(6)参与新建、改建、扩建的建设项目安全设施的审查,督促和管理劳动保护用品的发放、使用;(7)参与组织本单位应急预案的制订及演练;(8)组织或者参与生产安全事故的调查和处理,对事故进行统计、分析,向本单位提出报告;(9)法律、法规、规章规定的其他安全生产工作。未按照要求履行的,一项不符合扣3分。10小计35(五)安全生产教育1企业主要负责人应具备与本单位所从事的生产经营活动相应的安全生产知识和管理能力企业主要负责人应进行相应的安全产生知识培训,与安全生产法不符扣全分。152新职工入厂三级安全教育目标值100%,少1人扣全分。153特种作业人员培训教育目标值100%,查有关部门的特种作业人员档案及特种作业证书的有效性,少1人扣全分。104变换工...

1、当您付费下载文档后,您只拥有了使用权限,并不意味着购买了版权,文档只能用于自身使用,不得用于其他商业用途(如 [转卖]进行直接盈利或[编辑后售卖]进行间接盈利)。
2、本站所有内容均由合作方或网友上传,本站不对文档的完整性、权威性及其观点立场正确性做任何保证或承诺!文档内容仅供研究参考,付费前请自行鉴别。
3、如文档内容存在违规,或者侵犯商业秘密、侵犯著作权等,请点击“违规举报”。

碎片内容

[安全管理]宁波市机械制造行业安全生产标准化企业考核评定表( 42页)(1)

确认删除?
VIP
微信客服
  • 扫码咨询
会员Q群
  • 会员专属群点击这里加入QQ群
客服邮箱
回到顶部