电脑桌面
添加小米粒文库到电脑桌面
安装后可以在桌面快捷访问

设备副科长岗位说明书VIP专享VIP免费

设备副科长岗位说明书_第1页
1/3
设备副科长岗位说明书_第2页
2/3
设备副科长岗位说明书_第3页
3/3
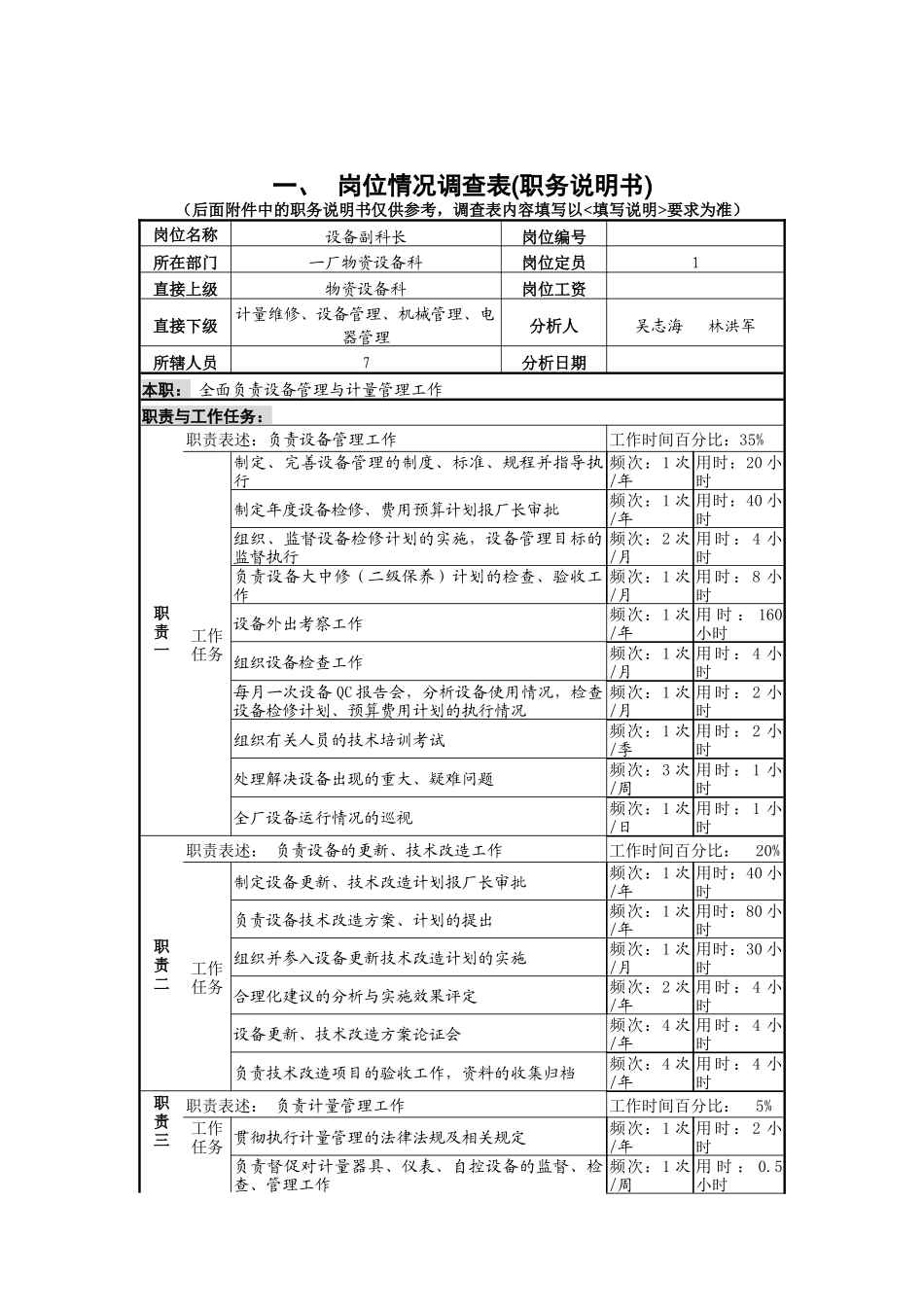
一、岗位情况调查表(职务说明书)(后面附件中的职务说明书仅供参考,调查表内容填写以<填写说明>要求为准)岗位名称设备副科长岗位编号所在部门一厂物资设备科岗位定员1直接上级物资设备科岗位工资直接下级计量维修、设备管理、机械管理、电器管理分析人吴志海林洪军所辖人员7分析日期本职:全面负责设备管理与计量管理工作职责与工作任务:职责一职责表述:负责设备管理工作工作时间百分比:35%工作任务制定、完善设备管理的制度、标准、规程并指导执行频次:1次/年用时:20小时制定年度设备检修、费用预算计划报厂长审批频次:1次/年用时:40小时组织、监督设备检修计划的实施,设备管理目标的监督执行频次:2次/月用时:4小时负责设备大中修(二级保养)计划的检查、验收工作频次:1次/月用时:8小时设备外出考察工作频次:1次/年用时:160小时组织设备检查工作频次:1次/月用时:4小时每月一次设备QC报告会,分析设备使用情况,检查设备检修计划、预算费用计划的执行情况频次:1次/月用时:2小时组织有关人员的技术培训考试频次:1次/季用时:2小时处理解决设备出现的重大、疑难问题频次:3次/周用时:1小时全厂设备运行情况的巡视频次:1次/日用时:1小时职责二职责表述:负责设备的更新、技术改造工作工作时间百分比:20%工作任务制定设备更新、技术改造计划报厂长审批频次:1次/年用时:40小时负责设备技术改造方案、计划的提出频次:1次/年用时:80小时组织并参入设备更新技术改造计划的实施频次:1次/月用时:30小时合理化建议的分析与实施效果评定频次:2次/年用时:4小时设备更新、技术改造方案论证会频次:4次/年用时:4小时负责技术改造项目的验收工作,资料的收集归档频次:4次/年用时:4小时职责三职责表述:负责计量管理工作工作时间百分比:5%工作任务贯彻执行计量管理的法律法规及相关规定频次:1次/年用时:2小时负责督促对计量器具、仪表、自控设备的监督、检查、管理工作频次:1次/周用时:0.5小时协助技术监督局对计量器具、设备的强检工作频次:2次/年用时:4小时职责四职责表述:负责本部门质量体系文件的贯彻实施工作时间百分比:2%工作任务制定、完善设备部分质量体系相关文件,并组织实施频次:1次/年用时:2小时督导完成质量体系确定的各项指标频次:1次/月用时:1小时负责相关质量体系文件的整理、保管、销毁等方面的管理工作频次:2次/年用时:1小时负责ISO9000系列设备方面质量认证工作频次:1次/年用时:24小时职责五职责表述:负责文件传达、上报材料的审核工作工作时间百分比:3%工作任务负责上级下达文件的传达、组织执行工作频次:2次/月用时:0.5小时负责上报文件、报表的审核工作频次:2次/月用时:1小时负责撰写部门年度、半年度工作总结和有关工作报告频次:2次/年用时:20小时职责六职责表述:部门内部管理工作工作时间百分比:10%工作任务负责内部人员工作的分配,指导内部人员工作频次:1次/周用时:2小时督导下属员工完成各项工作计划频次:1次/日用时:0.5小时检查5S管理的执行情况频次:1次/周用时:0.5小时职责七职责表述:其他日常工作工作时间百分比:20%工作任务参加每月一次的生产调度会、技术QC报告会频次:2次/月用时:4小时参加其他临时性工作会议频次:2次/周用时:1小时负责协调部门关系,保证工作运转畅通频次:2次/周用时:1小时中层干部的夜间值班频次:1次/月用时:12小时职责八职责表述:完成上级交办的其他工作工作时间百分比:5%权力:权限一:对预算内设备检修、预算计划的审核权,实施的执行权权限二:对设备配件外协购置的审批权、监督权权限三:对违反设备管理有关规定的行为有制止权和处罚建议权权限四:对设备更新、技术改造计划的建议权、执行权权限五:对计量管理工作的监督检查权权限六:质量体系相关文件的执行权权限七:对上级下达文件的传达、组织执行权权限八:对下级工作的监督检查考核权权限九:部门之间工作协调权权限十:领导交办工作的相应权考核指标:设备管理工作:1、设备完好率98%2、设备故障停机率1%3、设备修理计划完成率100%4、设备重大安全事故为05、设备维修费控制在预算以内技术改造工...

1、当您付费下载文档后,您只拥有了使用权限,并不意味着购买了版权,文档只能用于自身使用,不得用于其他商业用途(如 [转卖]进行直接盈利或[编辑后售卖]进行间接盈利)。
2、本站所有内容均由合作方或网友上传,本站不对文档的完整性、权威性及其观点立场正确性做任何保证或承诺!文档内容仅供研究参考,付费前请自行鉴别。
3、如文档内容存在违规,或者侵犯商业秘密、侵犯著作权等,请点击“违规举报”。

碎片内容

设备副科长岗位说明书

确认删除?
VIP
微信客服
  • 扫码咨询
会员Q群
  • 会员专属群点击这里加入QQ群
客服邮箱
回到顶部