电脑桌面
添加小米粒文库到电脑桌面
安装后可以在桌面快捷访问

纺织厂筒摇车间空气调节课程设计VIP免费

纺织厂筒摇车间空气调节课程设计_第1页
1/34
纺织厂筒摇车间空气调节课程设计_第2页
2/34
纺织厂筒摇车间空气调节课程设计_第3页
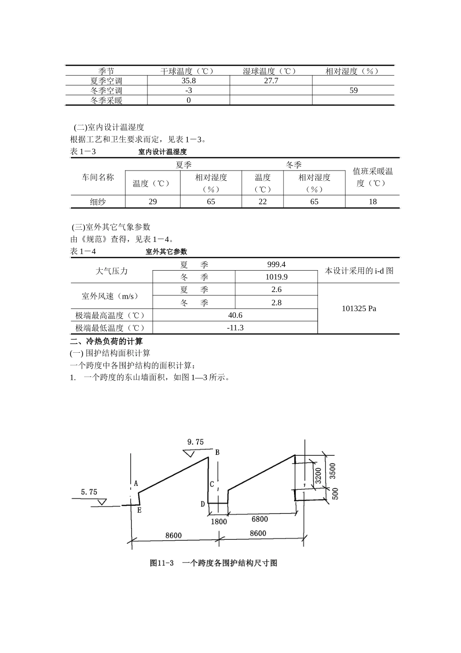
3/34
空气调节系统设计—筒摇车间空气调节系统设计计算设计题目:长沙纺织厂筒摇车间,设计计算车间的空调系统。车间的建筑平面图及锯齿屋架结构详见图1-1,图1-2。已知条件1.车间机台及最大班人数列于表1-1。表1-1车间机台及最大班人数机器名称台数负荷(kW/台)同周期运转系数最大班人数工种人数A513C126络筒机4.17捻线7.5双面摇纱机0.74小打包机1.0中打包机100.90~0.95挡车工挡车辅助工保全工检修,保养,管理787024422.冷源水温度12℃(不包括管路温升)。3.工作区的平均风速要求不大于0.7m/s。设计计算书一、室内外设计温湿度和室外其它参数〔一)室外设计温湿度由《采暖通风与空气调节设计规范》TJl9—87(以下简称规范)查得,见表1-2。表1-2室外设计温湿度(二)室内设计温湿度根据工艺和卫生要求而定,见表1-3。表1-3室内设计温湿度车间名称夏季冬季值班采暖温度(℃)温度(℃)相对湿度(%)温度(℃)相对湿度(%)细纱2965226518(三)室外其它气象参数由《规范》查得,见表1-4。表1-4室外其它参数大气压力夏季999.4本设计采用的i-d图冬季1019.9室外风速(m/s)夏季2.6101325Pa冬季2.8极端最高温度(℃)40.6极端最低温度(℃)-11.3二、冷热负荷的计算(一)围护结构面积计算一个跨度中各围护结构的面积计算:1.一个跨度的东山墙面积,如图1—3所示。季节干球温度(℃)湿球温度(℃)相对湿度(%)夏季空调35.827.7冬季空调-359冬季采暖0ΔABC的面积:F1=3.5×6.82=11.90m2矩形外墙ACDE的面积:F2=0.5×6.8=3.4m22.一个跨度的坡屋面面积:F=√3.52+6.82×132.69=1014.80m23.一个跨度的天窗面积(需扣除三角架所占据的面积):F=3.2×132.69×95%=403.38m24.一个跨度的天窗墙面积(需加上三角架所占据的面积):F=0.5×132.69+3.2×132.69×5%=87.58m25.一个跨度的天沟面积(天沟净宽为710mm):F=0.71×132.69=94.21m26.地板面积:F=43×132.69=5705.67m2(二)车间各围护结构的传热系数1.外墙:一砖墙,两面粉刷,由《空气调节设计手册》(以下简称《手册》)查得:K=l.992W/m2.K2.天窗:采用两框三层玻璃。查表得:外层:一个框两层玻璃,K1=3.49W/m2K内层:金属框单层玻璃,查表得:空气内表面放热系数:an=8.7W/m2K空气外表面放热系数:aw=23.3W/m2KK2=118.7+0.0020.65+0.19+123.3=10.351=2.85W/m2K则天窗的传热系数K:K=K1K2K1+K2=3.49×2.853.49+2.85=1.569W/m2K3.屋顶:构造见图11-2和表11-5。表11-5屋面结构各层材料热工指标材料名称δ(m)λ(W/m·`K)R(m2·K/W)粘土瓦---钢筋混凝土挂瓦板---水泥砂浆粉面0.0150.930.0163沥青膨胀珍珠岩0.10.0811.2287一毡二油隔气层0.0050.1740.0284钢筋混凝土倒槽板0.0301.5470.01981:2水泥砂浆粉面0.020.930.0215刷大白浆二度---∑δλ=∑R1.3147K=11αn+∑δλ+1αw=118.7+1.3147+123.3=11.4724.天窗墙:构造见图1-2及表1-6。表1-6天窗墙各层材料热工指标材料名称δ(m)λ(W/m·`K)R(m2·K/W)三毡四油八层做法0.0150.1740.08620厚1:25水泥砂浆找平层0.0200.930.0215120厚砖墙50号砂浆砌筑0.1200.81410.147140厚空气层0.140-0.163100厚沥青膨胀珍珠岩保温层0.100.081411.2287一毡二油隔气层0.0050.1740.028315厚1:25水泥砂浆找平层0.150.930.0163180厚砖墙50号砂浆砌筑0.180.81410.22120厚纸筋灰粉面刷白二度0.0200.6980.0283∑δλ=∑R1.9401K=118.7+1.9401+123.3=12.0977=0.477W/m2⋅K5.天沟:构造见图1-2及表1-7。表1-7天沟各层材料热工指标材料名称δ(m)λ(W/m·`K)R(m2·K/W)三毡四油八层做法0.0150.1740.08620厚1:25水泥砂浆找平层0.0200.930.0215钢筋混泥土填坡板0.0201.5470.012930厚空气隔气层0.030-0.1538100厚沥青膨胀珍珠岩保温层0.100.08141.2287一毡二油隔气层0.0050.1740.028315厚1:25水泥砂浆粉面层0.0150.930.016350厚钢筋混泥土风道顶板0.0501.5470.0323∑δλ=∑R1.5798K=118.7+1.5789+123.3=11.7376=0.575W/m2⋅K6.地板:本车间地板均属第IV地带,故K=0.07W/m2·`KK值的校核:由图1—4可知,车间空气露点温度(冬季)为15.3℃,则Kmax=αn[tn−(tl+1)](tn−...

1、当您付费下载文档后,您只拥有了使用权限,并不意味着购买了版权,文档只能用于自身使用,不得用于其他商业用途(如 [转卖]进行直接盈利或[编辑后售卖]进行间接盈利)。
2、本站所有内容均由合作方或网友上传,本站不对文档的完整性、权威性及其观点立场正确性做任何保证或承诺!文档内容仅供研究参考,付费前请自行鉴别。
3、如文档内容存在违规,或者侵犯商业秘密、侵犯著作权等,请点击“违规举报”。

碎片内容

纺织厂筒摇车间空气调节课程设计

您可能关注的文档

确认删除?
VIP
微信客服
  • 扫码咨询
会员Q群
  • 会员专属群点击这里加入QQ群
客服邮箱
回到顶部