电脑桌面
添加小米粒文库到电脑桌面
安装后可以在桌面快捷访问

生产设备管理细化执行VIP免费

生产设备管理细化执行_第1页
1/12
生产设备管理细化执行_第2页
2/12
生产设备管理细化执行_第3页
3/12
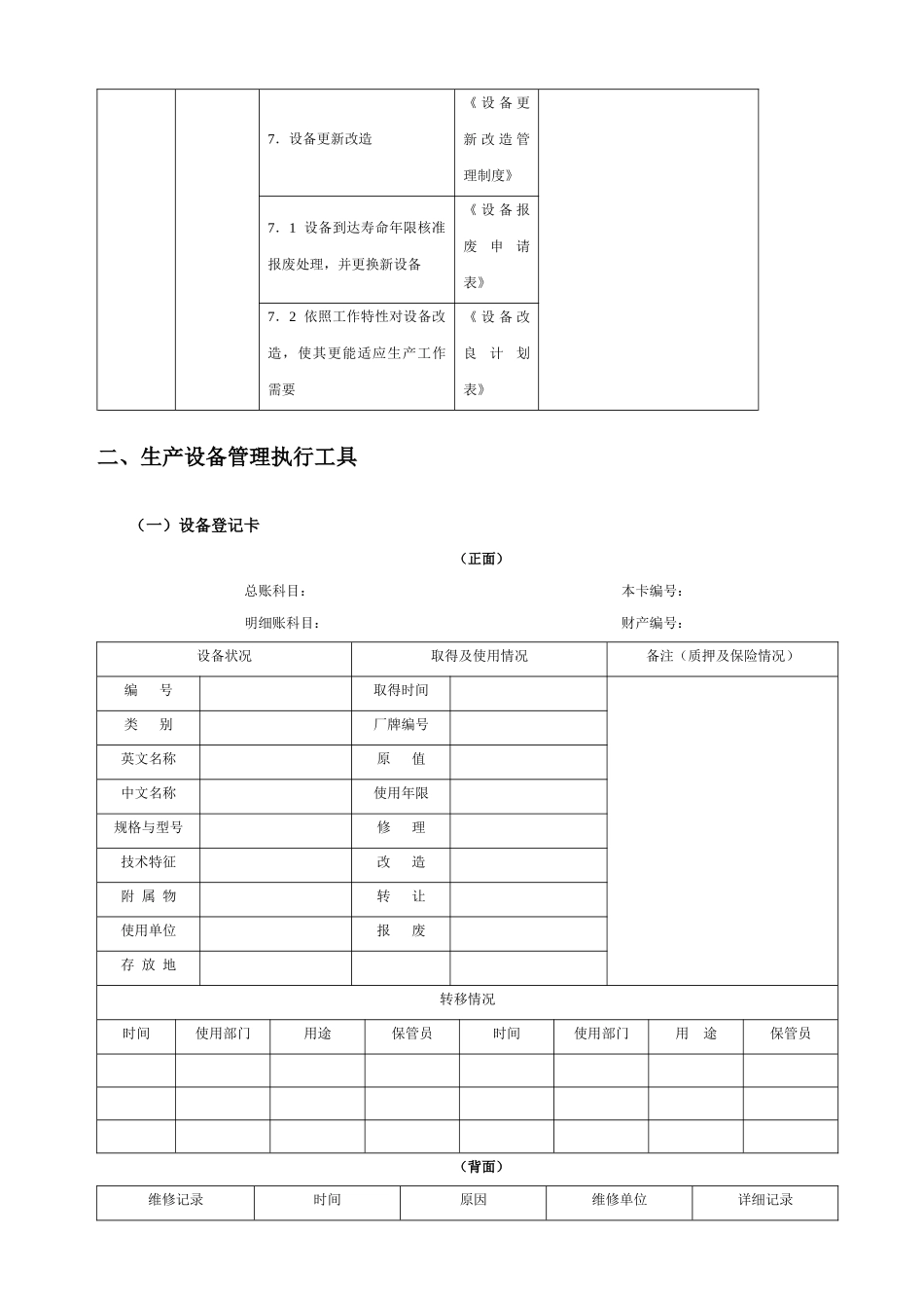
生产设备管理细化执行一、生产设备管理流程工作目标知识准备关键点控制细化执行流程图1.为企业提供先进的技术装备2.对生产设备规范化管理3.确保生产设备满足公司生产要求4.保障企业经济效益和经营目标的实现1.明确设备管理的内容和任务2.熟悉设备的性能、操作使用方法3.了解设备安全防护知识,保证安全生产1.设备采购《设备采购制度》1.1生产部门根据工作计划和任务需要,申请采购设备《设备购买申请单》1.2依照设备采购需要,选择订购技术、经济、生产等方面都适合的设备《设备订购单》2.设备验收调试2.1由设备供应企业人员或生产技术人员负责对设备进行调试《设备验收单》2.2设备经过调试正常,验收确认并编号入档《设备登记卡/表》3.设备操作学习安排合适的设备操作人员,并组织对操作人员的教育学习,使其能熟练使用设备4.设备使用《生产设备管理制度》1.设备采购2.设备验收调试3.设备操作学习4.设备使用5.设备保养6.设备维修7.设备更新改造1.设备采购4.1根据设备操作说明书,制定相关设备使用制度《设备操作说明书》4.2正确配备各种相关衔接设备,合理安排生产任务,使各种设备的性能和生产效率达到最优状态4.3控制设备运行的温度、湿度,搞好设备周围的环境卫生,创造良好的设备工作环境4.4操作人员持证上岗,禁止非本设备操作人员使用设备,按操作制度和说明正确使用5.设备保养5.1操作人员加强日常一级保养工作,对设备清洁、润滑、紧固《设备保养记录表》5.2由专职保养人员对定期对设备进行二、三级保养,进行内部清洁、润滑,局部或主体解体检查、调整,对达到磨损限度的零件加以更换《设备保养记录表》6.设备维修由专业维修人员对于不能使用或运行不正常的设备进行维修《设备维修记录表》7.设备更新改造《设备更新改造管理制度》7.1设备到达寿命年限核准报废处理,并更换新设备《设备报废申请表》7.2依照工作特性对设备改造,使其更能适应生产工作需要《设备改良计划表》二、生产设备管理执行工具(一)设备登记卡(正面)总账科目:本卡编号:明细账科目:财产编号:设备状况取得及使用情况备注(质押及保险情况)编号取得时间类别厂牌编号英文名称原值中文名称使用年限规格与型号修理技术特征改造附属物转让使用单位报废存放地转移情况时间使用部门用途保管员时间使用部门用途保管员(背面)维修记录时间原因维修单位详细记录(二)设备编号标准表类别类号设备序号序别序号0102030405060708……(三)设备实物明细表明细科目:设备编号:页数:年摘要单位借方贷方结存使用及保管部门月日(四)动力设备计算表类别设备名称规格台数额定功率生产用量管线长度年供应量起迄长度1234合计(五)各类设备统计表设备名称规格单价使用年数第一期第二期第三期第四期数量总价折旧数量总价折旧数量总价折旧数量总价折旧(六)设备零部件登记表编号名称数量单价金额制造商验收日期记录(七)设备日常管理标准表项目设备日常检点定期检点日常保养一级保养凭证操作操作规程故障率(%)故障分析账物卡编号ABCDE(八)设备管理成果评分表序号项目评分标准评价标准1发生故障时对其他设备的影响程度2发生故障时有无代用设备3开动形态4加工对象的工艺阶段5加工对象的质量要求6故障修理的难易程度7发生故障时对人和环境的影响8设备原值三、设备采购执行工具(一)设备请购单申请部门申请时间填表人设备名称申请数量设备购买原因和用途预定投产期备选设备询价记录序号厂家型号支付价格和条件交货条件预计总价123投资效果评估备注申请部门意见设备采购部门意见财务部意见总经理意见(二)设备订购单编号:日期:年月日设备供应厂商地址电话设备名称型号规格数量单价合计金额交货时间交货地点注意事项交易条款经办人核准人复审人(三)设备验收单编号:订购单编号:验收人验收日期验收地点设备供应商设备名称型号数量总价规格符合验收结果备注审核复核(四)设备采购登记表编号名称规格单价供应商交付日期使用寿命安放地点备注(五)设备性能综合评价表序号主要考虑因素设备Ⅰ设备Ⅱ设备Ⅲ性能评分性能评分性能评分1生产性(产品产量,吨/日)2可靠性(成品...

1、当您付费下载文档后,您只拥有了使用权限,并不意味着购买了版权,文档只能用于自身使用,不得用于其他商业用途(如 [转卖]进行直接盈利或[编辑后售卖]进行间接盈利)。
2、本站所有内容均由合作方或网友上传,本站不对文档的完整性、权威性及其观点立场正确性做任何保证或承诺!文档内容仅供研究参考,付费前请自行鉴别。
3、如文档内容存在违规,或者侵犯商业秘密、侵犯著作权等,请点击“违规举报”。

碎片内容

生产设备管理细化执行

确认删除?
VIP
微信客服
  • 扫码咨询
会员Q群
  • 会员专属群点击这里加入QQ群
客服邮箱
回到顶部