电脑桌面
添加小米粒文库到电脑桌面
安装后可以在桌面快捷访问

生产技术科副科长VIP免费

生产技术科副科长_第1页
1/4
生产技术科副科长_第2页
2/4
生产技术科副科长_第3页
3/4
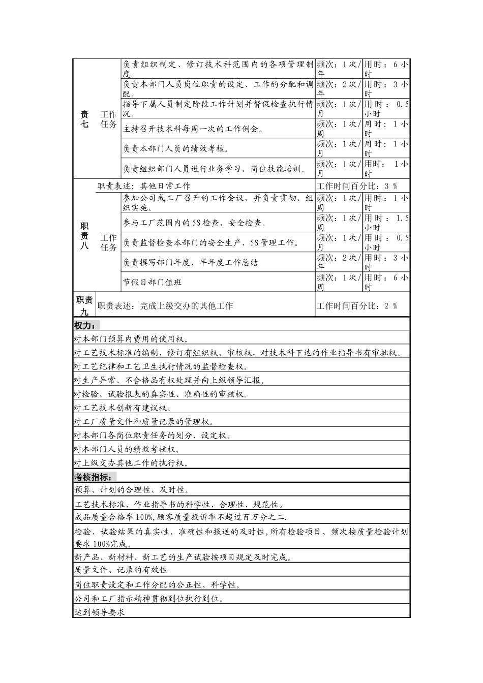
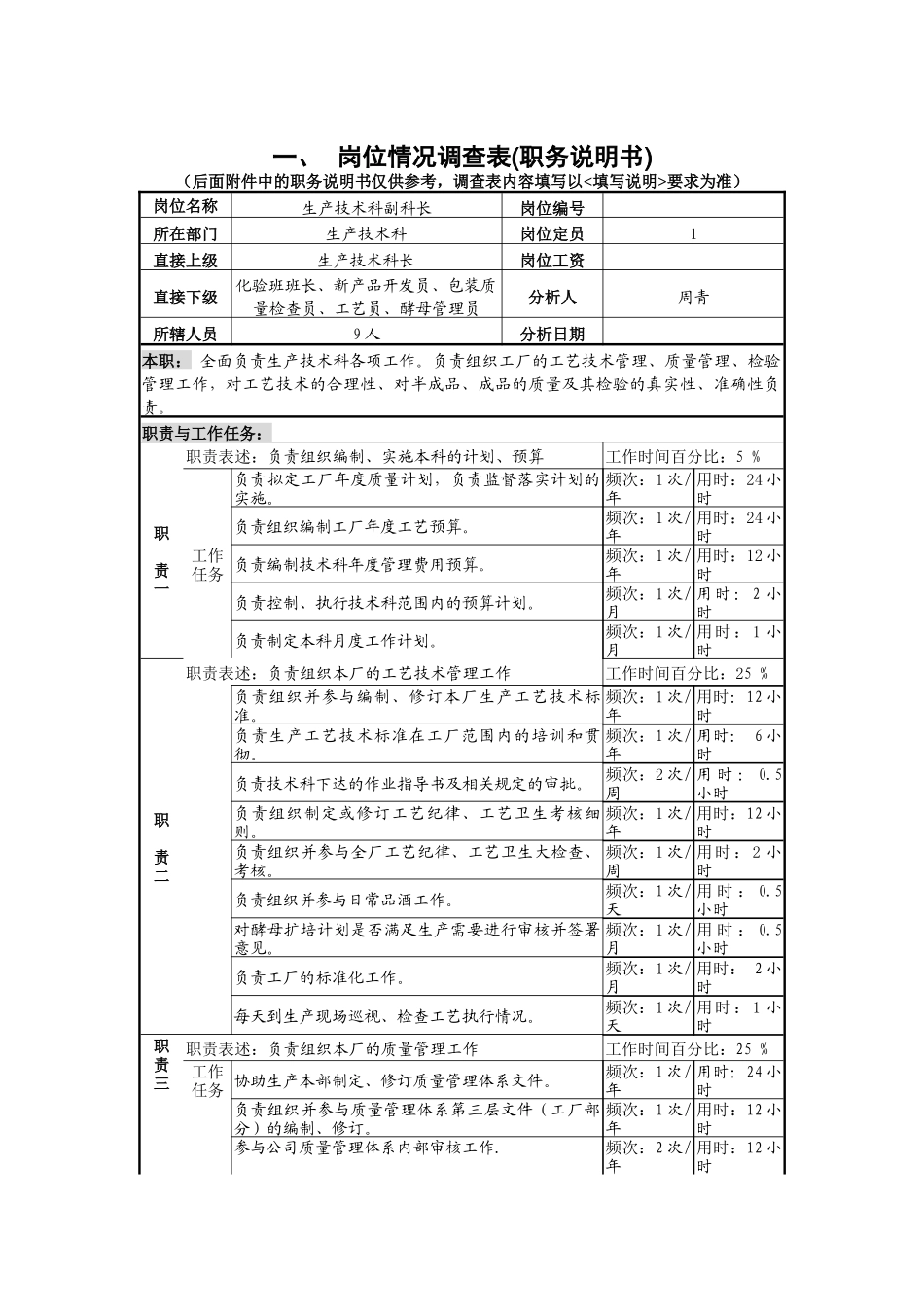
一、岗位情况调查表(职务说明书)(后面附件中的职务说明书仅供参考,调查表内容填写以<填写说明>要求为准)岗位名称生产技术科副科长岗位编号所在部门生产技术科岗位定员1直接上级生产技术科长岗位工资直接下级化验班班长、新产品开发员、包装质量检查员、工艺员、酵母管理员分析人周青所辖人员9人分析日期本职:全面负责生产技术科各项工作。负责组织工厂的工艺技术管理、质量管理、检验管理工作,对工艺技术的合理性、对半成品、成品的质量及其检验的真实性、准确性负责。职责与工作任务:职责一职责表述:负责组织编制、实施本科的计划、预算工作时间百分比:5%工作任务负责拟定工厂年度质量计划,负责监督落实计划的实施。频次:1次/年用时:24小时负责组织编制工厂年度工艺预算。频次:1次/年用时:24小时负责编制技术科年度管理费用预算。频次:1次/年用时:12小时负责控制、执行技术科范围内的预算计划。频次:1次/月用时:2小时负责制定本科月度工作计划。频次:1次/月用时:1小时职责二职责表述:负责组织本厂的工艺技术管理工作工作时间百分比:25%负责组织并参与编制、修订本厂生产工艺技术标准。频次:1次/年用时:12小时负责生产工艺技术标准在工厂范围内的培训和贯彻。频次:1次/年用时:6小时负责技术科下达的作业指导书及相关规定的审批。频次:2次/周用时:0.5小时负责组织制定或修订工艺纪律、工艺卫生考核细则。频次:1次/年用时:12小时负责组织并参与全厂工艺纪律、工艺卫生大检查、考核。频次:1次/周用时:2小时负责组织并参与日常品酒工作。频次:1次/天用时:0.5小时对酵母扩培计划是否满足生产需要进行审核并签署意见。频次:1次/月用时:0.5小时负责工厂的标准化工作。频次:1次/月用时:2小时每天到生产现场巡视、检查工艺执行情况。频次:1次/天用时:1小时职责三职责表述:负责组织本厂的质量管理工作工作时间百分比:25%工作任务协助生产本部制定、修订质量管理体系文件。频次:1次/年用时:24小时负责组织并参与质量管理体系第三层文件(工厂部分)的编制、修订。频次:1次/年用时:12小时参与公司质量管理体系内部审核工作.频次:2次/年用时:12小时负责组织本厂质量管理体系内部审核工作,对部门不合格项组织整改。频次:2次/年用时:18小时负责组织测量、考核工厂各部门质量目标的完成情况。频次:1次/季用时:3小时负责《QC工程表》、《作业日志》的审核。频次:1次/年用时:6小时负责组织工厂每月一次的QC工程报告会,并形成会议纪要。频次:1次/月用时:3小时负责QC工程报告会的工厂月度质量分析。频次:1次/月用时:5小时负责工厂成品质量保证书的核实、签字。频次:1次/天用时:0.5小时负责对生产过程的半成品、成品质量的监督、检查频次:1次/天用时:0.5小时负责组织对生产过程“异常”、不合格产品和用户投诉迅速进行分析、处置,并采取有效的纠正和预防措施。频次:1次/月用时:3小时负责重大质量事故的原因调查。频次:1次/年用时:8小时负责督导本部门各岗位的质量职责正常执行频次:1次/天用时:0.5小时职责四职责表述:负责组织本厂的检验管理工作工作时间百分比:20%工作任务负责制定修订工厂质量检验计划。频次:1次/年用时:12小时负责检查、落实本部门质量检验计划的实施情况。频次:1次/年用时:3小时负责对原料、辅料、半成品、成品、包装材料的检验、试验结果的真实性、准确性进行核实、签字。频次:1次/天用时:1小时负责组织制定本科范围内的各项检验、试验操作规程。频次:2次/年用时:12小时负责督导本部门的检验、试验仪器、仪表的维护保养和定期校准工作。频次:1次/月用时:2小时负责对车间经济责任制规定质量指标的考核。频次:1次/月用时:1小时职责五职责表述:负责组织新材料、新工艺、新产品的生产试验工作时间百分比:10%工作任务组织讨论试验方案并拿出主导意见。频次:1次/季用时:24小时协调工厂有关部门安排投料生产。频次:1次/季用时:6小时组织安排试验过程数据的跟踪检测、记录。频次:1次/季用时:3小时组织成品的品评鉴定。频次:1次/季用时:12小时指导完成试验报告频次:1次/季用时:15小时职责六...

1、当您付费下载文档后,您只拥有了使用权限,并不意味着购买了版权,文档只能用于自身使用,不得用于其他商业用途(如 [转卖]进行直接盈利或[编辑后售卖]进行间接盈利)。
2、本站所有内容均由合作方或网友上传,本站不对文档的完整性、权威性及其观点立场正确性做任何保证或承诺!文档内容仅供研究参考,付费前请自行鉴别。
3、如文档内容存在违规,或者侵犯商业秘密、侵犯著作权等,请点击“违规举报”。

碎片内容

生产技术科副科长

您可能关注的文档

确认删除?
VIP
微信客服
  • 扫码咨询
会员Q群
  • 会员专属群点击这里加入QQ群
客服邮箱
回到顶部