电脑桌面
添加小米粒文库到电脑桌面
安装后可以在桌面快捷访问

广州市环试仪器设备有限公司VIP免费

广州市环试仪器设备有限公司_第1页
1/10
广州市环试仪器设备有限公司_第2页
2/10
广州市环试仪器设备有限公司_第3页
3/10
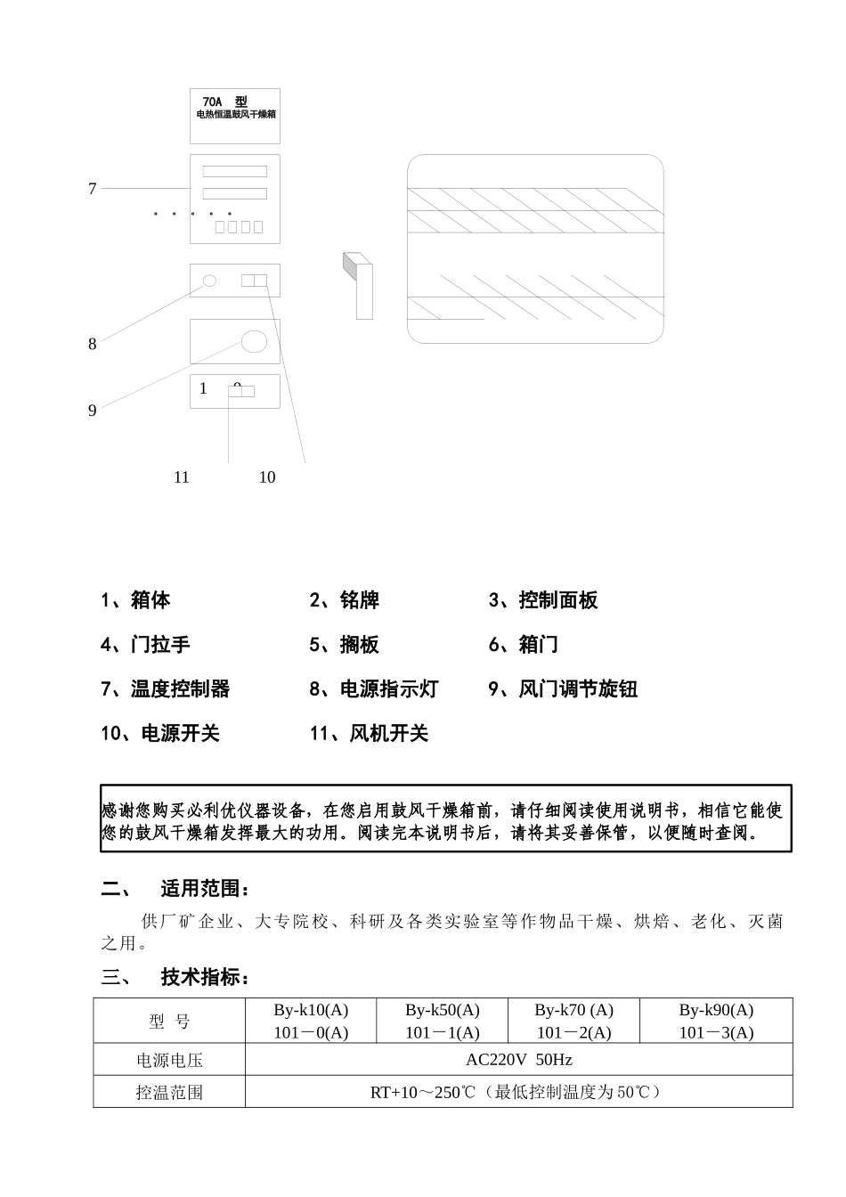
电热恒温鼓风干燥箱(智能型带定时)深圳市必利优检测技术有限公司ShenzhenTechnologyCo.,Ltd.willfacilitateoptimaldetection使用说明书BY---K10A型BY---(K)台式系列目录一、示意图……………………………………………………………2二、适用范围…………………………………………………………3三、技术指标…………………………………………………………3四、结构概述…………………………………………………………3五、操作步骤…………………………………………………………4六、智能型温度控制器使用说明……………………………………4七、注意事项…………………………………………………………8八、故障处理…………………………………………………………8九、装箱单……………………………………………………………10一、示意图:1234567。。。。。810911101、箱体2、铭牌3、控制面板4、门拉手5、搁板6、箱门7、温度控制器8、电源指示灯9、风门调节旋钮10、电源开关11、风机开关感谢您购买必利优仪器设备,在您启用鼓风干燥箱前,请仔细阅读使用说明书,相信它能使您的鼓风干燥箱发挥最大的功用。阅读完本说明书后,请将其妥善保管,以便随时查阅。二、适用范围:供厂矿企业、大专院校、科研及各类实验室等作物品干燥、烘焙、老化、灭菌之用。三、技术指标:型号By-k10(A)101-0(A)By-k50(A)101-1(A)By-k70(A)101-2(A)By-k90(A)101-3(A)电源电压AC220V50Hz控温范围RT+10~250℃(最低控制温度为50℃)70A型电热恒温鼓风干燥箱恒温波动度±1℃温度分辨率0.1℃额定功率870W1570W2070W2470W内胆尺寸(mm)340×325×325450×400×450550×440×550600×600×650外形尺寸(mm)630×540×490735×610×630830×630×730880×790×820注:带“A”为镜面不锈钢内胆,不带“A”为镀锌板。型号By-k10ABy-k50ABy-k60ABy-k70ABy-k90A电源电压AC220V50Hz控温范围RT+10~300℃(最低控制温度为50℃)恒温波动度±1℃温度分辨率0.1℃额定功率870W1120W1570W2070W2470W内胆尺寸(mm)340×325×325420×395×350450×400×450550×440×550600×600×650外形尺寸(mm)630×540×490705×610×520735×610×630830×630×730880×790×820上表中技术参数的测试条件:环境温度25℃、相对湿度不大于85%RH、无试样负荷。测试工具:精度为0.1℃的标准水银温度计(水银头位于工作室内几何中心)四、结构概述:byk系列台式鼓风干燥箱是系列产品,容积有30、50、70、140、240升五种规格。干燥箱外壳体均采用优质钢板表面烘漆,工作室采用一般镀锌钢板或镜面不锈钢板,工作室内配有两层不锈钢丝制成的搁板,中间层充填超细玻璃棉隔热。箱门上采用双层钢化玻璃作为观察窗,能清晰观察到箱内物品。工作室与箱门连接处装有耐热硅橡胶密封圈,以保证工作室与箱门之间密封。干燥箱电源开关、电源指示灯、风门调节旋钮、控温仪等操作件均集中于箱体前面的控制面板处,位于箱体的左前侧。箱内加热恒温系统主要由装有离心式叶轮的电动机、电加热器、合理的风道结构和温度控制器组成。当接通干燥箱电源,并打开风机开关时,电动机即运转,直接将位于箱内后部的电加热器产生的热量通过风道向上排出,经过工作室内干燥物品再吸入风机,以此不断循环,从而使工作室内温度达到均匀。智能型温度控制器,具有自动风速调节功能,在升温过程中,电动机高速运行,温度接近恒定时,自动调整为低速运行,从而降低由于风速过快所造成的使用问题。用户也可以通过简单的操作,取消此功能。风门调节器能通过开启风门调节旋钮,调节箱内进出空气量。五、操作步骤:1.把需干燥处理的物品放入干燥箱内,关好箱门。2.根据被干燥物品的潮湿程度将风门调节旋钮调到“MIN”或“MAX”处。3.打开电源开关,电源指示灯亮,温度控制器有显示。4.打开风机开关,风机按要求自动运行。5.设定温度控制器,设备即按设定的要求自动运行。6.干燥结束后,关闭电源开关,取出物品。六、智能型温度控制器使用说明:◆面板说明①PV显示屏②SV显示屏③指示灯①RUN-运行指示HEAT-加热指示②ALM-报警指示HI-高速指示③LOW-低速指示④功能键⑤移位键⑥减键...

1、当您付费下载文档后,您只拥有了使用权限,并不意味着购买了版权,文档只能用于自身使用,不得用于其他商业用途(如 [转卖]进行直接盈利或[编辑后售卖]进行间接盈利)。
2、本站所有内容均由合作方或网友上传,本站不对文档的完整性、权威性及其观点立场正确性做任何保证或承诺!文档内容仅供研究参考,付费前请自行鉴别。
3、如文档内容存在违规,或者侵犯商业秘密、侵犯著作权等,请点击“违规举报”。

碎片内容

广州市环试仪器设备有限公司

您可能关注的文档

确认删除?
VIP
微信客服
  • 扫码咨询
会员Q群
  • 会员专属群点击这里加入QQ群
客服邮箱
回到顶部