电脑桌面
添加小米粒文库到电脑桌面
安装后可以在桌面快捷访问

钢结构防火涂料应用技术规范_CECS24∶90[1]VIP免费

钢结构防火涂料应用技术规范_CECS24∶90[1]_第1页
1/11
钢结构防火涂料应用技术规范_CECS24∶90[1]_第2页
2/11
钢结构防火涂料应用技术规范_CECS24∶90[1]_第3页
3/11
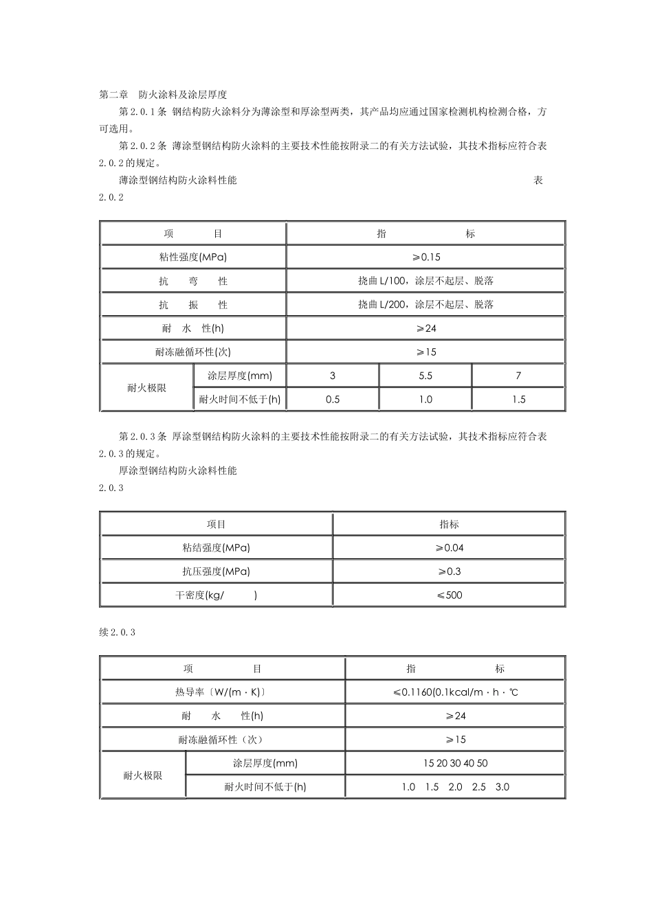
钢结构防火涂料应用技术规范CECS24∶90目录前言第一章总则第二章防火涂料及涂层厚度第三章钢结构防火涂料的施工第一节一般规定第二节质量要求第三节薄涂型钢结构防火涂料施工第四节厚涂型钢结构防火涂料施工第四章工程验收附录一名词解释附录二钢结构防火涂料试验方法附录三钢结构防火涂料施用厚度计算方法附录四钢结构防火涂料涂层厚度测定方法附录五本规范用词说明附加说明主编单位:公安部四川消防科学研究所审查单位:全国工程防火防爆标准技术委员会批准单位:中国工程建设标准化协会批准日期:1990年9月10日前言我国自80年代中期起,随着钢结构建筑业的发展而发展起来的钢结构防火涂料,在工程中推广应用,对于贯彻有关的建筑设计防火规范,提高钢结构的耐火极限,减少火灾损失,取得了显著效果。为了统一钢结构防火涂料涂层设计、施工方法和质量标准等应用技术要求,保证应用效果,确保防火安全,特制订本规范。本规范的编制,遵照国家工程建设的有关方针政策和“预防为主、防消结合”的消防工作方针,调查研究了我国钢结构火灾的特点,总结了防火涂料保护钢结构的实践经验,并吸收国内外先进技术和钢结构防火涂料科研成果,反复征求有关科研设计、生产施工、高等院校、公安消防和建设等单位与专家的意见,经全国工程防火防爆标准技术委员会审查定稿。现批准《钢结构防火涂料应用技术规范》为中国工程建设标准化协会标准,编号为CECS24∶90,并推荐给各工程建设有关单位使用。在使用过程中如发现需要修改补充之处,请将意见及有关资料寄交四川省都江堰市公安部四川消防科学研究所转全国工程防火防爆标准技术委员会(邮政编码:611830)。中国工程建设标准化协会1990年9月10日第一章总则第1.0.1条为贯彻实施国家的有关建筑防火规范,使用防火涂料保护钢结构,提高其耐火极限,做到安全可靠、技术先进、经济合理,特制订本规范。第1.0.2条本规范适用于建筑物及构筑物钢结构防火保护涂层的设计、施工和验收。第1.0.3条钢结构防火涂料的应用,除遵守本规范外,尚应遵守国家有关防火规范及其他现行规定。第二章防火涂料及涂层厚度第2.0.1条钢结构防火涂料分为薄涂型和厚涂型两类,其产品均应通过国家检测机构检测合格,方可选用。第2.0.2条薄涂型钢结构防火涂料的主要技术性能按附录二的有关方法试验,其技术指标应符合表2.0.2的规定。薄涂型钢结构防火涂料性能表2.0.2项目指标粘性强度(MPa)≥0.15抗弯性挠曲L/100,涂层不起层、脱落抗振性挠曲L/200,涂层不起层、脱落耐水性(h)≥24耐冻融循环性(次)≥15耐火极限涂层厚度(mm)35.57耐火时间不低于(h)0.51.01.5第2.0.3条厚涂型钢结构防火涂料的主要技术性能按附录二的有关方法试验,其技术指标应符合表2.0.3的规定。厚涂型钢结构防火涂料性能2.0.3项目指标粘结强度(MPa)≥0.04抗压强度(MPa)≥0.3干密度(kg/)≤500续2.0.3项目指标热导率〔W/(m·K)〕≤0.1160(0.1kcal/m·h·℃耐水性(h)≥24耐冻融循环性(次)≥15耐火极限涂层厚度(mm)1520304050耐火时间不低于(h)1.01.52.02.53.0第2.0.4条采用钢结构防火涂料时,应符合下列规定:一、室内裸露钢结构、轻型屋盖钢结构及有装饰要求的钢结构,当规定其耐火极限在1.5h及以下时,宜选用薄涂型钢结构防火涂料。二、室内隐蔽钢结构、高层全钢结构及多层厂房钢结构,当规定其耐火极限在1.5h以上时,应选用厚涂型钢结构防火涂料。三、露天钢结构,应选用适合室外用的钢结构防火涂料。第2.0.5条用于保护钢结构的防火涂料应不含石棉,不用苯类溶剂,在施工干燥后应没有刺激性气味;不腐蚀钢材,在预定的使用期内须保持其性能。第2.0.6条钢结构防火涂料的涂层厚度,可按下列原则之一确定:一、按照有关规范对钢结构不同构件耐火极限的要求,根据标准耐火试验数据选定相应的涂层厚度。二、根据标准耐火试验数据,参照本规范附录三计算确定涂层的厚度。第2.0.7条施加给钢结构的涂层质量,应计算在结构荷载内,不得超过允许范围。第2.0.8条保护裸露钢结构以及露天钢结构的防火涂层,应规定出外观平整度和颜色装饰要求。第2.0.9条钢结构构件的防火喷涂保护方式,宜按图0.90选用。图2.0.9钢结构防火保...

1、当您付费下载文档后,您只拥有了使用权限,并不意味着购买了版权,文档只能用于自身使用,不得用于其他商业用途(如 [转卖]进行直接盈利或[编辑后售卖]进行间接盈利)。
2、本站所有内容均由合作方或网友上传,本站不对文档的完整性、权威性及其观点立场正确性做任何保证或承诺!文档内容仅供研究参考,付费前请自行鉴别。
3、如文档内容存在违规,或者侵犯商业秘密、侵犯著作权等,请点击“违规举报”。

碎片内容

钢结构防火涂料应用技术规范_CECS24∶90[1]

状元书阁+ 关注
实名认证
内容提供者

爱好英语教学和互联网行业,热爱教育事业,兢兢业业

确认删除?
VIP
微信客服
  • 扫码咨询
会员Q群
  • 会员专属群点击这里加入QQ群
客服邮箱
回到顶部