电脑桌面
添加小米粒文库到电脑桌面
安装后可以在桌面快捷访问

A32材料(构配件)、设备进场使用报验单0水VIP免费

A32材料(构配件)、设备进场使用报验单0水_第1页
1/40
A32材料(构配件)、设备进场使用报验单0水_第2页
2/40
A32材料(构配件)、设备进场使用报验单0水_第3页
3/40
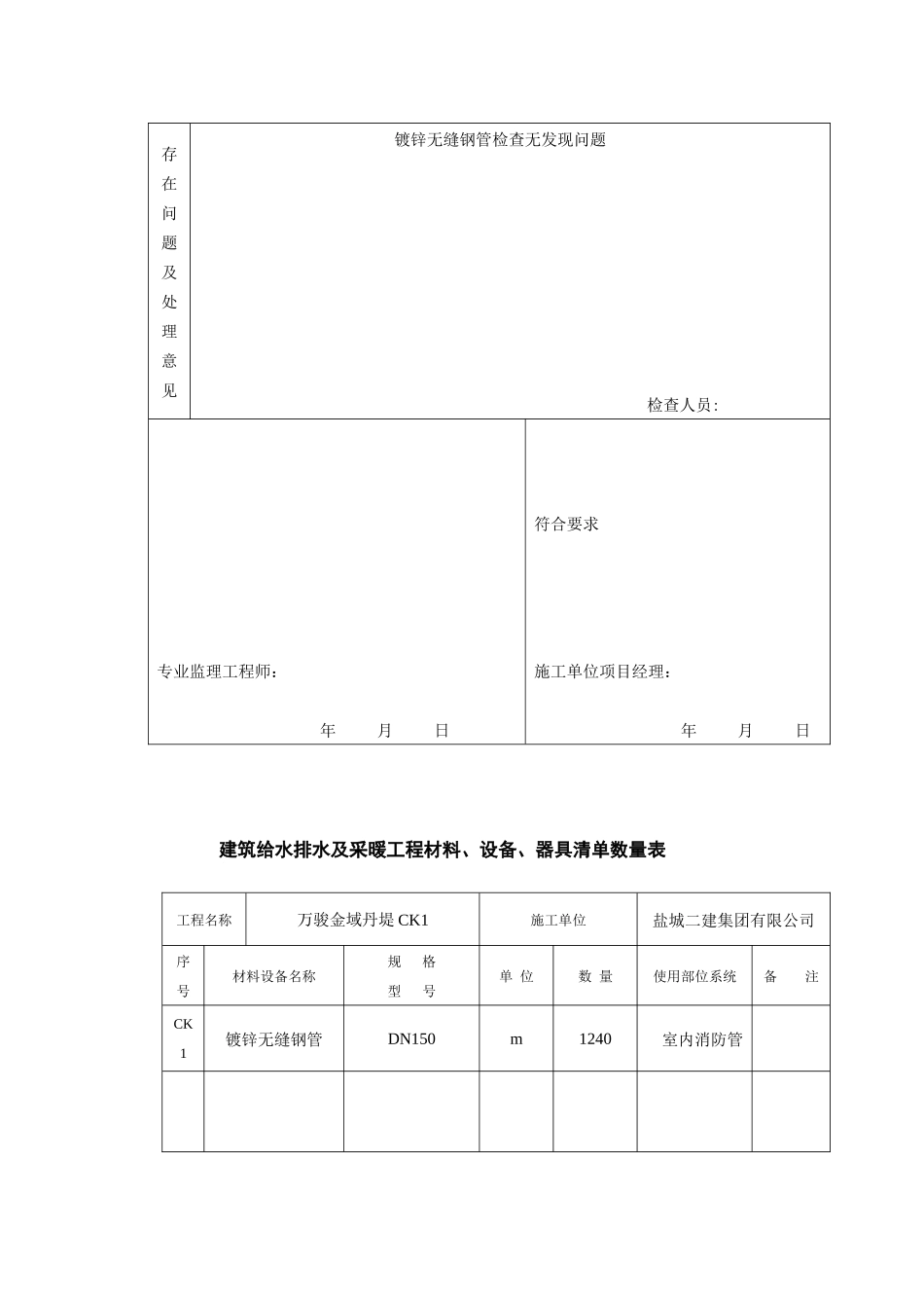
AA3.33.3材料材料((构配件构配件))、、设备进场使用报验单设备进场使用报验单工程名称:万骏金域丹堤CK1编号:A3.3致:江苏阳湖建设项目管理有限公司(监理单位)兹报验:1材料进场使用。□2构配件进场使用。□3工程设备进场使用/开箱检查。□4名称:镀锌无缝钢管采购单位:盐城二建集团有限公司拟用部位:消防管道安装地点:工地现场附件(共页):清单(如名称、产地、规格、数量等)、样品。出厂合格证、质保书、准用证。□检测报告、复试报告。□其它有关文件。本次报验内容系第1次报验,届时本项目经理部已完成自检工作且资料完整,并呈报相应资料。承包单位项目经理部(章):项目经理:日期:项目监理机构签收人姓名及时间承包单位签收人姓名及时间监理审查意见:□同意。□不同意。项目监理机构(章):专业监理工程师:日期:注:1、承包单位项目经理部应提前提出本报验单,需复试合格才能使用的,应在复试合格后签批。2、大型设备开箱检查设计单位代表应参加。江苏省建设厅监制设备进场验收记录SN2.1建设单位常州万骏置业有限公司施工单位盐城二建集团有限公司工程名称万骏金域丹堤CK1单位(分部)工程消防管道安装设备名称镀锌无缝钢管型号、规格Φ150mm系统编号消防系统装箱单号//设备检查1.包装2.设备外观镀锌无缝钢管表面光滑,镀锌层覆盖均匀,规格、型号符合规范要求。3.设备零部件4.其它技术文件检查1.装箱单份张2.合格证份1张3.说明书份张4.设备图份张5.其它质保书1份存在问题及处理意见镀锌无缝钢管检查无发现问题检查人员:专业监理工程师:年月日符合要求施工单位项目经理:年月日建筑给水排水及采暖工程材料、设备、器具清单数量表工程名称万骏金域丹堤CK1施工单位盐城二建集团有限公司序号材料设备名称规格型号单位数量使用部位系统备注CK1镀锌无缝钢管DN150m1240室内消防管技术负责人:质量检查员:AA3.33.3材料材料((构配件构配件))、、设备进场使用报验单设备进场使用报验单工程名称:万骏金域丹堤7#8#9#10#CK1编号:A3.3致:江苏阳湖建设项目管理有限公司(监理单位)兹报验:1材料进场使用。□2构配件进场使用。□3工程设备进场使用/开箱检查。□4名称:镀锌钢管采购单位:盐城二建集团有限公司拟用部位:消防管道安装地点:工地现场附件(共页):清单(如名称、产地、规格、数量等)、样品。出厂合格证、质保书、准用证。□检测报告、复试报告。□其它有关文件。本次报验内容系第1次报验,届时本项目经理部已完成自检工作且资料完整,并呈报相应资料。承包单位项目经理部(章):项目经理:日期:项目监理机构签收人姓名及时间承包单位签收人姓名及时间监理审查意见:□同意。□不同意。项目监理机构(章):专业监理工程师:日期:注:1、承包单位项目经理部应提前提出本报验单,需复试合格才能使用的,应在复试合格后签批。2、大型设备开箱检查设计单位代表应参加。江苏省建设厅监制设备进场验收记录SN2.1建设单位常州万骏置业有限公司施工单位盐城二建集团有限公司工程名称万骏金域丹堤7#8#9#10#CK1单位(分部)工程消防管道安装设备名称镀锌钢管型号、规格Φ100mm~Φ65mm系统编号消防系统装箱单号//设备检查1.包装2.设备外观镀锌钢管表面光滑,镀锌层覆盖均匀,规格、型号符合规范要求。3.设备零部件4.其它技术文件检查1.装箱单份张2.合格证份1张3.说明书份张4.设备图份张5.其它质保书1份存在问题及处理意见镀锌钢管检查无发现问题检查人员:符合要求专业监理工程师:年月日施工单位项目经理:年月日建筑给水排水及采暖工程材料、设备、器具清单数量表工程名称万骏金域丹堤7#8#9#10#CK1施工单位盐城二建集团有限公司序号材料设备名称规格型号单位数量使用部位系统备注7#镀锌钢管DN100m440室内消防管镀锌钢管DN80m60室内消防管镀锌钢管DN70m60室内消防管8#镀锌钢管DN100m440室内消防管镀锌钢管DN80m60室内消防管镀锌钢管DN70m60室内消防管9#镀锌钢管DN100m440室内消防管镀锌钢管DN80m60室内消防管镀锌钢管DN70m60室内消防管10#镀锌钢管DN100m440室内消防管镀锌钢管DN80m60室内消防管镀锌钢管DN70m60室内消防管技术负责人:质量检查员:...

1、当您付费下载文档后,您只拥有了使用权限,并不意味着购买了版权,文档只能用于自身使用,不得用于其他商业用途(如 [转卖]进行直接盈利或[编辑后售卖]进行间接盈利)。
2、本站所有内容均由合作方或网友上传,本站不对文档的完整性、权威性及其观点立场正确性做任何保证或承诺!文档内容仅供研究参考,付费前请自行鉴别。
3、如文档内容存在违规,或者侵犯商业秘密、侵犯著作权等,请点击“违规举报”。

碎片内容

A32材料(构配件)、设备进场使用报验单0水

确认删除?
VIP
微信客服
  • 扫码咨询
会员Q群
  • 会员专属群点击这里加入QQ群
客服邮箱
回到顶部