电脑桌面
添加小米粒文库到电脑桌面
安装后可以在桌面快捷访问

铁路施工作业指导书范本—沉降监测作业指导书VIP免费

铁路施工作业指导书范本—沉降监测作业指导书_第1页
1/71
铁路施工作业指导书范本—沉降监测作业指导书_第2页
2/71
铁路施工作业指导书范本—沉降监测作业指导书_第3页
3/71
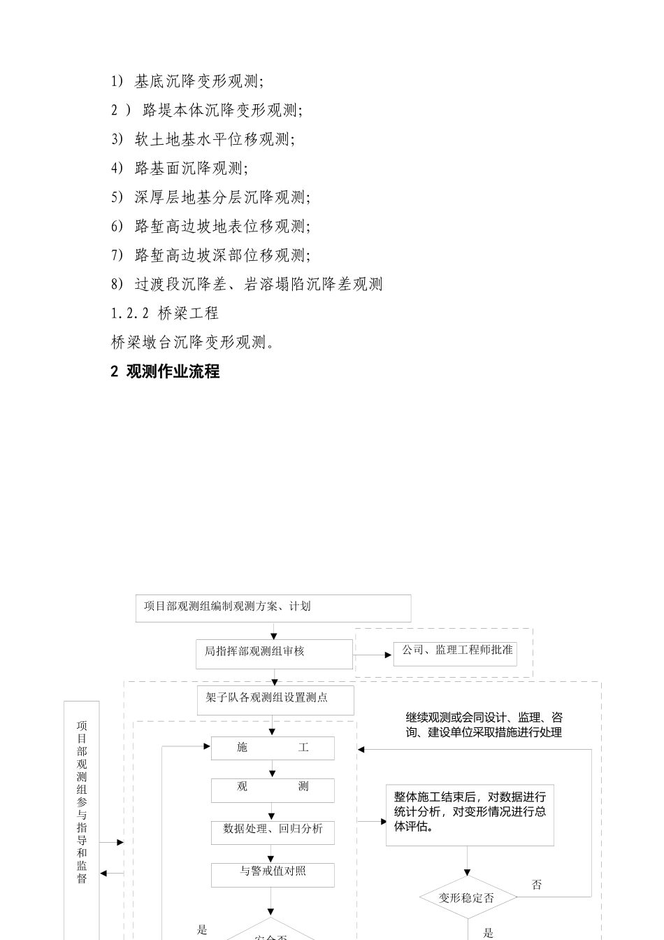
铁路施工作业指导书范本—沉降变形观测作业指导书1说明成绵乐客运专线各种结构物(路基、桥涵)工后沉降控制精度、系统的监测以及系统的评价,是成绵乐客运专线无碴轨道施工成败的关键。客运专线无碴轨道路基作为变形控制十分严格的土工构筑物,综合考虑路基填高的差异,地基土成因类型、地层结构的复杂性,地基沉降估算的复杂性和精度控制的难度,工后沉降控制标准以及有效控制工后沉降的艰巨性等,在施工过程中要求对全段路基进行沉降变形动态监测系统设计。在路堑基床和路堤基底、填筑层中、路基面布置监测点构筑纵横向立体监测网络,并在施工期间进行系统的沉降监测与系统的分析评估,以保证工后沉降量满足无碴轨道对路基工后沉降的特殊要求。为了保证路基施工按照公司要求对路基沉降变形观测系统的实施,在无碴轨道施工前提供合格的监测数据便于对路基的工后沉降进行正确的评估,在进行变形观测系统实施时,要保证各种元器件按照要求进行埋设并保证功能正常,采集正确的能反应实际情况的沉降数据,因此制定本作业指导书。1.1编制依据(1)《客运专线铁路无砟轨道铺设条件评估技术指南》(铁建设[2006]158号);(2)《客运专线铁路无砟轨道测量技术暂行规定》(铁建设[2006]189号);(3)《国家一、二等水准测量规范》(GB12897—2006);(4)《建筑沉降变形测量规程》(JGJ/T8-2007);(5)《铁路客运专线竣工验收暂行办法》(铁建设[2007]183号);(6)《客运专线无砟轨道铁路施工技术指南》(TZ216-2007);(7)《客运专线无砟轨道铁路设计指南》(铁建设函[2005]754号);(8)成绵乐城际客运专线铁路工程设计文件;(9)铁道部有关规定。1.2观测项目1.2.1路基工程施工观测数据处理、回归分析与警戒值对照安全否是公司、监理工程师批准项目部观测组编制观测方案、计划局指挥部观测组审核架子队各观测组设置测点整体施工结束后,对数据进行统计分析,对变形情况进行总体评估。变形稳定否否是继续观测或会同设计、监理、咨询、建设单位采取措施进行处理项目部观测组参与指导和监督1)基底沉降变形观测;2)路堤本体沉降变形观测;3)软土地基水平位移观测;4)路基面沉降观测;5)深厚层地基分层沉降观测;6)路堑高边坡地表位移观测;7)路堑高边坡深部位移观测;8)过渡段沉降差、岩溶塌陷沉降差观测1.2.2桥梁工程桥梁墩台沉降变形观测。2观测作业流程3观测断面设置路基沉降变形观测应严格按照设计文件要求设置,选择相应的断面形式,观测断面沿线路方向的间距一般为30~50m,应根据观测断面处的地形、地质特征及填筑材料选配并埋设相应的观测元件,具体按设计要求布置,过渡段和地形、地质条件变化大的地段适当加密。4沉降变形测量4.0.1成绵乐城际客专CMLZQ-2标第一项目部线下工程沉降变形观测工作以桥梁、路基等建(构)筑物的垂直位移观测为主,水平位移监测根据路基(含过渡段)、桥涵工点设计图纸而确定。4.0.2沉降与变形观测的高程系统应采用1985国家高程基准。4.0.3结构物的变形监测应建立独立的变形监测网,覆盖范围一般不宜小于4公里,基准点选择应优先考虑利用CPI、CPII和水准基点。4.0.4结构物的变形监测应充分利用CPI、CPII和水准基点作为水平和垂直位移监测的工作基点。4.0.5用全球卫星定位系统(GPS)测量时,应符合铁道部现行全球卫星定位系统铁路工程测量技术的有关规定。4.1测量等级及精度要求4.1.1根据成绵乐变形监测实施细则要求,沉降变形测量按沉降观测三等精度标准执行,对于技术特别复杂工点,可根据需要按沉降观测二等的规定执行。表4.1.1测量等级及精度要求沉降变形测量等级垂直位移测量水平位移观测沉降变形点的高程中误差(mm)相邻沉降变形点的高程中误差(mm)沉降变形点点位中误差(mm)二等±0.5±0.3±3.0三等±1.0±0.5±6.04.2变形监测网技术要求4.2.1垂直位移监测网建网方式线下工程垂直位移监测一般按沉降变形等级三等的要求(相当于国家二等水准测量)施测,根据沉降变形测量精度要求高的特点,以及标志的作用和要求不同,垂直位移监测网用分级布网等精度观测逐级控制的方法布设。对于技术特别复杂、垂直位移监测沉降变形测量等级要求二等及以上的重要桥...

1、当您付费下载文档后,您只拥有了使用权限,并不意味着购买了版权,文档只能用于自身使用,不得用于其他商业用途(如 [转卖]进行直接盈利或[编辑后售卖]进行间接盈利)。
2、本站所有内容均由合作方或网友上传,本站不对文档的完整性、权威性及其观点立场正确性做任何保证或承诺!文档内容仅供研究参考,付费前请自行鉴别。
3、如文档内容存在违规,或者侵犯商业秘密、侵犯著作权等,请点击“违规举报”。

碎片内容

铁路施工作业指导书范本—沉降监测作业指导书

您可能关注的文档

确认删除?
VIP
微信客服
  • 扫码咨询
会员Q群
  • 会员专属群点击这里加入QQ群
客服邮箱
回到顶部