电脑桌面
添加小米粒文库到电脑桌面
安装后可以在桌面快捷访问

船舶管系通用工艺VIP免费

船舶管系通用工艺_第1页
1/28
船舶管系通用工艺_第2页
2/28
船舶管系通用工艺_第3页
3/28
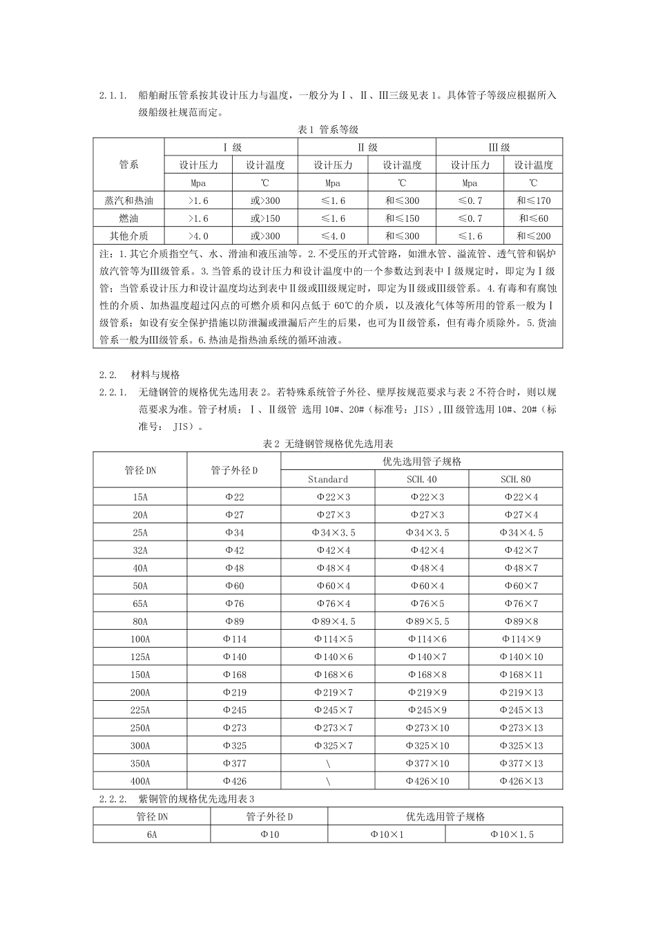
钢质船舶管系通用工艺(厂标)南京蛟龙船舶有限公司技术部编制目录(1)总则----------------------------------------------3(2)管子等级、材料与规格------------------------------3(3)管子布置原则与要求--------------------------------5(4)管子的加工技术要求--------------------------------7(5)管子的连接形式和要求-----------------------------12(6)管路安装-----------------------------------------18(7)管子通过船体结构的安装要求-----------------------20(8)管子支架-----------------------------------------24(9)管子试验-----------------------------------------31附管路垫片使用表-------------------------------------331总则1.1.为了缩短船舶船台建造周期,确保船舶管系制作安装的可靠性、准确性、结合本公司实际施工状况特制定本工艺。1.2.本工艺适用于我公司船舶设计的管系设计和管子加工、布置、安装。对有特殊要求的管子加工、安装以图纸要求为准或另编单船专用工艺。1.3.本工艺规定了船舶管系加工、布置、安装要求及检验规则。1.4.本工艺是南京蛟龙船舶有限公司企业标准,其内容与规范或设备资料有矛盾时,应按规范或设备资料要求执行。2.管子等级、材料与规格2.1.管系等级2.1.1.船舶耐压管系按其设计压力与温度,一般分为Ⅰ、Ⅱ、Ⅲ三级见表1。具体管子等级应根据所入级船级社规范而定。表1管系等级管系Ⅰ级Ⅱ级Ⅲ级设计压力设计温度设计压力设计温度设计压力设计温度Mpa℃Mpa℃Mpa℃蒸汽和热油>1.6或>300≤1.6和≤300≤0.7和≤170燃油>1.6或>150≤1.6和≤150≤0.7和≤60其他介质>4.0或>300≤4.0和≤300≤1.6和≤200注:1.其它介质指空气、水、滑油和液压油等。2.不受压的开式管路,如泄水管、溢流管、透气管和锅炉放汽管等为Ⅲ级管系。3.当管系的设计压力和设计温度中的一个参数达到表中Ⅰ级规定时,即定为Ⅰ级管;当管系设计压力和设计温度均达到表中Ⅱ级或Ⅲ级规定时,即定为Ⅱ级或Ⅲ级管系。4.有毒和有腐蚀性的介质、加热温度超过闪点的可燃介质和闪点低于60℃的介质,以及液化气体等所用的管系一般为Ⅰ级管系;如设有安全保护措施以防泄漏或泄漏后产生的后果,也可为Ⅱ级管系,但有毒介质除外。5.货油管系一般为Ⅲ级管系。6.热油是指热油系统的循环油液。2.2.材料与规格2.2.1.无缝钢管的规格优先选用表2。若特殊系统管子外径、壁厚按规范要求与表2不符合时,则以规范要求为准。管子材质:Ⅰ、Ⅱ级管选用10#、20#(标准号:JIS),Ⅲ级管选用10#、20#(标准号:JIS)。表2无缝钢管规格优先选用表管径DN管子外径D优先选用管子规格StandardSCH.40SCH.8015AΦ22Φ22×3Φ22×3Φ22×420AΦ27Φ27×3Φ27×3Φ27×425AΦ34Φ34×3.5Φ34×3.5Φ34×4.532AΦ42Φ42×4Φ42×4Φ42×740AΦ48Φ48×4Φ48×4Φ48×750AΦ60Φ60×4Φ60×4Φ60×765AΦ76Φ76×4Φ76×5Φ76×780AΦ89Φ89×4.5Φ89×5.5Φ89×8100AΦ114Φ114×5Φ114×6Φ114×9125AΦ140Φ140×6Φ140×7Φ140×10150AΦ168Φ168×6Φ168×8Φ168×11200AΦ219Φ219×7Φ219×9Φ219×13225AΦ245Φ245×7Φ245×9Φ245×13250AΦ273Φ273×7Φ273×10Φ273×13300AΦ325Φ325×7Φ325×10Φ325×13350AΦ377\Φ377×10Φ377×13400AΦ426\Φ426×10Φ426×132.2.2.紫铜管的规格优先选用表3管径DN管子外径D优先选用管子规格6AΦ10Φ10×1Φ10×1.510AΦ14Φ14×2\15AΦ22Φ22×2\20AΦ27Φ27×2Φ27×2.525AΦ34Φ34×2Φ34×2.532AΦ42Φ42×2.5Φ42×340AΦ48Φ48×2.5Φ48×3.52.2.3.到船厂的各种管材必须具有制造厂质量保证书,Ⅰ级和Ⅱ级管子(根据规范)应具有船检书及制造生产批号,并按管子的材料、级别、规格、分类妥善保管。2.2.4.管子入库前,应对管材内外表面质量进行检查。无缝钢管内外表面不得有裂缝、裂纹、折叠、结疤、轧折、分层等缺陷存在,如有上述缺陷应予清除,清除部位的壁厚减薄量不得超过材料允许的负偏差;有缝钢管内外表面不允许存在由于焊接引起的裂纹、咬口、飞溅、凹陷;有色金属管子表面光滑清洁,不应有针孔、裂缝、气泡、离层、锈蚀等缺陷。2.2.5.定...

1、当您付费下载文档后,您只拥有了使用权限,并不意味着购买了版权,文档只能用于自身使用,不得用于其他商业用途(如 [转卖]进行直接盈利或[编辑后售卖]进行间接盈利)。
2、本站所有内容均由合作方或网友上传,本站不对文档的完整性、权威性及其观点立场正确性做任何保证或承诺!文档内容仅供研究参考,付费前请自行鉴别。
3、如文档内容存在违规,或者侵犯商业秘密、侵犯著作权等,请点击“违规举报”。

碎片内容

船舶管系通用工艺

确认删除?
VIP
微信客服
  • 扫码咨询
会员Q群
  • 会员专属群点击这里加入QQ群
客服邮箱
回到顶部