电脑桌面
添加小米粒文库到电脑桌面
安装后可以在桌面快捷访问

打印版施工作业票VIP专享VIP免费

打印版施工作业票_第1页
1/67
打印版施工作业票_第2页
2/67
打印版施工作业票_第3页
3/67
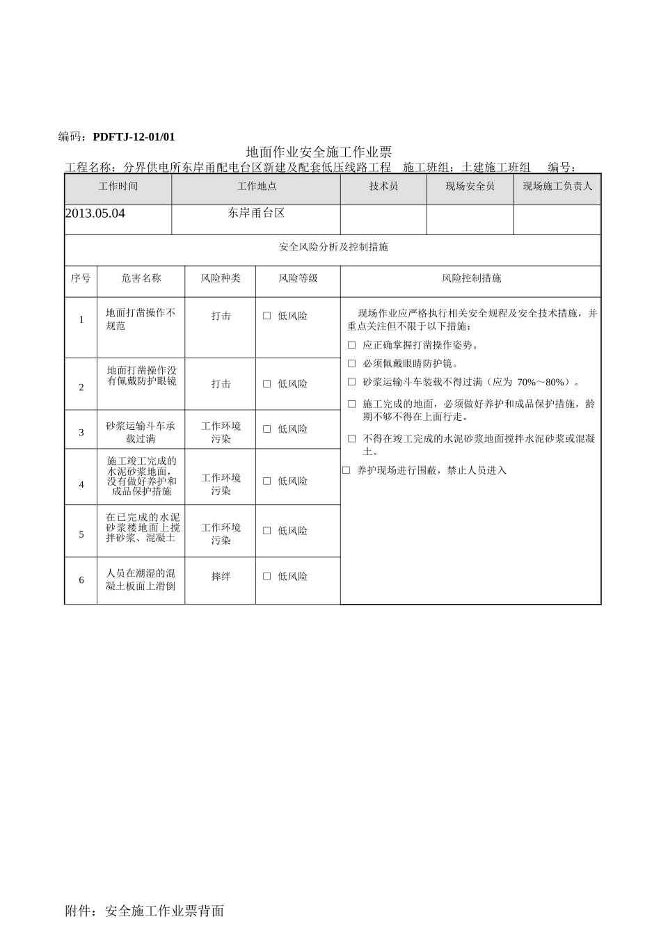
编码:PDFTJ-12-01/01地面作业安全施工作业票工程名称:分界供电所东岸甬配电台区新建及配套低压线路工程施工班组:土建施工班组编号:工作时间工作地点技术员现场安全员现场施工负责人2013.05.04东岸甬台区安全风险分析及控制措施序号危害名称风险种类风险等级风险控制措施1地面打凿操作不规范打击□低风险现场作业应严格执行相关安全规程及安全技术措施,并重点关注但不限于以下措施:□应正确掌握打凿操作姿势。□必须佩戴眼睛防护镜。□砂浆运输斗车装载不得过满(应为70%~80%)。□施工完成的地面,必须做好养护和成品保护措施,龄期不够不得在上面行走。□不得在竣工完成的水泥砂浆地面搅拌水泥砂浆或混凝土。□养护现场进行围蔽,禁止人员进入2地面打凿操作没有佩戴防护眼镜打击□低风险3砂浆运输斗车承载过满工作环境污染□低风险4施工竣工完成的水泥砂浆地面,没有做好养护和成品保护措施工作环境污染□低风险5在已完成的水泥砂浆楼地面上搅拌砂浆、混凝土工作环境污染□低风险6人员在潮湿的混凝土板面上滑倒摔绊□低风险附件:安全施工作业票背面安全补充事项/平面布置图现场接受交底人员签名备注说明:(一)本票由现场技术员填写,现场安全员审核,现场负责人签发生效。现场负责人开工前核对风险控制措施并宣读。(二)工作内容、地点、安全措施不变时本票最长可使用十天,否则应重新办票,用后上交备查;当人员发生变更时,应在备注栏记录变更情况。对新增人员进行交底,并签名确认。(三)应根据现场条件、范围和环境,补充安全事项或平面布置图。(四)当风险等级与基准风险等级不一致时,项目部应组织相关人员重新进行风险评估并制定措施。(五)基准风险等级与风险控制措施在开工前现场打“√”。(六)签名不齐全(含代签名的)均作废票处理。编码:PDFTJ-07-01/01砌筑作业安全施工作业票工程名称:分界供电所东岸甬配电台区新建及配套低压线路工程施工班组:土建施工班组编号:工作时间工作地点技术员现场安全员现场施工负责人2013.05.11东岸甬台区安全风险分析及控制措施序号危害名称风险种类风险等级风险控制措施1不规范使用梯子坠落□中等风险现场作业应严格执行相关安全规程及安全技术措施,并重点关注但不限于以下措施:□临边柱上弹墙线必须设立操作平台。□使用合格梯子,设专人扶梯。□应掌握正确的使用方法,以防砌体返工。□架脚平稳着地,架体结构稳固。□剪刀撑、扫地杆、拦腰杆、水平杆结构齐全。□脚手架上不得铺设探头板。□不得在脚手架上搁置木箱、空油罐等垫脚。□高处脚手架应设拦腰杆,H为1.1m。□脚手架脚踏板的高度不得高过砌体本身的高度。□运输起重砖块的绳索、夹具使用前必须认真检查。□不应在同一施工面上、下同时施工作业,如必要时必须设置隔离层2脚手架未经检查验收就投入使用坍塌、坠落□中等风险3脚手架上铺设探头板坠落□中等风险4在脚手架上搁置木箱、空油罐等垫脚坠落□中等风险5高处脚手架无拦腰杆坠落□中等风险6脚手架脚踏板的高度高过砌体本身的高度坠落□中等风险7使用未经检查的砌块运输起重的绳索、夹具碰撞、打击□低风险8在同一施工面上、下,同时砌筑施工作业打击、碰撞□低风险附件:安全施工作业票背面安全补充事项/平面布置图现场接受交底人员签名备注说明:(一)本票由现场技术员填写,现场安全员审核,现场负责人签发生效。现场负责人开工前核对风险控制措施并宣读。(二)工作内容、地点、安全措施不变时本票最长可使用十天,否则应重新办票,用后上交备查;当人员发生变更时,应在备注栏记录变更情况。对新增人员进行交底,并签名确认。(三)应根据现场条件、范围和环境,补充安全事项或平面布置图。(四)当风险等级与基准风险等级不一致时,项目部应组织相关人员重新进行风险评估并制定措施。(五)基准风险等级与风险控制措施在开工前现场打“√”。(六)签名不齐全(含代签名的)均作废票处理。编码:PDFTJ-12-01/0121楼面作业安全施工作业票工程名称:分界供电所东岸甬配电台区新建及配套低压线路工程施工班组:土建施工班组编号:工作时间工作地点技术员现场安全员现场施工负责人2013.05.13东...

1、当您付费下载文档后,您只拥有了使用权限,并不意味着购买了版权,文档只能用于自身使用,不得用于其他商业用途(如 [转卖]进行直接盈利或[编辑后售卖]进行间接盈利)。
2、本站所有内容均由合作方或网友上传,本站不对文档的完整性、权威性及其观点立场正确性做任何保证或承诺!文档内容仅供研究参考,付费前请自行鉴别。
3、如文档内容存在违规,或者侵犯商业秘密、侵犯著作权等,请点击“违规举报”。

碎片内容

打印版施工作业票

确认删除?
VIP
微信客服
  • 扫码咨询
会员Q群
  • 会员专属群点击这里加入QQ群
客服邮箱
回到顶部