电脑桌面
添加小米粒文库到电脑桌面
安装后可以在桌面快捷访问

制氢系统设备管道安装及试运工程概况VIP免费

制氢系统设备管道安装及试运工程概况_第1页
1/15
制氢系统设备管道安装及试运工程概况_第2页
2/15
制氢系统设备管道安装及试运工程概况_第3页
3/15
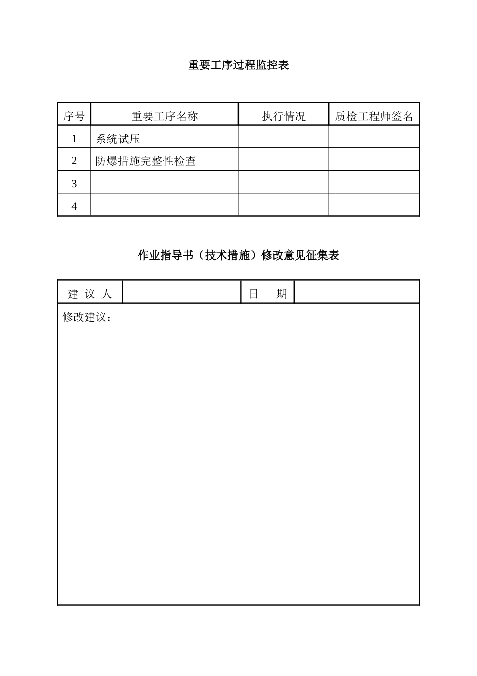
湖南省火电建设公司作业指导书编制单位工程名称单位工程项目编码版次名称:制氢系统设备管道安装及试运编写日期审核日期会签工程部日期质保部日期安监部日期批准日期作业指导书控制页:配置发放签收表配置配置岗位电子版纸质版签收项目总工√项目工程部√项目质保部√项目安监部√项目专工√项目主管工程师/班长√*班组工程师√施工组长√*注:项目主管工程师负责每项目上交一本已执行完成的、并经过完善有完整签名的作业指导书。作业指导书(技术措施)级别重要签名一般√技术交底记录检查项目总工程师专责工程师重大方案执行情况项目总工程师项目生产经理重要工序过程监控表序号重要工序名称执行情况质检工程师签名1系统试压2防爆措施完整性检查34作业指导书(技术措施)修改意见征集表建议人日期修改建议:回收签名(日期):目录1编制依据及引用标准..........................................................................................................12工程(设备)概况及工程量..............................................................................................12.1工程(设备)概况.......................................................................................................12.2施工作业范围...............................................................................................................23施工作业人员配备与人员资格..........................................................................................24施工所需机械装备及工器具量具、安全防护用品配备..................................................24.1作业所需机械装备及工器具量具...............................................................................24.2安全防护用品配备.......................................................................................................25施工条件及施工前准备工作..............................................................................................25.1施工前应具备的条件...................................................................................................26作业程序、方法及要求......................................................................................................36.1作业程序流程图...........................................................................................................36.2作业方法及要求...........................................................................................................36.3作业进度及计划安排...................................................................................................76.4专业技术措施...............................................................................................................77质量控制及质量验收..........................................................................................................88安全、文明施工及环境管理要求和措施..........................................................................9表8-1职业健康安全风险控制计划................................................................................11表8-2环境因素及控制措施............................................................................................121编制依据及引用标准1.1《电力建设施工及验收技术规范》(水处理及制氢装置篇)1.2《火电施工质量检验及评定标准》(水处理及制氢装置篇)1.3公司《质量、职业健康安全、环境管理手册》1.4七一八所提供的CNDQ-10型水电解制氢装置技术资料1.5湖南电力设计院设计图纸(第7卷第1册)1.6《电力建设安全工作规程》(火力发电厂部分)DL5009.1-20021.6本工程《施工组织设计》1.7《工程建设标准强制性条文(电力...

1、当您付费下载文档后,您只拥有了使用权限,并不意味着购买了版权,文档只能用于自身使用,不得用于其他商业用途(如 [转卖]进行直接盈利或[编辑后售卖]进行间接盈利)。
2、本站所有内容均由合作方或网友上传,本站不对文档的完整性、权威性及其观点立场正确性做任何保证或承诺!文档内容仅供研究参考,付费前请自行鉴别。
3、如文档内容存在违规,或者侵犯商业秘密、侵犯著作权等,请点击“违规举报”。

碎片内容

制氢系统设备管道安装及试运工程概况

确认删除?
VIP
微信客服
  • 扫码咨询
会员Q群
  • 会员专属群点击这里加入QQ群
客服邮箱
回到顶部