电脑桌面
添加小米粒文库到电脑桌面
安装后可以在桌面快捷访问

施工现场临时用电TT系统漏电保护器的设置VIP免费

施工现场临时用电TT系统漏电保护器的设置_第1页
1/7
施工现场临时用电TT系统漏电保护器的设置_第2页
2/7
施工现场临时用电TT系统漏电保护器的设置_第3页
3/7
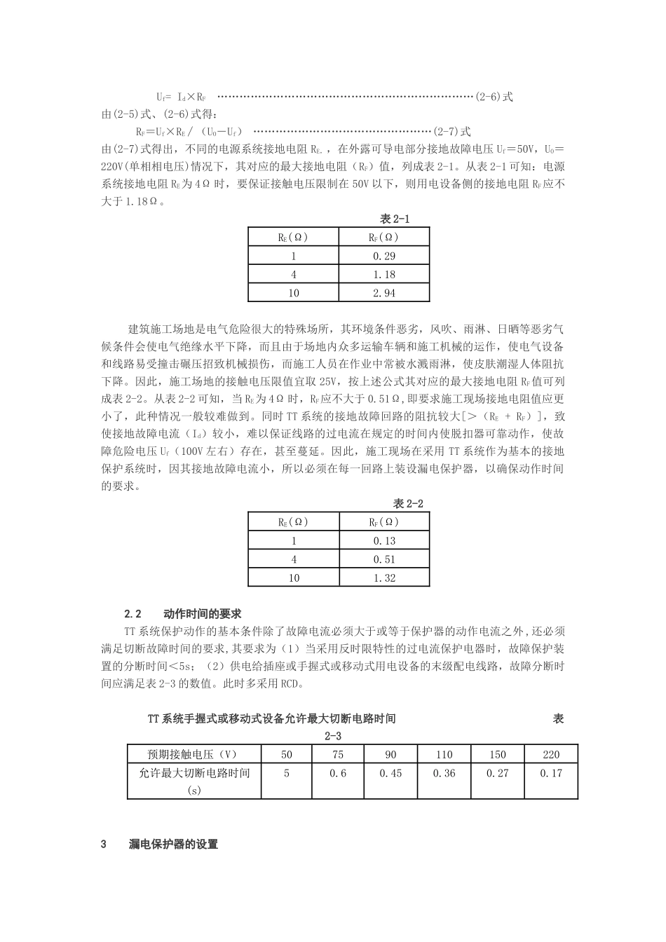
施工现场临时用电TT系统漏电保护器的设置侯星萍福建省建设工程质量安全监督总站摘要:本文从TT系统接地故障保护的要求出发,分析了动作特性及动作时间的要求,提出了施工现场临时用电漏电保护器的合理配置,可有效地防止触电事故发生,可靠地切断故障线路,从而保障施工现场临时用电的安全。关键词:TT系统漏电保护器动作特性动作时间1TT系统的适用范围及形式施工现场临时用电配电线路的接地保护形式常采用TN或TT系统。当施工现场与外用电共用同一供电系统时,若外电配电线路采用TT接地系统,那么施工现场临时用电也应采用TT系统。TT系统的形式如图1所示,用电设备可接近的外露可导电部分单独接地,与电源系统的接地在电气上无直接联系。此系统的保护线(PE线)与中性线(N线)自始至终是分开的。TT系统在场地内可分设几个互不关联的独立的接地极,分别引出其PE线,可避免故障电压在不同场地间的传导,减少电击事故的发生。TT系统的形式2TT系统接地故障保护的要求2.1动作特性的要求根据《民用建筑电气设计规程》(JGJ/T16-92)规定:在一般室内场所,TT系统配电线路接地故障保护的动作特性应符合(2-1)式要求:RFPE×Ia≤50V……………………………………………(2-1)式式中:RFPE……外露可导电部分的接地电阻和PE线电阻之和(Ω);Ia……保证保护电器切断故障回路的动作电流(A)。当采用漏电保护器电流动作保护时,Ia为其额定漏电动作电流(I△n)。从(2-1)式得知,保护动作的条件是外露可导电部分对地电压达到或超过50V时,保护器应在规定的时间内可靠动作,此时的接地故障电流Id要大于等于保护器的动作电流Ia,即:Id≥Ia…………………………………………………………(2-2)式Id的大小由接地故障回路的阻抗决定,而外露可导电部分对地电压值的大小由故障电流在其相应电阻上的压降决定。如图2-1为TT系统接地故障示意图,由于接地故障回路的阻抗主要以电阻性为主(感性、容性可忽略不计),所以图2-1接地故障的等效电路如图2-2所示。图2-1、2-2中:Rf……故障点电阻(Ω);RE……电源系统的接地电阻(取4Ω);RF……外露可导电部分的接地电阻(Ω);RL……相线电阻(Ω);RPE……PE线电阻(Ω)。图2-1TT系统接地故障示意图图2-2图2-1接地故障的等效电路从图2-2可得出TT系统的单相接地故障电流Id为:Id=UO∕(RL+Rf+RPE+RF+RE)…………………………………(2-3)式外露可导电部分接地故障电压为:Uf=Id(RPE+RF)…………………………………………………(2-4)式由于(RL+RPE)大大小于(RF+RE),同时取Rf≈0(以金属性接地故障接触电阻约为零)。所以(2-3)式可简化为:Id=UO∕(RF+RE)……………………………………………………(2-5)式(2-4)式可简化为:Uf=Id×RF……………………………………………………………(2-6)式由(2-5)式、(2-6)式得:RF=Uf×RE∕(UO-Uf)…………………………………………(2-7)式由(2-7)式得出,不同的电源系统接地电阻RE,,在外露可导电部分接地故障电压Uf=50V,UO=220V(单相相电压)情况下,其对应的最大接地电阻(RF)值,列成表2-1。从表2-1可知:电源系统接地电阻RE为4Ω时,要保证接触电压限制在50V以下,则用电设备侧的接地电阻RF应不大于1.18Ω。表2-1RE(Ω)RF(Ω)10.2941.18102.94建筑施工场地是电气危险很大的特殊场所,其环境条件恶劣,风吹、雨淋、日晒等恶劣气候条件会使电气绝缘水平下降,而且由于场地内众多运输车辆和施工机械的运作,使电气设备和线路易受撞击碾压招致机械损伤,而施工人员在作业中常被水溅雨淋,使皮肤潮湿人体阻抗下降。因此,施工场地的接触电压限值宜取25V,按上述公式其对应的最大接地电阻RF值可列成表2-2。从表2-2可知,当RE为4Ω时,RF应不大于0.51Ω,即要求施工现场接地电阻值应更小了,此种情况一般较难做到。同时TT系统的接地故障回路的阻抗较大[>(RE+RF)],致使接地故障电流(Id)较小,难以保证线路的过电流在规定的时间内使脱扣器可靠动作,使故障危险电压Uf(100V左右)存在,甚至蔓延。因此,施工现场在采用TT系统作为基本的接地保护系统时,因其接地故障电流小,所以必须在每一回路上装设漏电保护...

1、当您付费下载文档后,您只拥有了使用权限,并不意味着购买了版权,文档只能用于自身使用,不得用于其他商业用途(如 [转卖]进行直接盈利或[编辑后售卖]进行间接盈利)。
2、本站所有内容均由合作方或网友上传,本站不对文档的完整性、权威性及其观点立场正确性做任何保证或承诺!文档内容仅供研究参考,付费前请自行鉴别。
3、如文档内容存在违规,或者侵犯商业秘密、侵犯著作权等,请点击“违规举报”。

碎片内容

施工现场临时用电TT系统漏电保护器的设置

确认删除?
VIP
微信客服
  • 扫码咨询
会员Q群
  • 会员专属群点击这里加入QQ群
客服邮箱
回到顶部