电脑桌面
添加小米粒文库到电脑桌面
安装后可以在桌面快捷访问

张家港某公司设备技术档案VIP免费

张家港某公司设备技术档案_第1页
1/10
张家港某公司设备技术档案_第2页
2/10
张家港某公司设备技术档案_第3页
3/10
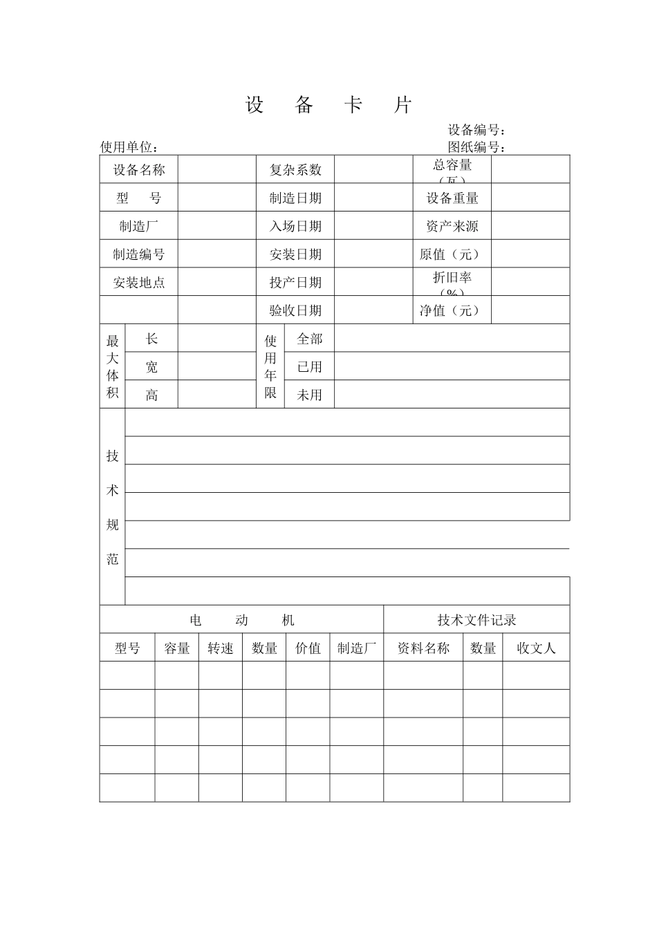
设备技术档案设备编号:设备名称:使用部门:管理级别:张家港逸臣钢管有限公司设备卡片设备编号:使用单位:图纸编号:设备名称复杂系数总容量(瓦)型号制造日期设备重量制造厂入场日期资产来源制造编号安装日期原值(元)安装地点投产日期折旧率(%)验收日期净值(元)最大体积长使用年限全部宽已用高未用技术规范电动机技术文件记录型号容量转速数量价值制造厂资料名称数量收文人主要附属设备编号名称型号数量制造日期出厂编号制造厂购入价值备注设备所属的计量表、安全阀编号名称型号单位数量备注主要备件和易损件编号名称图号材料单位数量备注润滑说明表设备润滑点加油方法加油周期润滑材料名称班消耗量(克)原润滑材料代用品加油工具执行加油工作人设备调动情况记录日期调拨单号调拨原因调往何处日期调拨单号调拨原因调往何处报废日期原因凭证残值签署记录设备大中修/改造记录摘要设备事故记录摘要设备维护等级记录年月级别备注年月级别备注

1、当您付费下载文档后,您只拥有了使用权限,并不意味着购买了版权,文档只能用于自身使用,不得用于其他商业用途(如 [转卖]进行直接盈利或[编辑后售卖]进行间接盈利)。
2、本站所有内容均由合作方或网友上传,本站不对文档的完整性、权威性及其观点立场正确性做任何保证或承诺!文档内容仅供研究参考,付费前请自行鉴别。
3、如文档内容存在违规,或者侵犯商业秘密、侵犯著作权等,请点击“违规举报”。

碎片内容

张家港某公司设备技术档案

确认删除?
VIP
微信客服
  • 扫码咨询
会员Q群
  • 会员专属群点击这里加入QQ群
客服邮箱
回到顶部