电脑桌面
添加小米粒文库到电脑桌面
安装后可以在桌面快捷访问

无缝钢管生产VIP专享VIP免费

无缝钢管生产_第1页
1/15
无缝钢管生产_第2页
2/15
无缝钢管生产_第3页
3/15
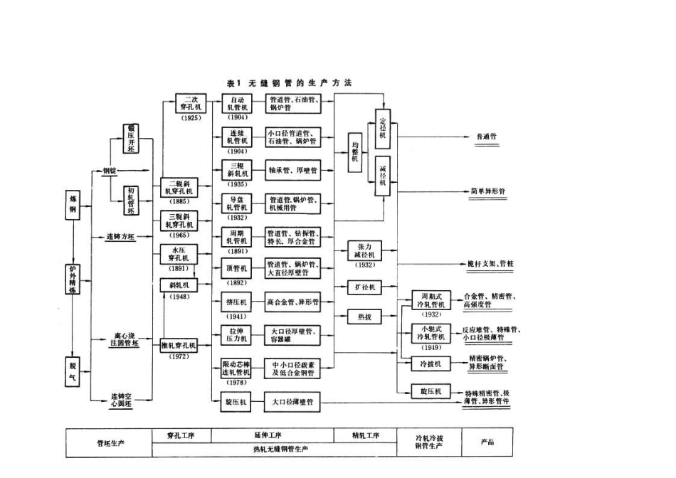
资源来源:河北美德钢管制造有限公司www.meidegg.com无缝管生产manufacturingprocessofseamlesstubeandpipe用穿孔等方法生产周边无接缝的钢管或其他金属管和合金管。无缝管的外径范围为0.1~1425mm,壁厚为0.01~200mm。除圆形管外,还有各种异形断面管和交断面管。生产方法和简史无缝管的生产方法很多。无缝钢管根据交货要求,可用热轧(约占80~90%)或冷轧、冷拔(约占10~20%)方法生产。热轧管用的坯料有圆形、方形或多边形的锭、轧坯或连铸管坯,管坯质量对管材质量有直接的影响。热轧管有三个基本工序:①在穿孔机上将锭或坯穿成空心厚壁毛管;②在延伸机上将毛管轧薄,延伸成为接近成壁厚的荒管;③在精轧机上轧制成所要求的成品管。轧管机组系列以生产钢管的最大外径来表示(见轧机)。无缝钢管生产方法见表1,括号中数字为创制年代。无缝钢管生产有近100年的历史。德国人曼尼斯曼兄弟于1885年首先发明二辊斜轧穿孔机,1891年又发明周期轧管机,1903年瑞士人施蒂费尔(R.C.Stiefel)发明自动轧管机(也称顶头式轧管机),以后又出现了连续式轧管机和顶管机等各种延伸机,开始形成近代无缝钢管工业。20世纪30年代由于采用了三辊轧管机、挤压机、周期式冷轧管机,改善了钢管的品种质量。60年代由于连轧管机的改进,三辊穿孔机的出现,特别是应用张力减径机和连铸坯的成功,提高了生产效率,增强了无缝管与焊管竞争的能力。70年代无缝管与焊管正并驾齐驱,世界钢管产量以每年5%以上的速度递增。中国1953年后重视发展无缝钢管工业,已初步形成轧制各种大、中、小型管材的生产体系。铜管一般也采用锭坯斜轧穿孔、轧管机轧制、盘管拉伸工艺。自动轧管生产生产无缝钢管的方式之一。生产设备由穿孔机、自动轧管机、均整机、定径机和减径机等组成。其生产工艺流程见图1。穿孔机常用的二辊斜轧穿孔过程见图2。圆管坯穿轧成空心的厚壁管(毛管),两个轧辊的轴线与轧制线构成一个倾斜角。近年来倾斜角已由6°~12°增至13°~17°,使穿孔速度加快。生产直径250mm以上钢管,采用二次穿孔,以减少毛管的壁厚。带主动旋转导盘穿孔、带后推力穿孔、轴向出料和循环顶焊等新工艺也取得一定的发展,从而强化了穿孔过程,改进了毛管质量。自动轧管机把厚壁毛管轧成薄壁荒管。一般经2~3道次,轧制到成品壁厚,总延伸率约为1.8~2.2。70年代以来,用单孔槽轧辊、双机架串列轧机、双槽跟踪轧制和球形顶头等技术,都提高了生产效率,实现了轧管机械化。均整机结构与穿孔机相似。均整的目的在于消除内外表面缺陷和荒管的椭圆度,减少横向壁厚不均匀。近年采用三辊均整机,提高了均整机变形量和均整效率。定径机由3~12架组成,减径机由12~24架组成,减径率约达3~28%。50年代出现的张力减径机,在调整辊速和减径的同时,以适当的张力控制壁厚。新型张力减径机一般用三辊式,有18~28架,最大减径率达80%,减壁率达44%,出口速度达每秒18mm。张力减径机有两端增厚的缺点,可用“头尾端部突加电气控制”或微张力减径消除。自动轧管机组常用系列有外径为100mm、140mm、250mm和400mm四种,生产外径17~426mm钢管。机组的特点是在穿孔机上实现主要变形,规格变化较灵活,生产品种范围较广。由于连续轧管技术的发展,已不再建造140mm以下的机组。连续轧管生产生产设备由穿孔机、连续轧管机、张力减径机组成。工艺流程见图1。圆坯穿成毛管后插入芯棒,通过7~9架轧辊轴线互呈90°配置的二辊式轧机连轧。轧后抽芯棒,经再加热后进行张力减径,可轧成长达165m的钢管。140mm连续轧管机组年产40~60万吨,为自动轧管机组的2~4倍。这种机组的特点是适于生产外径168mm以下钢管,设备投资大,装机容量大,芯棒长达30m,加工制造复杂。70年代后期出现的限动芯棒连续轧管机(MPM),轧制时外力强制芯棒以小于钢管速度运动,可改善金属流动条件,用短芯棒轧制长管和大口径钢管。周期轧管生产以多边形和圆形钢锭或连铸坯作原料,加热后经水压穿孔成杯形毛坯,再经二辊斜轧延伸机轧成毛管,然后在带有变直径孔槽的周期轧管机上,轧辊转一圈轧出一段钢管(图3)。周期轧管机又称皮尔格尔(Pilger)轧管机。周期轧管生产是用钢锭...

1、当您付费下载文档后,您只拥有了使用权限,并不意味着购买了版权,文档只能用于自身使用,不得用于其他商业用途(如 [转卖]进行直接盈利或[编辑后售卖]进行间接盈利)。
2、本站所有内容均由合作方或网友上传,本站不对文档的完整性、权威性及其观点立场正确性做任何保证或承诺!文档内容仅供研究参考,付费前请自行鉴别。
3、如文档内容存在违规,或者侵犯商业秘密、侵犯著作权等,请点击“违规举报”。

碎片内容

无缝钢管生产

确认删除?
VIP
微信客服
  • 扫码咨询
会员Q群
  • 会员专属群点击这里加入QQ群
客服邮箱
回到顶部