电脑桌面
添加小米粒文库到电脑桌面
安装后可以在桌面快捷访问

施工现场调整配合比例单VIP免费

施工现场调整配合比例单_第1页
1/10
施工现场调整配合比例单_第2页
2/10
施工现场调整配合比例单_第3页
3/10
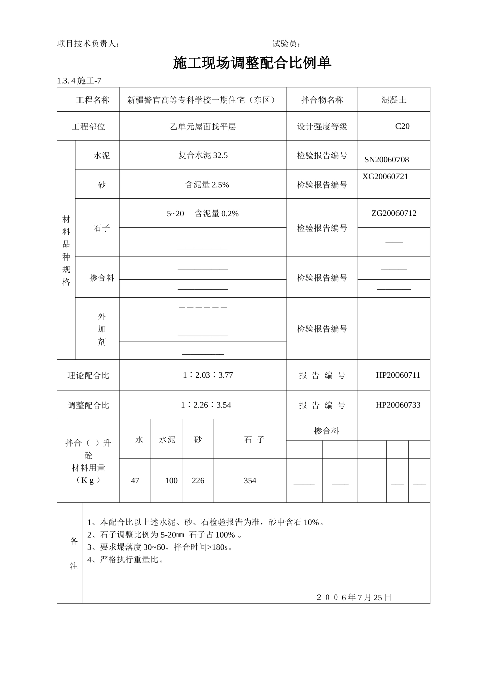
施工现场调整配合比例单1.1.4施工-7工程名称和兴润园高层小区3#楼拌合物名称混合砂浆工程部位十六层夹层陶粒墙砌体设计强度等级M5.0材料品种规格水泥复合水泥32.5检验报告编号SN080902砂10mm以下洗砂含泥量2.0%检验报告编号XG080932普砂5㎜以下普砂含泥量8.6%检验报告编号2008030101-2石子检验报告编号掺合料黄土粉检验报告编号————外加剂———检验报告编号__________理论配合比1:0.37:8.11报告编号SP20080801调整配合比1:4.62:3.49报告编号SP20081002拌合()升砼材料用量(Kg)水水泥洗砂普砂石子掺合料外加剂5-40mm黄土粉100462349_________37______________备注1、本配合比以上述水泥、砂、试验报告为准。2、机械搅拌时间不少于3min。3、稠度要求60-90㎜4、严格执行重量比。2008年10月9日项目技术负责人:试验员:施工现场调整配合比例单1.2.4施工-7工程名称和兴润园高层小区3#楼拌合物名称混凝土工程部位屋面找平层设计强度等级C20材料品种规格水泥复合水泥32.5检验报告编号SN20080802砂10mm以下洗砂含泥量2.1%检验报告编号20080101-1石子5~20㎜含泥量0.4%检验报告编号2008030101-3————————掺合料——————检验报告编号—————————————外加剂------检验报告编号——————__________理论配合比12.033.77∶∶报告编号HP20080801调整配合比12.033.77∶∶报告编号HP20081001拌合()升砼材料用量(Kg)水水泥砂石子掺合料47100203377_______________备注1、本配合比以上述水泥、砂、石检验报告为准。5㎜以上砂中含石15.5%2、石子调整比例为5-20㎜石子占100%。3、要求塌落度30~60,拌合时间>180s。4、严格执行重量比。2008年10月8日项目技术负责人:试验员:施工现场调整配合比例单1.3.4施工-7工程名称新疆警官高等专科学校一期住宅(东区)拌合物名称混凝土工程部位乙单元屋面找平层设计强度等级C20材料品种规格水泥复合水泥32.5检验报告编号SN20060708砂含泥量2.5%检验报告编号XG20060721石子5~20含泥量0.2%检验报告编号ZG20060712————————掺合料——————检验报告编号—————————————外加剂------检验报告编号——————__________理论配合比12.033.77∶∶报告编号HP20060711调整配合比12.263.54∶∶报告编号HP20060733拌合()升砼材料用量(Kg)水水泥砂石子掺合料47100226354_______________备注1、本配合比以上述水泥、砂、石检验报告为准,砂中含石10%。2、石子调整比例为5-20㎜石子占100%。3、要求塌落度30~60,拌合时间>180s。4、严格执行重量比。2006年7月25日项目技术负责人:试验员:施工现场调整配合比例单1.4.4施工-7工程名称新疆警官高等专科学校一期住宅(东区)拌合物名称混凝土工程部位裙楼基础垫层设计强度等级C15材料品种规格水泥复合水泥32.5检验报告编号SN200608240002砂含泥量2.5%砂中含石10%检验报告编号SZ0608240001石子5~40㎜含泥量0.4%检验报告编号ST0608240001————————掺合料——————检验报告编号—————————————外加剂------检验报告编号——————__________理论配合比12.495.07∶∶报告编号06083011002调整配合比12.495.07∶∶报告编号HP20060904拌合()升砼材料用量(Kg)水水泥砂石子掺合料47100241430_______________备注1、本配合比以上述水泥、砂、石检验报告为准。2、石子调整比例为5-20㎜石子占100%。3、要求塌落度30~60,拌合时间>180s。4、严格执行重量比。2006年9月4日项目技术负责人:试验员:施工现场调整配合比例单1.5.4施工-7工程名称新疆警官高等专科学校一期住宅(东区)拌合物名称混凝土工程部位甲单元八层构造柱、暗梁设计强度等级C20材料品种规格水泥复合水泥32.5R检验报告编号SN0605270002砂含泥量1.0%含石率12.0%检验报告编号SZ0605270002石子5~40检验报告编号ST0606050001————————掺合料——————检验报告编号—————————————外加剂------检验报告编号——————__________理论配合比11.854.31∶∶报告编号HP20060405调整配合比11.854.31∶∶报告编号HP20060601拌合()升砼...

1、当您付费下载文档后,您只拥有了使用权限,并不意味着购买了版权,文档只能用于自身使用,不得用于其他商业用途(如 [转卖]进行直接盈利或[编辑后售卖]进行间接盈利)。
2、本站所有内容均由合作方或网友上传,本站不对文档的完整性、权威性及其观点立场正确性做任何保证或承诺!文档内容仅供研究参考,付费前请自行鉴别。
3、如文档内容存在违规,或者侵犯商业秘密、侵犯著作权等,请点击“违规举报”。

碎片内容

施工现场调整配合比例单

您可能关注的文档

确认删除?
VIP
微信客服
  • 扫码咨询
会员Q群
  • 会员专属群点击这里加入QQ群
客服邮箱
回到顶部