电脑桌面
添加小米粒文库到电脑桌面
安装后可以在桌面快捷访问

旋挖钻灌注桩施工作业指导书VIP免费

旋挖钻灌注桩施工作业指导书_第1页
1/15
旋挖钻灌注桩施工作业指导书_第2页
2/15
旋挖钻灌注桩施工作业指导书_第3页
3/15
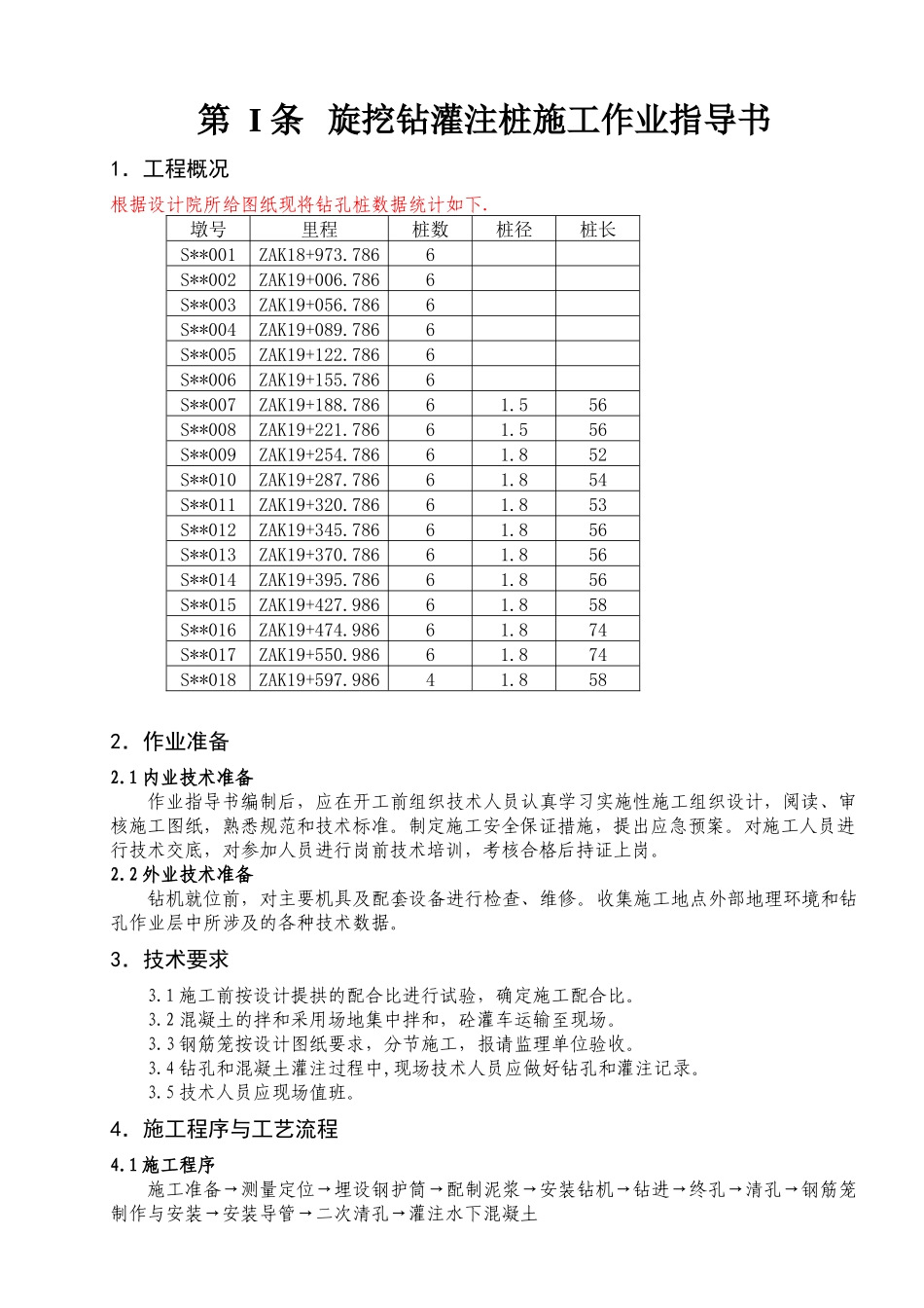
南京地铁**线**期工程编号:旋挖钻灌注桩施工作业指导书单位:编制:审核:批准:xxxx年xx月xx日发布xxxx年xx月xx日实施第I条旋挖钻灌注桩施工作业指导书1.工程概况根据设计院所给图纸现将钻孔桩数据统计如下.墩号里程桩数桩径桩长S**001ZAK18+973.7866S**002ZAK19+006.7866S**003ZAK19+056.7866S**004ZAK19+089.7866S**005ZAK19+122.7866S**006ZAK19+155.7866S**007ZAK19+188.78661.556S**008ZAK19+221.78661.556S**009ZAK19+254.78661.852S**010ZAK19+287.78661.854S**011ZAK19+320.78661.853S**012ZAK19+345.78661.856S**013ZAK19+370.78661.856S**014ZAK19+395.78661.856S**015ZAK19+427.98661.858S**016ZAK19+474.98661.874S**017ZAK19+550.98661.874S**018ZAK19+597.98641.8582.作业准备2.1内业技术准备作业指导书编制后,应在开工前组织技术人员认真学习实施性施工组织设计,阅读、审核施工图纸,熟悉规范和技术标准。制定施工安全保证措施,提出应急预案。对施工人员进行技术交底,对参加人员进行岗前技术培训,考核合格后持证上岗。2.2外业技术准备钻机就位前,对主要机具及配套设备进行检查、维修。收集施工地点外部地理环境和钻孔作业层中所涉及的各种技术数据。3.技术要求3.1施工前按设计提拱的配合比进行试验,确定施工配合比。3.2混凝土的拌和采用场地集中拌和,砼灌车运输至现场。3.3钢筋笼按设计图纸要求,分节施工,报请监理单位验收。3.4钻孔和混凝土灌注过程中,现场技术人员应做好钻孔和灌注记录。3.5技术人员应现场值班。4.施工程序与工艺流程4.1施工程序施工准备→测量定位→埋设钢护筒→配制泥浆→安装钻机→钻进→终孔→清孔→钢筋笼制作与安装→安装导管→二次清孔→灌注水下混凝土平整场地凿桩头测定孔位挖埋护筒钻机就位钻孔制作护筒第一次清孔测孔深、沉淤安放钢筋笼安放导管二次清孔灌注混凝土制作混凝土试件,测量混凝土面高度和导管埋深深度清理、检查钢筋笼制作桩基检测测沉淤安放隔离球泥浆补充泥浆处理4.2工艺流程旋挖钻灌注桩施工工艺流程框图5.施工要求5.1施工准备5.1.1设备进场前要做到“三通一平”,即路通、水通、电通,施工场地平整。5.1.2场地布置要力求合理,特别是注意运输畅通,有利于平行交叉作业,废水、废浆、废渣的排放符合环保法规,做到文明施工。场地位于浅水、陡坡、淤泥中时,可采用筑岛、或用枕木或型钢等搭设工作平台;当位于深水时,可插打临时桩搭设固定工作平台,在钻孔平台上拼装钢护筒导向架,采用起吊设备插打水中墩钢护筒。工作平台必须坚固稳定,能承受施工作业时所有静、活荷载,同时还应考虑施工设备能安全进、出场。5.2施工工艺5.2.1测量定位平整场地后,根据设计桩位,对设计单位提交的测量资料进行检查,复核测量基线和基点、标定钻孔桩位和高程、测量桩孔的中心位置偏差不得大于5mm,并以长300mm、直径不小于42mm的铁质尖桩锤入土层作为标记、尖桩露出地面高度一般为50-80mm。若发现设计桩孔中心有问题应及时与设计单位联系解决。5.2.2埋设钢护筒⑴水中墩钢护筒①在钻孔平台上拼装钢护筒导向架,测量放线定桩位→对接钢护筒→整体起吊钢护筒入水→调整护筒倾斜度及位置缓慢入床至稳定→安装震动打桩锤振动下沉→安装钻机开始水上钻孔桩施工②在钢护筒振动下沉过程中要精确定位、跟踪监测、调整,满足规范要求,保证钻孔桩施工顺利进行。护筒内径宜比桩直径大20cm。钢护筒在车间分节制造,在平台对接后整体下沉,下沉中随时用木楔在导向架与护筒之间调整偏差,护筒底口要求到达卵石层顶面。护筒顶口宜高出施工水位或地下水位2.0m。⑵浅滩地和陆地钻孔桩钢护筒①对河滩内桩位施工前应筑岛,岛的高度应高出施工地面0.5m。②钢护筒采用厚度为4~12mm的A3钢板卷制,内径比桩径应大于20cm。③护筒埋置深度符合下列规定:黏性土不小于1m,砂类土不小于2m。当表层土松软时将护筒埋置到较坚硬密实的土层中至少0.5m。岸滩上埋设护筒,在护筒四周回填黏土并分层夯实;护筒顶面中心与设计桩位偏差不大于5cm,倾斜度不大于1%。水中筑岛,护筒宜埋入河床面以下1m。5.2.3泥浆池开挖及泥浆制备⑴泥浆池开挖在现场每个墩身...

1、当您付费下载文档后,您只拥有了使用权限,并不意味着购买了版权,文档只能用于自身使用,不得用于其他商业用途(如 [转卖]进行直接盈利或[编辑后售卖]进行间接盈利)。
2、本站所有内容均由合作方或网友上传,本站不对文档的完整性、权威性及其观点立场正确性做任何保证或承诺!文档内容仅供研究参考,付费前请自行鉴别。
3、如文档内容存在违规,或者侵犯商业秘密、侵犯著作权等,请点击“违规举报”。

碎片内容

旋挖钻灌注桩施工作业指导书

您可能关注的文档

黄金书屋+ 关注
实名认证
内容提供者

爱好英语教学和互联网行业,热爱教育事业,兢兢业业

确认删除?
VIP
微信客服
  • 扫码咨询
会员Q群
  • 会员专属群点击这里加入QQ群
客服邮箱
回到顶部