电脑桌面
添加小米粒文库到电脑桌面
安装后可以在桌面快捷访问

中原起重机通用质量管理体系审核作业指导书VIP专享VIP免费

中原起重机通用质量管理体系审核作业指导书_第1页
1/22
中原起重机通用质量管理体系审核作业指导书_第2页
2/22
中原起重机通用质量管理体系审核作业指导书_第3页
3/22
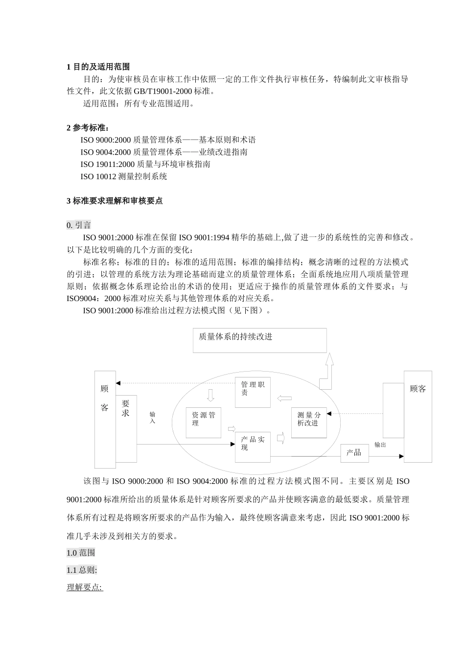
目录目录…………………………………………………………………………………………………11.目的及适用范围……………………………………………………………………………………22.参考标准……………………………………………………………………………………………23.标准要求理解和审核要点…………………………………………………………………………20.引言………………………………………………………………………………………………21.范围………………………………………………………………………………………………31.1总则……………………………………………………………………………………………31.2应用……………………………………………………………………………………………32.0引用标准………………………………………………………………………………………33.0术语和定义……………………………………………………………………………………34.0质量管理体系…………………………………………………………………………………44.1总要求…………………………………………………………………………………………44.2文件要求………………………………………………………………………………………45.0管理职责………………………………………………………………………………………55.1管理承诺………………………………………………………………………………………55.2以顾客为中心…………………………………………………………………………………65.3质量方针………………………………………………………………………………………65.4策划……………………………………………………………………………………………75.5职责、权限和沟通……………………………………………………………………………85.6管理评审………………………………………………………………………………………96.0资源管理…………………………………………………………………………………………96.1资源提供………………………………………………………………………………………96.2人力资源………………………………………………………………………………………106.3基础设施………………………………………………………………………………………106.4工作环境………………………………………………………………………………………117.0产品实现………………………………………………………………………………………117.1产品实现策划…………………………………………………………………………………117.2与顾客有的过程………………………………………………………………………………127.3设计和开发……………………………………………………………………………………137.4采购……………………………………………………………………………………………167.5生产和服务的提供……………………………………………………………………………177.6监视和测量装置的控制………………………………………………………………………198.0测量、分析和改进……………………………………………………………………………208.1总则……………………………………………………………………………………………208.2监视和测量……………………………………………………………………………………218.3不合格品控制…………………………………………………………………………………238.4数据分析………………………………………………………………………………………238.5改进……………………………………………………………………………………………24输出1目的及适用范围目的:为使审核员在审核工作中依照一定的工作文件执行审核任务,特编制此文审核指导性文件,此文依据GB/T19001-2000标准。适用范围:所有专业范围适用。2参考标准:ISO9000:2000质量管理体系——基本原则和术语ISO9004:2000质量管理体系——业绩改进指南ISO19011:2000质量与环境审核指南ISO10012测量控制系统3标准要求理解和审核要点0.引...

1、当您付费下载文档后,您只拥有了使用权限,并不意味着购买了版权,文档只能用于自身使用,不得用于其他商业用途(如 [转卖]进行直接盈利或[编辑后售卖]进行间接盈利)。
2、本站所有内容均由合作方或网友上传,本站不对文档的完整性、权威性及其观点立场正确性做任何保证或承诺!文档内容仅供研究参考,付费前请自行鉴别。
3、如文档内容存在违规,或者侵犯商业秘密、侵犯著作权等,请点击“违规举报”。

碎片内容

中原起重机通用质量管理体系审核作业指导书

确认删除?
VIP
微信客服
  • 扫码咨询
会员Q群
  • 会员专属群点击这里加入QQ群
客服邮箱
回到顶部