电脑桌面
添加小米粒文库到电脑桌面
安装后可以在桌面快捷访问

反应区设备吊装方案VIP免费

反应区设备吊装方案_第1页
1/36
反应区设备吊装方案_第2页
2/36
反应区设备吊装方案_第3页
3/36
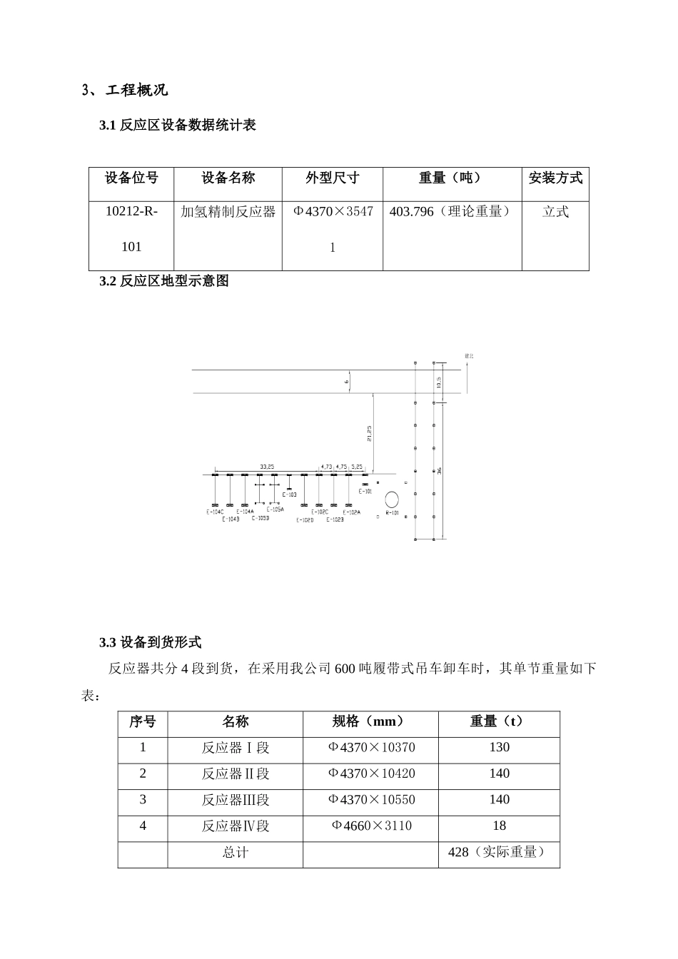
新疆独山子石化第一联合300万吨/年直馏柴油加氢精制装置反应区反应器(10212-R101)吊装方案获奖等级公司一等奖安装五公司宋晓艺1、编制说明1.1本方案仅适用于新疆独山子石化公司300万吨/年直馏柴油加氢装置反应区反应器(10212-R101)吊装。1.2本方案是根据现场实际情况及设备制造厂家在现场组焊时需要的场地情况综合考虑而编制的,吊装前实际情况与本方案不符时,另行编制修订方案或补充方案。1.3该反应器分四段到货,在施工现场由中国一重集团公司进行组对焊接,合格后由我公司进行安装。1.4为了安全、优质地完成该吊装任务,希望参加施工的人员尽早熟悉本方案,并在实施过程中遵照执行,如遇到本方案中未涉及到的内容,现场进行技术交底。2、编制依据2.1反应区设备布置图2.2反应器制造图2.3300万吨/年直馏柴油加氢精制装置设备一览表2.4《大型设备吊装工程施工工艺标准》SH/T3515-20032.5《工程建设安装工程起重施工规范》HG20201-20002.6《建筑地基基础设计规范》GB50007-20012.7《钢制压力容器》GB150-19982.8《设备吊耳》HG/T21574-19942.9中油吉林化建机械设备性能手册2.10LR1750型750吨履带式吊车性能表2.11《五金实用手册》(四川科学技术出版社)2.12《重型设备吊装手册》(冶金工业出版社)2.13巨力集团产品简介(网络版)2.14现场实际勘测结果3、工程概况3.1反应区设备数据统计表设备位号设备名称外型尺寸重量(吨)安装方式10212-R-101加氢精制反应器Φ4370×35471403.796(理论重量)立式3.2反应区地型示意图3.3设备到货形式反应器共分4段到货,在采用我公司600吨履带式吊车卸车时,其单节重量如下表:序号名称规格(mm)重量(t)1反应器Ⅰ段Ф4370×103701302反应器Ⅱ段Ф4370×104201403反应器Ⅲ段Ф4370×105501404反应器Ⅳ段Ф4660×311018总计428(实际重量)由于上表中的总计重量高于理论重量,为了确保安全,本方案中下述的相关计算内容将以实际重量为依据进行分析。3.4现场场地情况3.4.1根据设计文件中介绍,施工区域的地质构成主要由厚度为0.15~0.8米黄土状粉土和厚度为0.7~2.3米的碎石土以及巨厚的卵砾层构成。地基允许承载力特征值300~500KPa。3.4.2一重集团为反应器组对,在基础西北侧制作了一个宽20米,长42米的硬化场地。如本方案第5页中反应器进场运输图所示。3.4.3反应器东侧管廊基础已经施工完毕,但钢结构尚未安装。根据600吨吊车所需的运行场地以及现场实际勘测结果,必须将303管架的301轴、302轴、303轴,共6个基础进行掩埋处理,以防止在吊装过程中对基础造成意外伤害。3.4.4根据实际勘察及测量,主吊车及副吊车站位地点以及副吊吊车的行走路线均为开挖后的碎石土,必须进行分层压实处理。具体方法在施工方法中具体阐述。4、施工准备4.1施工技术准备4.1.1施工技术人员认真审阅图纸、核算部件重量,对现场地形进行勘查、测量,确认准确的吊车站位。4.1.2根据图纸、设计技术要求和现场情况制定技术措施。4.1.3编制切实可行的吊装及安装施工方案,并由主管部门审核批准。4.1.4按照吊装方案附图一中的位置,待吊重物摆放位置、吊车站车位置事前在现场画好标记,并确保准确。4.1.5按方案要求对所选吊车、索具等进行检查,确认无误后方可进行吊装。4.1.6施工前由工程技术人员进行技术交底,参加人员:承包队长、安全员、检查员和全体施工人员。4.1.7吊装组织机构现场总指挥:宋天新技术负责人:张玉林安全负责人:杨风雷材料负责人:孙东吊装技术员:宋晓艺起重总指挥:戴树亮起重副指挥:蒋万秋起重副指挥:赵志刚现场调度员:宋忠良钳工班长:魏长龙索具检查员:黄福权安装技术员:王代峰吊装总指挥:陶树森4.2施工现场准备4.2.1勘察、疏通设备运输及进车道路,确保道路平整、坚实、畅通;吊装时施工现场需设置警戒线和维护秩序的人员,无关人员严禁进入吊装现场。4.2.2吊车站位、行走移动及主吊车超起配重的起落位置处应先整平,达到站车、行走及起落所需的条件。4.2.3施工现场的水、电、气(汽)接通。4.2.4施工前主要工种应配备齐全,且经过一定的岗位培训,起重工必须经过培训,持劳动局颁发的岗位资格证书。4.2.5施工过程中所有机具、卡具应...

1、当您付费下载文档后,您只拥有了使用权限,并不意味着购买了版权,文档只能用于自身使用,不得用于其他商业用途(如 [转卖]进行直接盈利或[编辑后售卖]进行间接盈利)。
2、本站所有内容均由合作方或网友上传,本站不对文档的完整性、权威性及其观点立场正确性做任何保证或承诺!文档内容仅供研究参考,付费前请自行鉴别。
3、如文档内容存在违规,或者侵犯商业秘密、侵犯著作权等,请点击“违规举报”。

碎片内容

反应区设备吊装方案

您可能关注的文档

确认删除?
VIP
微信客服
  • 扫码咨询
会员Q群
  • 会员专属群点击这里加入QQ群
客服邮箱
回到顶部