电脑桌面
添加小米粒文库到电脑桌面
安装后可以在桌面快捷访问

土地复垦技术标准(试行)条文说明VIP免费

土地复垦技术标准(试行)条文说明_第1页
1/18
土地复垦技术标准(试行)条文说明_第2页
2/18
土地复垦技术标准(试行)条文说明_第3页
3/18
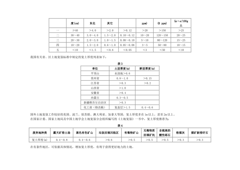
附件:土地复垦技术标准(试行)条文说明一、总则有关条文说明1、制定依据:依据国家现行的有关法律法规制定现阶段标准。随国家法律法规的修改,标准应相应修改。3、土地复垦技术质量控制的原则:(序号与《土地复垦技术标准(试行)》中相应部分保持一致,以下同。)依据国家有关法律法规制订,并考虑到我国幅员广阔。南北及东西的气候、物候自然条件等差异,强调因地制宜,长远与近期结合,整体与局部统筹考虑,保持自然生态,防止次生污染,增加大农业用地的战略需要。4、名词、术语:土地破坏、土地复垦等定义,依据《土地复垦规定》第二、三条规定。5、复垦土地质量的检验:5.1关于检验时机:我国目前土地复垦状况,多在复土后进行一次性验收。本标准根据国内外成熟的土地复垦经验与试验研究数据,建议为二阶段验收,即,对土地地表工程完成后,进行土地质量偏重物理性能验收。在建立稳定生物层后进行第二阶段验收。这样可以全面验收复垦后土地质量及土地恢复状况。特别是用于种植的土地质量,从第二阶段验收后可直接反映土壤有机质等的恢复程度。5.3关于检验内容:为使土地复垦工作纳入程序化、科学化轨道,二个阶段验收均设有文件提供,包括可行性研究文件、复垦设计文件、施工文件及相关具体文件等,以便从总体、基础上把握复垦适宜性。二个验收阶段均有现场测试工作,这些测试项目内容包含了各种用地性能基本要求,但要结合当地具体情况。6、标准的实施:6.2监督部门系指省、地、县土地管理局;会同各级主管部门系指行业主管部门。6.3土地验收中,存在技术争议时,可以请土地技术部门参与协调。6.4鼓励和不排除在有条件的区域实施更严格的地方标准和部门行业标准,但它不应与本标准相矛盾。7、各项目测试方法:依据国家或行业有关标准,提供了可以借鉴的参考测试方法。二、采挖废弃土地复垦技术标准有关条文说明4、废弃露天采矿场复垦工程标准:4.1.1复土厚度为自然沉实土0.5m以上,耕层不少于0.2m。这一复土厚度指标是下限指标,是依据我国复垦现状并综合考虑植被特别是农作物正常生长、防止污染土源和复土经济指标等综合制订的。全国土壤普查办公室编著的《中国土壤普查技术》一书中,关于旱地分级及参评项目指标如下(见表1、表2):上表中引用了我国多采用类、等、级(或型)三个层次,“等”是土壤质量评价的核心部分,它反映出土壤因素及环境条件对土地利用适宜程度和生产力的高低;“级”是土壤评价的辅助单元,反映同一等内土壤对其主要利用方式、适宜性和生产潜力级差,以体现土壤等内量上差异。本标准规定的0.5m以上复土相当于旱地“三等”,这对于通过复垦使我国增加中等地力以上的土地是适宜的。另外,还参考了我国几年来复垦试验研究结果,参考了曾进行的尾矿库复土厚度的盆栽及田间试验。试验结果也表明,30cm以下的复土厚度不能使农作物正常生长,出现多项不良指标,而且产量随复土厚度明显增加。实验结果是,复土厚度30cm,亩产量190kg;60cm;250kg;100cm,310kg。60cm以上生长正常,产量上升,开始可以得到较好产量。表1旱地等的参评项目与分级指标等PH值土体厚度构层质地壤质土质地剖面构型障碍层出现深度(cm)砾石含量(%)一6.5~7.5>90轻壤土中壤土夹粒无<5二7.9~8.0,5.5~6.560~90砂壤土重壤土均质≥605~10三8.0~8.5,4.5~5.530~60砂土粘土漏砂30~6010~30四>8.5,<4.5<30砂砾土重粘土漏面<30>30等坡度(°)沟蚀(%)排水条件灌溉条件潜水埋深(m)土壤盐化部面水份状况非盐渍区盐渍度程度盐斑(%)一<3无良好无渍涝有保证1~22~3无无潮二3~6(7)<10中等偶渍不稳定2~43~4轻<20湿润三6(7)1510~30不良常渍困难4~101~2中20~50润湿四>13≥30极差重涝无水源>10<1.0重>50干过湿表2旱地级的参评项目与分级指标级暗色土层厚有机质(%)全氮(%)有效磷(P有效钾代换量度(cm)ppm)(Kppm)(m·e/100g土东北其它一≥40>4.0>2.0>0.12>20>150>25二30~403.0~4.01.5~2.00.10~0.1210~20120~15020~25三20~302.0~3.01.0~1.50.08~0.105~1080~12015~25四10~201.5~2.00.6~1.00.05~0.083~550~8010~15五<10<1.5<0.6<0.05<3...

1、当您付费下载文档后,您只拥有了使用权限,并不意味着购买了版权,文档只能用于自身使用,不得用于其他商业用途(如 [转卖]进行直接盈利或[编辑后售卖]进行间接盈利)。
2、本站所有内容均由合作方或网友上传,本站不对文档的完整性、权威性及其观点立场正确性做任何保证或承诺!文档内容仅供研究参考,付费前请自行鉴别。
3、如文档内容存在违规,或者侵犯商业秘密、侵犯著作权等,请点击“违规举报”。

碎片内容

土地复垦技术标准(试行)条文说明

您可能关注的文档

确认删除?
VIP
微信客服
  • 扫码咨询
会员Q群
  • 会员专属群点击这里加入QQ群
客服邮箱
回到顶部