电脑桌面
添加小米粒文库到电脑桌面
安装后可以在桌面快捷访问

颗粒砂浆保温(外饰为涂料)施工工艺VIP免费

颗粒砂浆保温(外饰为涂料)施工工艺_第1页
1/12
颗粒砂浆保温(外饰为涂料)施工工艺_第2页
2/12
颗粒砂浆保温(外饰为涂料)施工工艺_第3页
3/12
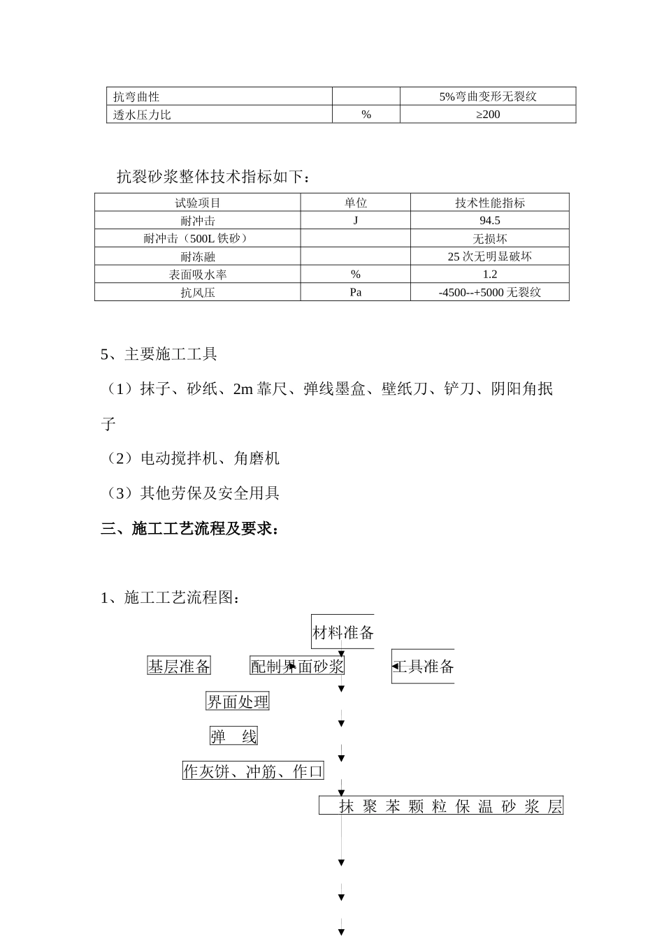
颗粒砂浆保温(外饰为涂料)施工工艺一、作业条件:1、基层墙体的质量必须符合相关质量验收规范和标准要求,主体结构已验收,并办理四方验收手续。2、脚手架和外用电梯安装完毕并通过验收。3、外门窗通过验收并有相应成品保护措施。4、外阳台部位电器暗管,接线盒安装完毕,外墙雨水管卡预埋完毕。5、FIRSTB.M体系正常施工温度5℃以上,风力超过5级或中雨以上天气不得施工。施工完毕后应防止阳光直晒。二、主要材料与施工工具:1、保温专用胶粉:保温专用胶粉是一种聚合物干混料,在现场与聚苯颗粒加水混合成为聚合物保温砂浆,用于保温层。其主要技术性能指标详见下表。项目实验方法单位技术指标胶粉料干密度kg/m3≤750初凝时间h≥4终凝时间h≤12拉伸粘结强度标养28d,MPa≥0.6浸水拉伸粘结强度标养28d,浸水7dMPa≥0.4胶粉料软化系数≥0.72、聚苯板颗粒:为外墙外保温聚苯颗粒砂浆保温做法中的轻骨料,主要作用为保温材料,聚苯颗粒性能见下表。项目单位指标表观密度kg/m3>12.0细度mm95%通过5mm筛3、网格布:玻纤网格布应用于抹面砂浆中,不仅能增强抹面砂浆强度,还能阻止裂纹生长,达到防裂的目的。保温专用网格布表面经涂塑处理,具有耐碱性能,其主要技术性能指标详见下表。试验项目单位性能指标网眼尺寸mm4*4单位面积质量g/m2≥200抗拉强度经向N/25mm>625纬向N/25mm>625耐碱抗拉强度经向N/25mm>500纬向N/25mm>500耐碱抗拉强度保持率经向%>80纬向%>804、面层抗裂砂浆:面层抗裂砂浆由抗裂专用胶和干混料混合搅拌组成,配以玻纤网布形成耐水、抗裂的保护层,其中抗裂剂技术指标如下:抗裂砂浆应满足以下性能要求:项目单位指标拉伸粘结强度(常温28d)MPa>0.8浸水粘结强度(常温28d,浸水7d)MPa>0.6抗弯曲性5%弯曲变形无裂纹透水压力比%≥200抗裂砂浆整体技术指标如下:试验项目单位技术性能指标耐冲击J94.5耐冲击(500L铁砂)无损坏耐冻融25次无明显破坏表面吸水率%1.2抗风压Pa-4500--+5000无裂纹5、主要施工工具(1)抹子、砂纸、2m靠尺、弹线墨盒、壁纸刀、铲刀、阴阳角抿子(2)电动搅拌机、角磨机(3)其他劳保及安全用具三、施工工艺流程及要求:1、施工工艺流程图:材料准备基层准备配制界面砂浆工具准备界面处理弹线作灰饼、冲筋、作口抹聚苯颗粒保温砂浆层5~7d抹底层抗裂砂浆铺网格布连续施工、一次成活养护粘分格条面层涂料施工验收节点施工详见国标02J121--1颗粒砂浆保温(外饰为涂料)施工参考图2、施工要点:(1)基层墙体的处理:基层墙体表面不得有油污、脱模剂、浮尘等污染物,墙面不平整处可用角磨机打磨,松动或风化的部分可用水泥砂浆填实后找平。基层墙面若太干燥,应适当洒水润湿。(2)墙面弹线:施工前首先读懂图纸,确认基层结构墙体的伸缩缝、结构沉降缝、防震缝墙体体型突变的具体部位,并做出标记。此外还应弹出首层散水标高线和伸缩缝具体位置。(3)外墙结构工程完毕,外门、窗安装完毕,外门、窗边框与墙体缝隙填满严密,做好窗框表面保护,并经有关部门检查验收合格。(4)外墙雨水管卡、铁件、其它管道提前安装完毕,并预留外保温厚度。(5)基层墙面、外墙四角、洞口等处的表面平整及垂直度均应满足有关施工验收规范的要求。(6)作业环境温度与墙体表面温度大于5℃,风力小于5级,雨天不能施工。(7)既有建筑物墙体需界面拉毛处理后方可施工,界面拉毛必须拉出尖毛,等拉毛养护有了强度后,才可进行下道施工工序的施工。(8)吊垂直、套方找规矩、挂厚度控制线,拉垂直、水平通线、套方作口,用聚苯颗粒保温浆料作标准厚度灰饼冲筋。(9)配置保温浆料。保温浆料配比为保温胶粉:聚苯颗粒:水=30:2:25,配置方法为:将水倒入砂浆搅拌机中,开动搅拌机,然后倒入保温胶粉,搅拌约10min至水泥成均匀粘稠状物,然后倒入聚苯颗粒,搅拌到颗粒与水泥浆料成均匀状即可使用。保温浆料应在1h内用完,过期不得使用。(10)抹聚苯颗粒保温砂浆层,木抹子搓平即可,保证平整度。(11)保温层具有一定强度后(一般约5--7d,以用手按不动表面为准)方可进行抗裂保护层施工。(12)根据建筑物立面情况设分格缝。分格缝除设于基层结构墙体的伸缩缝、结构沉...

1、当您付费下载文档后,您只拥有了使用权限,并不意味着购买了版权,文档只能用于自身使用,不得用于其他商业用途(如 [转卖]进行直接盈利或[编辑后售卖]进行间接盈利)。
2、本站所有内容均由合作方或网友上传,本站不对文档的完整性、权威性及其观点立场正确性做任何保证或承诺!文档内容仅供研究参考,付费前请自行鉴别。
3、如文档内容存在违规,或者侵犯商业秘密、侵犯著作权等,请点击“违规举报”。

碎片内容

颗粒砂浆保温(外饰为涂料)施工工艺

您可能关注的文档

确认删除?
VIP
微信客服
  • 扫码咨询
会员Q群
  • 会员专属群点击这里加入QQ群
客服邮箱
回到顶部