电脑桌面
添加小米粒文库到电脑桌面
安装后可以在桌面快捷访问

公路工程质保体系VIP免费

公路工程质保体系_第1页
1/72
公路工程质保体系_第2页
2/72
公路工程质保体系_第3页
3/72
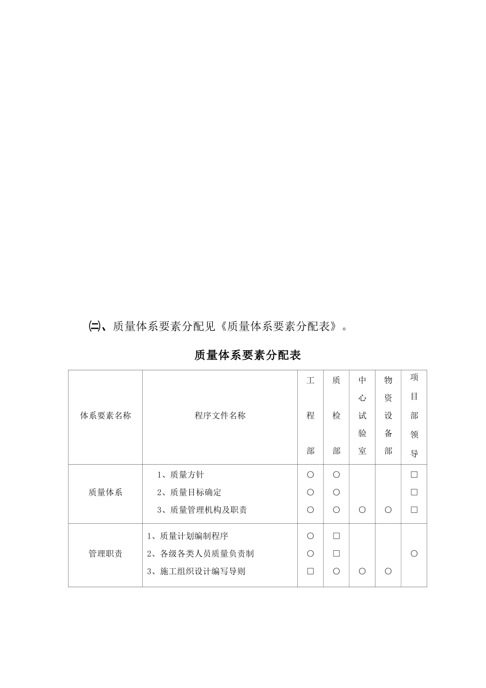
第一章质量保证体系综述我公司已获得ISO9001:2000标准质量体系认证。本项目部依据管理体系要求建立内部质量保证体系,以保证工程质量达到优良。一、质量方针坚持公司质量方针,以满足顾客的要求为宗旨,实现质量目标为准则,领先行业标准为目标,以质为本,全面履行合同要求。二、质量目标㈠、质量控制总目标为以“一流的材料、一流的设备、一流的工艺、一流的管理”四个一流为准则,创国内一流水平。工程实体内实外美、质量安全可靠、经久耐用,功能上以人为本、方便使用,外观做到表面平整、线条直顺、棱角分明、色泽一致,与生态景观协调统一。㈡、按照设计与规范要求,精心施工,减除工程质量通病,争创副组长:项目副经理、总工程师质检工程师:质检工程师工程部负责人物资设备部负责人计财部负责人综合部负责人各施工队负责人试验室负责人精品工程。本工程质量目标为优良工程。㈢、工程无发生重大质量事故。三、质量体系要素控制1、项目质量管理组织机构见下图:质量管理组织机构框图组长:项目经理㈡、质量体系要素分配见《质量体系要素分配表》。质量体系要素分配表体系要素名称程序文件名称工程部质检部中心试验室物资设备部项目部领导质量体系1、质量方针2、质量目标确定3、质量管理机构及职责○○○○○○○○□□□管理职责1、质量计划编制程序2、各级各类人员质量负责制3、施工组织设计编写导则○○□□□○○○○业务培训、持证上岗申请、开工材料、半成品到场并合格,机械设备运转正常技术交底、明确质量要求及施工操作规程是否关键工序否是制定施工作业指导书,并组织施工对施工过程连续监控,及时反馈业务培训,持证上岗工序完工合格资源管理1、物质采购控制程序2、合格分承包方控制程序3、顾客对分承包方验证程序○○□○○○○○□□○○产品实现1、施工准备控制程序2、施工过程控制程序3、关键和特殊工序控制程序4、施工机械设备管理控制5、产品标识及可追溯性□□□○□○○○○○○○○○○○□○○测量分析和改进1、检验和试验设备控制2、检验和试验控制程序3、内部质量审核控制程序4、纠正和预防控制措施5、工程回访控制措施○○□□○□□○○□○○○○○○○注:□主控○协控㈢、质量控制程序见《质量控制程序框图》。质量控制程序框图第二章岗位质量责任制度及管理职责一、各个岗位质量责任制度㈠、项目经理、项目副经理1、认真贯彻质量方针目标,根据质量计划,建立健全质量组织机构,组织制定质量保证措施,并检查、督促项目部全体施工人员贯彻实施。2、全面履行项目工程质量管理职责,对工程质量负责。主持项目工程的质量策划,参与质量审核,组织落实改进措施,并督促实施。3、加强组织质量管理的知识学习,支持质检人员工作,主持QC小组活动。坚持“质量第一”的思想,广泛开展创优工程活动。㈡、总工程师、副总工程师1、在项目经理领导下,贯彻实施质量方针和目标,严格制订项目工程施工技术和质量检验,组织制定项目质量保证措施,认真加强施工管理,并对其工作质量负责。2、主持编制项目工程实施性施工组织设计,明确质量保证要求。组织推广和应用“四新”技术,主持关键工序交底和人员培训,编写有关成果报告和施工技术总结。3、监督、检查采购物资的检验以及设备的控制,主持对不合格品的评审和处置。推广采用统计技术,加强文件和资料的控制,建立质量记录。制定和实施纠正措施与预防措施,严格把好“图纸、测量和试验”关。㈢、质检工程师1、认真执行上级颁布的技术规范、规则和规程,落实工程质量保证措施,对分管项目的质量负责。2、应用统计技术,做好本岗位质量记录的收集、整理、填报、归档工作,确保技术文件的质量,并对新技术新工艺文件和资料的有效性、真实性负责。3、参与施工过程的技术管理工作和不合格工程的评审与处置。参与工程竣工交付,提供有关竣工文件和资料。认真学习质量管理知识,带头参与QC小组活动。4、准确、及时地编制施工生产计划及统计表。深入实际调查研究,掌握第一手材料,建立台帐,保证工作质量。参与合同评审和修定,充分理解合同的内容和要求,并及时传递到相关部门。㈣、工程部1、组织设计文件会审,...

1、当您付费下载文档后,您只拥有了使用权限,并不意味着购买了版权,文档只能用于自身使用,不得用于其他商业用途(如 [转卖]进行直接盈利或[编辑后售卖]进行间接盈利)。
2、本站所有内容均由合作方或网友上传,本站不对文档的完整性、权威性及其观点立场正确性做任何保证或承诺!文档内容仅供研究参考,付费前请自行鉴别。
3、如文档内容存在违规,或者侵犯商业秘密、侵犯著作权等,请点击“违规举报”。

碎片内容

公路工程质保体系

黄金书屋+ 关注
实名认证
内容提供者

爱好英语教学和互联网行业,热爱教育事业,兢兢业业

确认删除?
VIP
微信客服
  • 扫码咨询
会员Q群
  • 会员专属群点击这里加入QQ群
客服邮箱
回到顶部