电脑桌面
添加小米粒文库到电脑桌面
安装后可以在桌面快捷访问

安全检查工作日记VIP专享VIP免费

安全检查工作日记_第1页
1/6
安全检查工作日记_第2页
2/6
安全检查工作日记_第3页
3/6
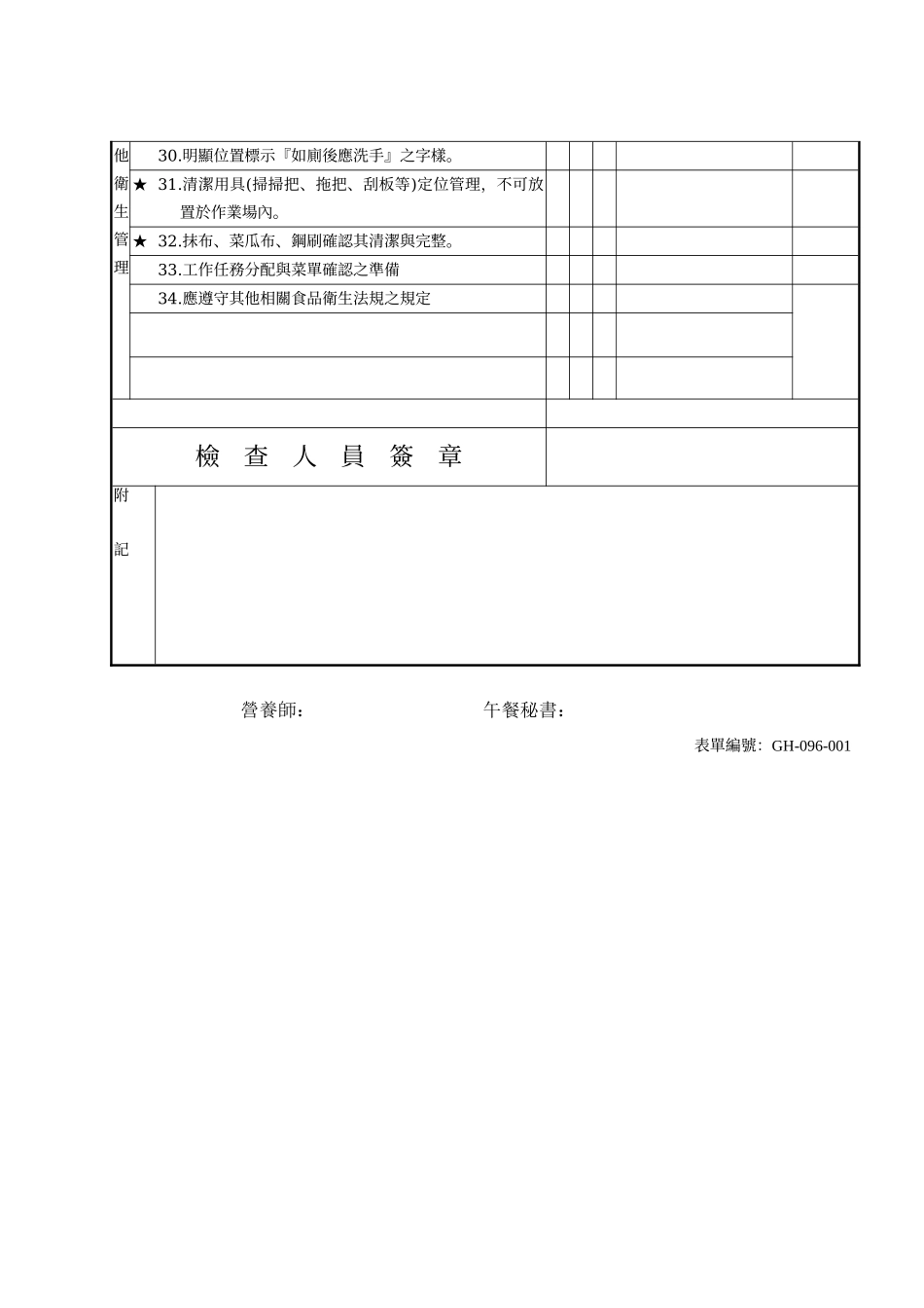
學校午餐衛生安全自主檢查工作日誌-第一表上工前檢查-學校名稱:膳食衛生安全負責人:_______年月日廚師:人。其他工作人員:人。”請填寫:O”“代表合格,X””代表不合格。★記號之項目為重大違規項目缺點:屬為輕微缺失可立即改善或口頭糾正缺失:屬於無法立即改善須期限營繕,應予追蹤檢查項目檢查結果缺點或缺失說明後續處置合格缺點缺失場區環境衛生1.檢查作業區附近周圍是否有污染源,若有污染源存在,則應特別注意阻斷污染源或隔離之適當防治措施。2.檢查作業區地面是否有保持清潔及有無積水、塵土飛楊現象,物品(如棧板)任意推放。★3.檢查排水系統是否保持暢通,且不得有異味。4.有無發現禽畜、寵物等是否滯留作業場或周圍。★5.作業場之出入口自動門、紗門、紗窗、空氣簾或塑膠簾等設施完整及乾淨,且有防止室內外之溫度交流及蚊蠅侵入功效。作業區域衛生管理★6.作業場所天花板、牆壁、地面之設置及設備表面有無殘垢或昆蟲遺留排泄物。7.依作業流程需要及衛生要求,有序而整齊的配置容器具,以避免交叉污染。★8.作業場所不得發現有病媒(如鳥獸、昆蟲、老鼠、蟑螂、蚊蠅等)或其出沒之痕跡。9.作業場所是否有不良氣味,通風口是否保持清潔。10.作業場所內,除維護衛生所必須使用之清潔及消毒用品(少量)外,不得存放使用。11.檢查作業場所之光線是否達到一百米燭光以上,工作台面或調理台面是否達到二百米燭光以上。12.與食品直接接觸之容器、設備(含切割機器與用具)、工作檯等確認其清潔。表一13.作業場所內使用之病媒防治藥劑或其他措施應先移除,不得存放使用。14.庫房內環境保持整潔及良好通風無異味,食物貯存無異常現象。★15.溫溼度檢控設施及作記錄(溫度20-25℃,濕度50-60%)。★16.冷藏庫(0-7℃)及冷凍庫(-18℃以下)是否符合溫度管制及紀錄。(上工前溫度檢查及作記錄)工作人員上工前個人衛生17.作業場所入口前之員工專用更衣室內部保持整齊清潔衛生18.作業人員上工前應更換工作服(含衣、帽及工作鞋),個人衣物、鞋私人物品等應放置於更衣場所,不得帶入食品作業場所。19.工作服穿著整潔,長髮者應有髮網包住頭髮,頭髮不可外露。必要時應戴口罩。★20.如患可能污染食品的疾病(如出疹、膿瘡、外傷、結核病、A型肝炎及腸道傳染病),不得從事與食品接觸有關的工作,經治癒複檢查合格過方得再行從業。★21.工作人員手部有膿腫、瘡傷、傷口較小者,應包紮妥當,戴上衛生手套再行工作,若傷口較大者,或患有出疹、皮膚病者,不得做接觸食品及餐具之工作。22.從業人員是否蓄留指甲、塗抹指甲油及佩戴飾物等。23.進入作業場所及調製食物前應洗手消毒。洗手設施24.洗手槽清潔,有流動自來水、水龍頭避免已洗乾淨的雙手再遭受污染。25.洗手設施(含廚房內員工專用之洗手設施),避免使用肥皂。洗手用清潔劑、乾手器或擦手紙巾、洗手刷、垃圾桶、消毒液等應備齊。26.使用紙巾者,使用後之紙巾應丟入易保持清潔的垃圾桶內(最好使用腳踏開蓋式垃圾桶)。若採用烘手器,應定期清洗、消毒內部,避免污染。27.乾手設備內部應保持乾淨。28.應有洗手方法掛圖或說明。其29.檢查廁所內是否保持整潔,及有無不良氣味。他衛生管理30.明顯位置標示『如廁後應洗手』之字樣。★31.清潔用具(掃掃把、拖把、刮板等)定位管理,不可放置於作業場內。★32.抹布、菜瓜布、鋼刷確認其清潔與完整。33.工作任務分配與菜單確認之準備34.應遵守其他相關食品衛生法規之規定檢查人員簽章附記營養師:午餐秘書:表單編號:GH-096-001學校午餐衛生安全自主檢查工作日誌-第二表工作中檢查-學校名稱:膳食衛生安全負責人:_______年月日廚師:人。其他工作人員:人。”請填寫:O”“代表合格,X””代表不合格。★記號之項目為重大違規項目缺點:屬為輕微缺失可立即改善或口頭糾正缺失:屬於無法立即改善須期限營繕,應予追蹤檢查項目檢查結果缺點或缺失說明後續處置合格缺點缺失作業人員工作中衛生1.進行配、供膳作業或直接接觸食物時應「配戴口罩」。2.工作中不可有吸煙、嚼檳榔、飲食、隨地吐痰、挖鼻、搔頭等可能污染食品之行為。3.不可有以衣袖擦汗、衣褲擦手等不良的行為。4.打噴嚏時,應...

1、当您付费下载文档后,您只拥有了使用权限,并不意味着购买了版权,文档只能用于自身使用,不得用于其他商业用途(如 [转卖]进行直接盈利或[编辑后售卖]进行间接盈利)。
2、本站所有内容均由合作方或网友上传,本站不对文档的完整性、权威性及其观点立场正确性做任何保证或承诺!文档内容仅供研究参考,付费前请自行鉴别。
3、如文档内容存在违规,或者侵犯商业秘密、侵犯著作权等,请点击“违规举报”。

碎片内容

安全检查工作日记

确认删除?
VIP
微信客服
  • 扫码咨询
会员Q群
  • 会员专属群点击这里加入QQ群
客服邮箱
回到顶部