电脑桌面
添加小米粒文库到电脑桌面
安装后可以在桌面快捷访问

施工现场质量管理检查记录1VIP免费

施工现场质量管理检查记录1_第1页
1/285
施工现场质量管理检查记录1_第2页
2/285
施工现场质量管理检查记录1_第3页
3/285
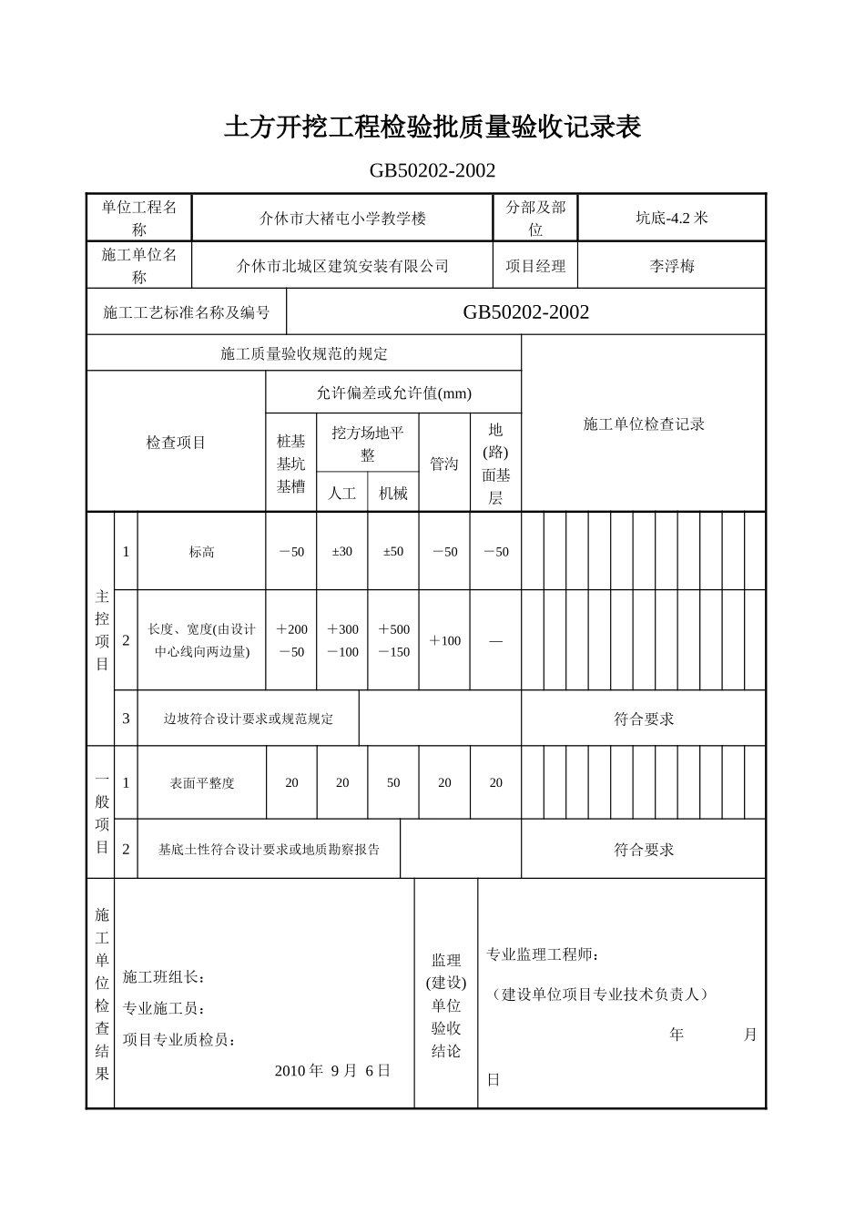
施工现场质量管理检查记录表表A.0.1开工日期2010.9.1工程名称介休市大褚屯小学教学楼施工许可证(开工证)建设单位介休市大褚屯小学项目负责人岳泽设计单位介休市建筑设计院项目负责人王照义监理单位山西安宇建设监理有限公司总监理工程师贾俊施工单位介休市北城区建安公司项目经理李浮梅项目技术负责人温玉江序号项目内容1现场质量管理制度图纸会审□技术交底□工序交接制□质量检查制度□质量奖惩制□质量例会制□质量问题处理制度□2质量责任制岗位责任制等3主要专业工种操作上岗证书主查塔吊司机□起重工□机械工□防水工□电工□电气焊工□4分包方资质与对分包单位的管理制度5施工图审查情况6地质勘察资料7施工组织设计、施工方案及审批施工设计的编制、审核、批准齐全8施工技术标准是否编制企业标准□有批准程序□批准日期、执行日期□标准编号及名称□9工程质量检验制度1.原材料进场检验制度□2.施工过程试验制度和工序质量检验制度□3.竣工抽查检验制度□10搅拌站及计量设置有管理制度和计量设施精确度及控制措施11现场材料、设备存放与管理钢材、水泥、砂石的管理办法121314说明:检查结论:施工单位项目经理:年月日验收结论:总监理工程师(建设单位项目负责人)年月日施工现场质量管理检查记录表表A.0.1开工日期2011.工程名称介休市裕康嘉苑三期2#、3#楼施工许可证(开工证)建设单位介休市经济适用房、廉租房建设管理中心项目负责人赵军栋设计单位介休市建筑设计院项目负责人王照义监理单位介休市雅晟建设监理有限公司总监理工程师郭美莲施工单位介休市北城区建安公司项目经理武海山项目技术负责人温玉江序号项目内容1现场质量管理制度图纸会审□技术交底□工序交接制□质量检查制度□质量奖惩制□质量例会制□质量问题处理制度□2质量责任制岗位责任制等3主要专业工种操作上岗证书主查塔吊司机□起重工□机械工□防水工□电工□电气焊工□4分包方资质与对分包单位的管理制度5施工图审查情况6地质勘察资料7施工组织设计、施工方案及审批施工设计的编制、审核、批准齐全8施工技术标准是否编制企业标准□有批准程序□批准日期、执行日期□标准编号及名称□9工程质量检验制度1.原材料进场检验制度□2.施工过程试验制度和工序质量检验制度□3.竣工抽查检验制度□10搅拌站及计量设置有管理制度和计量设施精确度及控制措施11现场材料、设备存放与管理钢材、水泥、砂石的管理办法1213说明:检查结论:施工单位项目经理:年月日验收结论:总监理工程师(建设单位项目负责人)年月日土方开挖工程检验批质量验收记录表GB50202-2002单位工程名称介休市大褚屯小学教学楼分部及部位坑底-4.2米施工单位名称介休市北城区建筑安装有限公司项目经理李浮梅施工工艺标准名称及编号GB50202-2002施工质量验收规范的规定施工单位检查记录检查项目允许偏差或允许值(mm)桩基基坑基槽挖方场地平整管沟地(路)面基层人工机械主控项目1标高-50±30±50-50-502长度、宽度(由设计中心线向两边量)+200-50+300-100+500-150+100—3边坡符合设计要求或规范规定符合要求一般项目1表面平整度20205020202基底土性符合设计要求或地质勘察报告符合要求施工单位检查结果施工班组长:专业施工员:项目专业质检员:2010年9月6日监理(建设)单位验收结论专业监理工程师:(建设单位项目专业技术负责人)年月日灰土地基工程检验批质量验收记录表GB50202-2002010301□□单位工程名称介休市大褚屯小学教学楼分部及部位灰土地基第一步施工单位名称介休市北城区建筑安装有限公司项目经理李浮梅施工工艺标准及编号GB50202-2002施工质量验收规范的规定施工单位检查记录主控项目1地基承载力符合设计要求符合设计要求√2配合比符合设计要求三七灰土符合设计要求√3压实系数符合设计要求符合设计要求√一般项目1石灰粒径(mm)≤5符合要求√2土料有机质含量(%)≤53土颗粒粒径(mm)≤15符合要求√4含水量(与要求的最优含水量比较)(%)±2√5分层厚度偏差(与设计要求比较)(mm)±50√施工单位检查结果施工班长:专业施工员:项目专业质检员:年月日监理(建设)单位验收结论专业监理工程师:(建设单位项目专业技术负责人)...

1、当您付费下载文档后,您只拥有了使用权限,并不意味着购买了版权,文档只能用于自身使用,不得用于其他商业用途(如 [转卖]进行直接盈利或[编辑后售卖]进行间接盈利)。
2、本站所有内容均由合作方或网友上传,本站不对文档的完整性、权威性及其观点立场正确性做任何保证或承诺!文档内容仅供研究参考,付费前请自行鉴别。
3、如文档内容存在违规,或者侵犯商业秘密、侵犯著作权等,请点击“违规举报”。

碎片内容

施工现场质量管理检查记录1

确认删除?
VIP
微信客服
  • 扫码咨询
会员Q群
  • 会员专属群点击这里加入QQ群
客服邮箱
回到顶部