电脑桌面
添加小米粒文库到电脑桌面
安装后可以在桌面快捷访问

油田三抽标准采购技术协议VIP免费

油田三抽标准采购技术协议_第1页
1/34
油田三抽标准采购技术协议_第2页
2/34
油田三抽标准采购技术协议_第3页
3/34
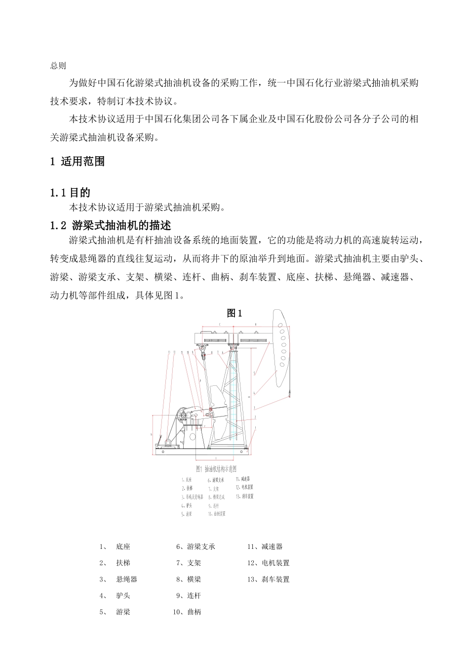
附件3:中国石化游梁式抽油机采购技术协议买方(甲方):卖方(乙方):目录总则...........................................................................................................................11适用范围................................................................................................................11.1目的.................................................................................................................11.2游梁式抽油机的描述....................................................................................11.3游梁式抽油机的执行标准.............................................................................21.4游梁式抽油机结构采用型式.........................................................................21.5游梁式抽油机基本参数.................................................................................22技术和质量要求....................................................................................................42.1一般要求........................................................................................................42.2主要零部件设计要求....................................................................................42.3抽油机制造符合SY/T5044—2003游梁式抽油机第5条技术要求........52.4抽油机的包装................................................................................................52.5随机配带下列工具、附件和文件................................................................52.6抽油机产品的质量保证.................................................................................62.7买方的特殊要求.............................................................................................62.8技术服务.........................................................................................................62.9技术补充说明.................................................................................................73投标文件中应提供的文件....................................................................................7总则为做好中国石化游梁式抽油机设备的采购工作,统一中国石化行业游梁式抽油机采购技术要求,特制订本技术协议。本技术协议适用于中国石化集团公司各下属企业及中国石化股份公司各分子公司的相关游梁式抽油机设备采购。1适用范围1.1目的本技术协议适用于游梁式抽油机采购。1.2游梁式抽油机的描述游梁式抽油机是有杆抽油设备系统的地面装置,它的功能是将动力机的高速旋转运动,转变成悬绳器的直线往复运动,从而将井下的原油举升到地面。游梁式抽油机主要由驴头、游梁、游梁支承、支架、横梁、连杆、曲柄、刹车装置、底座、扶梯、悬绳器、减速器、动力机等部件组成,具体见图1。图11、底座6、游梁支承11、减速器2、扶梯7、支架12、电机装置3、悬绳器8、横梁13、刹车装置4、驴头9、连杆5、游梁10、曲柄1.3游梁式抽油机的执行标准SY/T5044—2003游梁式抽油机APIspec11E抽油机规范1.4游梁式抽油机结构采用型式1.4.1类别采用:a)常规型;b)异相型。1.4.2平衡方式采用:a)曲柄平衡;b)复合平衡。1.4.3驴头结构型式采用:a)锁块式转角自让位式;b)上挂式;c)侧翻式。1.4.4齿轮减速器传动型式为分流式人字圆柱齿轮传动,齿形采用点啮合双圆弧。1.4.5底座的固定方式采用:a)压杠固定;b)地脚螺栓固定。1.4.6动力机型式采用:a)电动机;b)内燃机。1.5游梁式抽油机基本参数1.5.1按照SY/T5044—2003标准生产游梁式抽油机基本参数采用见表1序号抽油机机型号及规格额定载荷lOkN最大冲程m减速器额定扭矩kN.m类别平衡方式驴头让位1CYJY6-2.5-26HF62.526异相符合平衡锁块式转角自让位2CYJY6-3-26HF6326异相3CYJ8-3-37HB8337常...

1、当您付费下载文档后,您只拥有了使用权限,并不意味着购买了版权,文档只能用于自身使用,不得用于其他商业用途(如 [转卖]进行直接盈利或[编辑后售卖]进行间接盈利)。
2、本站所有内容均由合作方或网友上传,本站不对文档的完整性、权威性及其观点立场正确性做任何保证或承诺!文档内容仅供研究参考,付费前请自行鉴别。
3、如文档内容存在违规,或者侵犯商业秘密、侵犯著作权等,请点击“违规举报”。

碎片内容

油田三抽标准采购技术协议

您可能关注的文档

确认删除?
VIP
微信客服
  • 扫码咨询
会员Q群
  • 会员专属群点击这里加入QQ群
客服邮箱
回到顶部