电脑桌面
添加小米粒文库到电脑桌面
安装后可以在桌面快捷访问

安装、改造、重大维修特种设备监督检验报检须知VIP免费

安装、改造、重大维修特种设备监督检验报检须知_第1页
1/3
安装、改造、重大维修特种设备监督检验报检须知_第2页
2/3
安装、改造、重大维修特种设备监督检验报检须知_第3页
3/3
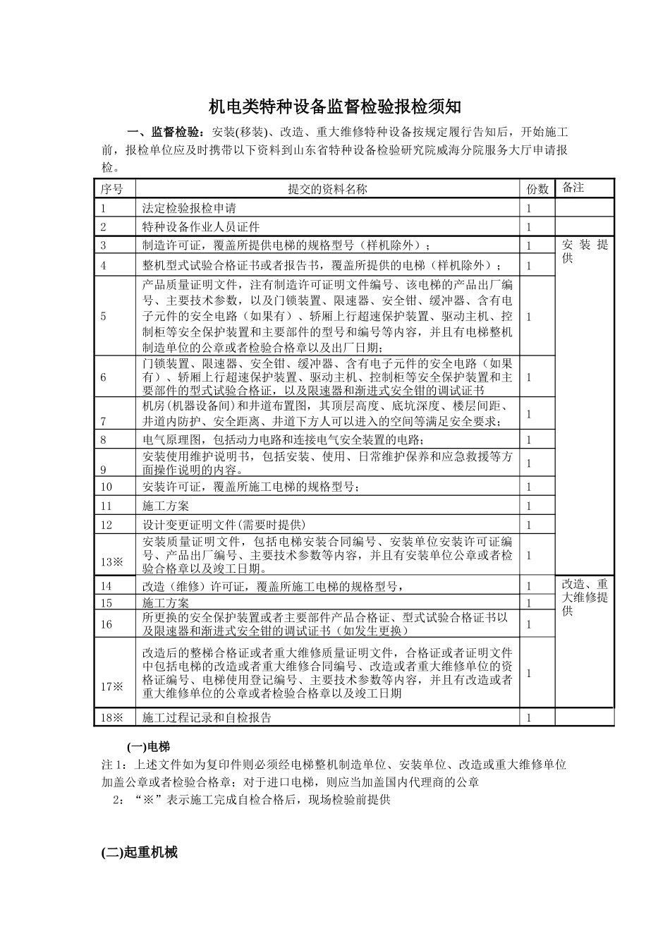
机电类特种设备监督检验报检须知一、监督检验:安装(移装)、改造、重大维修特种设备按规定履行告知后,开始施工前,报检单位应及时携带以下资料到山东省特种设备检验研究院威海分院服务大厅申请报检。(一)电梯注1:上述文件如为复印件则必须经电梯整机制造单位、安装单位、改造或重大维修单位加盖公章或者检验合格章;对于进口电梯,则应当加盖国内代理商的公章2:“※”表示施工完成自检合格后,现场检验前提供(二)起重机械序号提交的资料名称份数备注1法定检验报检申请12特种设备作业人员证件13制造许可证,覆盖所提供电梯的规格型号(样机除外);1安装提供4整机型式试验合格证书或者报告书,覆盖所提供的电梯(样机除外);15产品质量证明文件,注有制造许可证明文件编号、该电梯的产品出厂编号、主要技术参数,以及门锁装置、限速器、安全钳、缓冲器、含有电子元件的安全电路(如果有)、轿厢上行超速保护装置、驱动主机、控制柜等安全保护装置和主要部件的型号和编号等内容,并且有电梯整机制造单位的公章或者检验合格章以及出厂日期;16门锁装置、限速器、安全钳、缓冲器、含有电子元件的安全电路(如果有)、轿厢上行超速保护装置、驱动主机、控制柜等安全保护装置和主要部件的型式试验合格证,以及限速器和渐进式安全钳的调试证书17机房(机器设备间)和井道布置图,其顶层高度、底坑深度、楼层间距、井道内防护、安全距离、井道下方人可以进入的空间等满足安全要求;18电气原理图,包括动力电路和连接电气安全装置的电路;19安装使用维护说明书,包括安装、使用、日常维护保养和应急救援等方面操作说明的内容。110安装许可证,覆盖所施工电梯的规格型号;111施工方案112设计变更证明文件(需要时提供)113※安装质量证明文件,包括电梯安装合同编号、安装单位安装许可证编号、产品出厂编号、主要技术参数等内容,并且有安装单位公章或者检验合格章以及竣工日期。114改造(维修)许可证,覆盖所施工电梯的规格型号,1改造、重大维修提供15施工方案116所更换的安全保护装置或者主要部件产品合格证、型式试验合格证书以及限速器和渐进式安全钳的调试证书(如发生更换)117※改造后的整梯合格证或者重大维修质量证明文件,合格证或者证明文件中包括电梯的改造或者重大维修合同编号、改造或者重大维修单位的资格证编号、电梯使用登记编号、主要技术参数等内容,并且有改造或者重大维修单位的公章或者检验合格章以及竣工日期118※施工过程记录和自检报告1序号提交的资料名称份数备注1法定检验报检申请12特种设备安装改造维修告知单3特种设备安装改造维修许可证14施工合同文件15施工计划16施工质量计划17空白工作见证18施工单位质量保证手册1第1次来威海施工的单位9施工单位程序文件或管理制度110施工组织机构、质量保证机构和质量控制系统责任人的任命文件111施工作业(工艺)文件112现场安装改造维修作业人员的资格证件113产品设计文件(总图、主要受力结构件图、机械传动图和电气、液压系统原理图)114产品质量合格证明1桥式起重机提供15安装及其使用维护说明116型式试验合格证明117制造监督检验证书1实施监督检验的起重机提供18起重机预期用途和预期工作环境的说明文件119起重机安装基础验收合格证明1改造、重大维修的施工20※主要零部件、安全保护装置型试试验证明(报告)、合格证1安全保护装置型试试验证明(报告)21※载荷试验方案(必要时)122※施工单位安装自检记录(已填好的工作见证资料)1注1:上述文件如为复印件则必须经电梯整机制造单位、安装单位、改造或重大维修单位加盖公章或者检验合格章;对于进口电梯,则应当加盖国内代理商的公章2:“※”表示施工完成自检合格后,现场检验前提供(三)厂内车辆序号施工单位提交的资料名称份数备注1法定检验报检申请12制造许可证,覆盖所提供厂内车辆的规格型号(样机除外);13型试试验报告14产品质量合格证明1注:上述文件如为复印件则必须经制造单位、使用单位加盖公章或者检验合格章二、定期检验特种设备使用单位应在安全检验合格有效期届满前一个月携带以下资料到山东省特种设备检验研究院威海分院服务大厅申请报检。(一)电梯(二)...

1、当您付费下载文档后,您只拥有了使用权限,并不意味着购买了版权,文档只能用于自身使用,不得用于其他商业用途(如 [转卖]进行直接盈利或[编辑后售卖]进行间接盈利)。
2、本站所有内容均由合作方或网友上传,本站不对文档的完整性、权威性及其观点立场正确性做任何保证或承诺!文档内容仅供研究参考,付费前请自行鉴别。
3、如文档内容存在违规,或者侵犯商业秘密、侵犯著作权等,请点击“违规举报”。

碎片内容

安装、改造、重大维修特种设备监督检验报检须知

确认删除?
VIP
微信客服
  • 扫码咨询
会员Q群
  • 会员专属群点击这里加入QQ群
客服邮箱
回到顶部