电脑桌面
添加小米粒文库到电脑桌面
安装后可以在桌面快捷访问

工艺标准(配管接线)1VIP免费

工艺标准(配管接线)1_第1页
1/8
工艺标准(配管接线)1_第2页
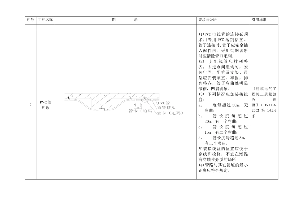
2/8
工艺标准(配管接线)1_第3页
3/8
序号工序名称图示要求与做法引用标准1PVC管暗敷(1)PVC电线管的连接必须采用专用PVC溶剂粘接。管子连接时,管子应完全插入配件内。采用钢锯切断时应清除管口毛刺。(2)暗配管应沿最近的路线敷设,尽量减少弯头数量,埋入墙或地面混凝土的线管保护厚度不小于15mm。(3)管路应敷设在两层钢筋中,管进盒箱应煨成“S”弯,管子按要求固定。(4)下列情况应加装接线盒:a、长度每超过30m,无弯曲;b、管长度每超过20m,有一个弯曲;c、管长度每超过15m,有二个弯曲;d、管长度每超过8m,有三个弯曲。加装接线盒的位置应便于穿线和检修,不宜在潮湿有腐蚀性介质的场所。(5)朝上的管口应及时封堵,其它工种作业时,应注意不要碰坏已经敷设完毕的管路,避免造成不通。《建筑电气工程施工质量验收规范》GB50303-2002第14.2.6条硬塑料管配线安装(98D467)第4页序号工序名称图示要求与做法引用标准2PVC管明敷(1)PVC电线管的连接必须采用专用PVC溶剂粘接。管子连接时,管子应完全插入配件内。采用钢锯切断时应清除管口毛刺。(2)明配线管应排列整齐,固定点间距均匀,安装牢固,配管及支架、吊架应安装顺直、牢固,排列整齐,管子弯曲处明显皱褶,凹扁现象。(3)下列情况应加装接线盒:a、度每超过30m,无弯曲;b、管长度每超过20m,有一个弯曲;c、管长度每超过15m,有二个弯曲;d、管长度每超过8m,有三个弯曲。加装接线盒的位置应便于穿线和检修,不宜在潮湿有腐蚀性介质的场所(4)管路与其它管道的最小距离应符合规定。《建筑电气工程施工质量验收规范》GB50303-2002第14.2.6条序号工序名称图示要求与做法引用标准3镀锌线管(钢管)暗敷(1)镀锌电线管或钢管管内平滑无毛刺,焊缝平整无开裂,镀锌层均匀无锈点,镀锌电线管管壁厚度应在1.5mm以上。(2)电线管(钢管)切割时采用钢锯或管子割刀,镀锌管禁用沙轮切割机以免损坏镀锌层,管材切口用铰刀或锉刀清除毛刺。(3)电线管(钢管)弯曲时,管材焊缝应置于侧面,以免焊缝因受压或受拉而开裂。(4)暗配管应沿最近的路线敷设,尽量减少弯头数量,埋入墙或地面混凝土的线管保护厚度不小于15mm。《建筑电气工程施工质量验收规范》GB50303-2002序号工序名称图示要求与做法引用标准4镀锌线管(钢管)明敷(1)明配线管用带底座的鞍形管卡固定,管卡间距不大于1.2米。明配钢管应排列整齐美观,固定点间距均匀,在终端、转弯点、电气器具或接线盒、箱边缘的距离为150~500mm范围内设有管卡。中间直线段管卡最大距离应符合规定。(2)连接方式及跨接线作法同暗敷管。(3)支架、吊架的规格设计无规定时,应符合扁钢-30*3,角钢L25*25*3。(4)水平或垂直管明敷允许偏差,2米以上为3mm,全长不超过管内径的1/2。(5)钢管不能与设备连接时,可采用金属软管,但必须采用专用接头,不宜超过1米;钢管管口距地面不宜低于20mm。(6)明配管必须与通风暖卫等专业密切协调配合。《建筑电气工程施工质量验收规范》GB50303-2002序号工序名称图示要求与做法引用标准5接线盒安装(1)铁接线盒应有足够的强度,铆接或焊接部位不应有松动或脱落,明装接线盒应是热镀锌产品,明装线盒的敲落孔不应有过大的间隙或敲落孔脱落的现象,应有接地螺丝及固定孔。线路有防水或防爆要求时应采用丝扣连接的密封的铸铝或铸铁接线盒。(2)暗埋于楼板内的灯头盒与PVC线管的连接处最易因浇灌混凝土时受重压、撞击而破裂,应选用有加强肋的灯头盒并做好保护措施,浇注混凝土时应有专人值班看护,发现损坏及时进行维修。(3)明装线盒应密封,不应有多余的孔洞。(4)对于楼板底层较大及剪力墙上的暗埋线盒应按方式一作好来回弯避免埋的过深。《建筑电气工程施工质量验收规范》GB50303-2002序号工序名称图示要求与做法引用标准6单芯铜导线直线连接绞接法(1)导线连接接头不能增加电阻值,不能降低原机械强度,不能降低原绝缘强度。(2)灯头盒、开关盒、接线盒及插座盒内的导线预留长度为150mm。(3)本法适用于4mm2以下的单芯线连接,将两线互相交叉,用双手同时把两芯线互绞两圈后,将两个线芯在另一个线芯上缠绕5圈,剪掉余头,如左图。(3)6mm2以上的单芯线直线连接,必须采用缠绕卷法。(4)不同回路、不同电压等级和交流与直...

1、当您付费下载文档后,您只拥有了使用权限,并不意味着购买了版权,文档只能用于自身使用,不得用于其他商业用途(如 [转卖]进行直接盈利或[编辑后售卖]进行间接盈利)。
2、本站所有内容均由合作方或网友上传,本站不对文档的完整性、权威性及其观点立场正确性做任何保证或承诺!文档内容仅供研究参考,付费前请自行鉴别。
3、如文档内容存在违规,或者侵犯商业秘密、侵犯著作权等,请点击“违规举报”。

碎片内容

工艺标准(配管接线)1

确认删除?
VIP
微信客服
  • 扫码咨询
会员Q群
  • 会员专属群点击这里加入QQ群
客服邮箱
回到顶部