电脑桌面
添加小米粒文库到电脑桌面
安装后可以在桌面快捷访问

精整组长岗位职责说明VIP免费

精整组长岗位职责说明_第1页
1/4
精整组长岗位职责说明_第2页
2/4
精整组长岗位职责说明_第3页
3/4
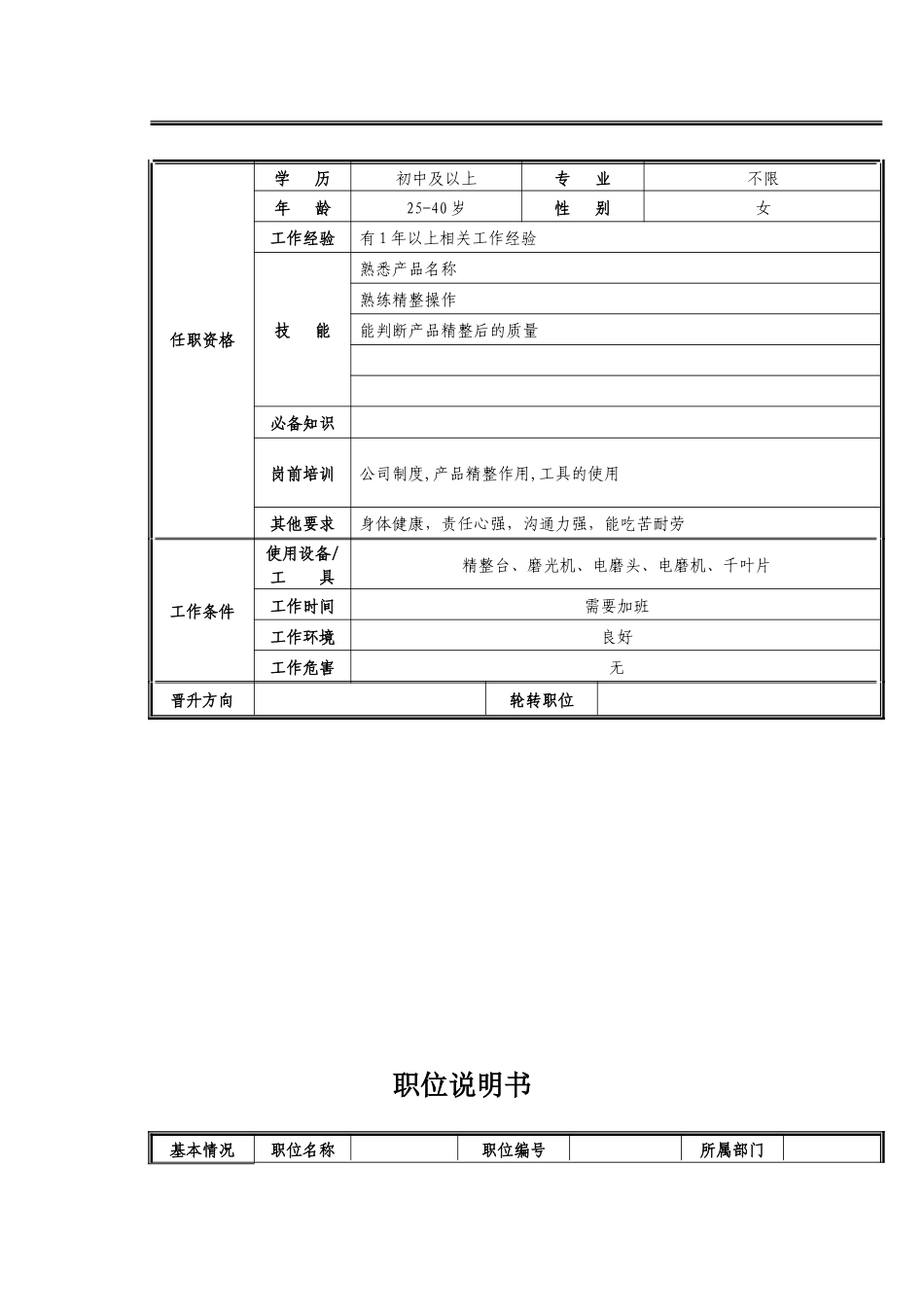
精整组长职位说明书基本情况职位名称精整组长职位编号所属部门压铸车间直接上级职位编制职系精整直接下级所辖人数编制人彭晓明审核人职位概要对需要精整、抛光处理的产品进行确认,指导员工正确操作工作职责与工作任务:1、严格按检验要求精整进行精整,对其质量进行跟踪2、负责作好精整产品的名称、数量3、作好自己份内工作的同时,监督好本区域的“6S”现场,并作好记录4、负责物资的领取记录5、完成上级临时交代的其他工作工作职权对精整工违章违纪的考核权对精整员工请假、申请的审批权工作协作关系:内部关系汇报发现异常及时汇报现场管理员督导对精整工操作进行督导协调出现异常与现场管理员、打磨工进行协调外部关系任职资格学历初中及以上专业不限年龄25-40岁性别女工作经验有1年以上相关工作经验技能熟悉产品名称熟练精整操作能判断产品精整后的质量必备知识岗前培训公司制度,产品精整作用,工具的使用其他要求身体健康,责任心强,沟通力强,能吃苦耐劳工作条件使用设备/工具精整台、磨光机、电磨头、电磨机、千叶片工作时间需要加班工作环境良好工作危害无晋升方向轮转职位职位说明书基本情况职位名称职位编号所属部门直接上级职位编制职系直接下级所辖人数编制人审核人职位概要为稳定、提高产品质量提供模具保证工作职责与工作任务:工作职权工作协作关系:内部关系汇报督导协调外部关系任职资格学历专业年龄性别工作经验技能必备知识岗前培训其他要求工作条件使用设备/工具工作时间工作环境工作危害晋升方向轮转职位

1、当您付费下载文档后,您只拥有了使用权限,并不意味着购买了版权,文档只能用于自身使用,不得用于其他商业用途(如 [转卖]进行直接盈利或[编辑后售卖]进行间接盈利)。
2、本站所有内容均由合作方或网友上传,本站不对文档的完整性、权威性及其观点立场正确性做任何保证或承诺!文档内容仅供研究参考,付费前请自行鉴别。
3、如文档内容存在违规,或者侵犯商业秘密、侵犯著作权等,请点击“违规举报”。

碎片内容

精整组长岗位职责说明

您可能关注的文档

确认删除?
VIP
微信客服
  • 扫码咨询
会员Q群
  • 会员专属群点击这里加入QQ群
客服邮箱
回到顶部