电脑桌面
添加小米粒文库到电脑桌面
安装后可以在桌面快捷访问

冶炼车间主任岗位工作标准VIP免费

冶炼车间主任岗位工作标准_第1页
1/44
冶炼车间主任岗位工作标准_第2页
2/44
冶炼车间主任岗位工作标准_第3页
3/44
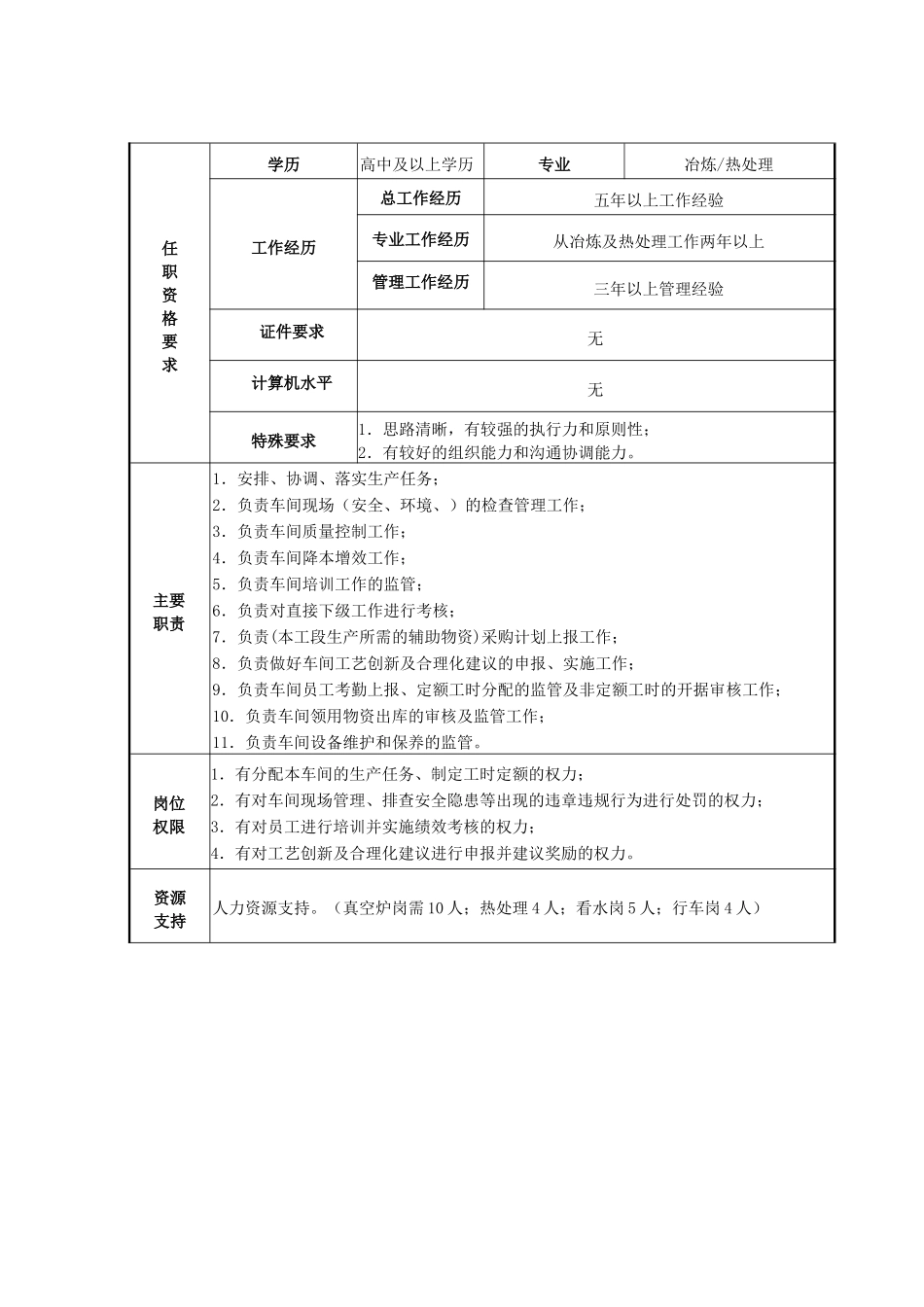
冶炼车间主任岗位工作标准受控状态:文件编号:TC/TB—SCJB—01版本/状态:A/0编制:别国锋审核:黄国团批准:分发号:龙成集团西峡龙成特种材料有限公司铜板厂发布日期:2010年月日实施日期:2010年月日1.岗位说明岗位名称冶炼车间主任所在单位铜板厂冶炼车间岗位级别/职称正科级岗位类别■管理岗□技术岗□工人岗工作场所■本公司所在地□驻外工作制■周40小时白班□倒班制直接主管岗位铜板厂生产副总直接下级岗位车间员工业绩考核部门铜板厂生产科、督查考核办任职资格要求学历高中及以上学历专业冶炼/热处理工作经历总工作经历五年以上工作经验专业工作经历从冶炼及热处理工作两年以上管理工作经历三年以上管理经验证件要求无计算机水平无特殊要求1.思路清晰,有较强的执行力和原则性;2.有较好的组织能力和沟通协调能力。主要职责1.安排、协调、落实生产任务;2.负责车间现场(安全、环境、)的检查管理工作;3.负责车间质量控制工作;4.负责车间降本增效工作;5.负责车间培训工作的监管;6.负责对直接下级工作进行考核;7.负责(本工段生产所需的辅助物资)采购计划上报工作;8.负责做好车间工艺创新及合理化建议的申报、实施工作;9.负责车间员工考勤上报、定额工时分配的监管及非定额工时的开据审核工作;10.负责车间领用物资出库的审核及监管工作;11.负责车间设备维护和保养的监管。岗位权限1.有分配本车间的生产任务、制定工时定额的权力;2.有对车间现场管理、排查安全隐患等出现的违章违规行为进行处罚的权力;3.有对员工进行培训并实施绩效考核的权力;4.有对工艺创新及合理化建议进行申报并建议奖励的权力。资源支持人力资源支持。(真空炉岗需10人;热处理4人;看水岗5人;行车岗4人)通用要求1.“6S”管理要求:1.1保持地面卫生干净整洁;物品定位摆放;桌椅、玻璃干净无灰尘;语言文明,举止高雅。1.2员工每天下班离开车间办公室之前,均须整理个人桌面。桌面允许摆放的物品包括电话、文具架和茶杯,其它物品一律不得保留。1.3不能在办公室内随意张贴文件、通知等。1.4对有关资料、书籍、文件等应归类定置管理,并井然有序。1.5重要资料及时存档,用完后及时上锁;注意信息安全,做好保密工作。1.6负责对本车间“6S”现场管理工作进行检查,并对相关人员进行考核与处罚。1.7按照公司要求配合并接受综合管理部的“6S”现场管理检查工作。2.成本控制要求:2.1节约用电,每天下班后及时督促车间员工关闭办公设备电源。2.2严控办公用品消耗,控制在每人每月10元以内,超支情况联系本部门负责人的考核。2.3严格控制车间各工段、班组的生产费用定额和日常费用消耗定额,并制定车间具体的降本增效实施方案。3.工作纪律要求:3.1严格执行交接班时间,不得迟到、早退,甚至旷工。3.2请假须填写请假条,并按权限逐级报批,特殊原因可电话请示领导,但事后必须履行补假手续。3.3上班时间不得串岗、离岗、看闲书、玩手机。3.4培训期间认真听讲,做好笔记,并确保记录内容清晰、完整。3.5培训考试严禁交头接耳,带小抄或替考等作弊行为。未尽事宜详见相关文件:豫龙监察(2010)19号《龙成集团员工违规违纪处罚条例(暂行)》见附录一4.培训工作要求:4.1积极学习龙成文化、龙成报、集团公司和特材公司的文件制度,以及与本车间相关的专业知识和管理制度,不断提高业务能力。4.2每月制定车间月度培训计划,按照培训计划,每周组织一次车间全体人员培训。4.3督促本车间员工按时到指定地点参加各类培训(含周六培训学习日),特殊原因必须履行请假手续。通用要求5.安全管理要求:5.1进入车间必须做好“两穿一戴”确保人身安全。5.2做好车间各岗位安全隐患的排查、整改工作,确保安全零事故。5.3做好车间生产资料及相关文件保密工作。6.按时完成领导交办的临时工作:6.1将领导交办的临时工作记录在个人工作台帐中,将临时工作的名称、下发时间、工作完成的质量要求、任务量等记录清晰。6.2在一个工作日内,将工作完成的情况向领导回复,对于解决不了的问题,在发现需要外援或帮助时立即向领导请示,不得因各种原因而延误最佳工作时间。2.本岗位工作序号工...

1、当您付费下载文档后,您只拥有了使用权限,并不意味着购买了版权,文档只能用于自身使用,不得用于其他商业用途(如 [转卖]进行直接盈利或[编辑后售卖]进行间接盈利)。
2、本站所有内容均由合作方或网友上传,本站不对文档的完整性、权威性及其观点立场正确性做任何保证或承诺!文档内容仅供研究参考,付费前请自行鉴别。
3、如文档内容存在违规,或者侵犯商业秘密、侵犯著作权等,请点击“违规举报”。

碎片内容

冶炼车间主任岗位工作标准

确认删除?
VIP
微信客服
  • 扫码咨询
会员Q群
  • 会员专属群点击这里加入QQ群
客服邮箱
回到顶部