电脑桌面
添加小米粒文库到电脑桌面
安装后可以在桌面快捷访问

成品车间主任年度位绩效考核表VIP免费

成品车间主任年度位绩效考核表_第1页
1/3
成品车间主任年度位绩效考核表_第2页
2/3
成品车间主任年度位绩效考核表_第3页
3/3
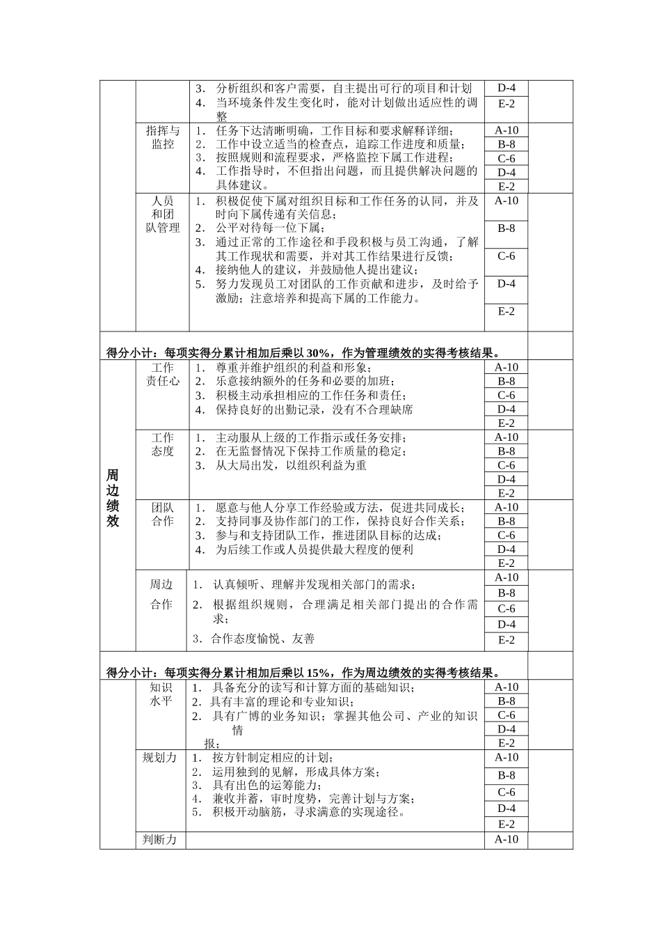
年度位绩效考核表部门:生产部岗位:成品生产主任姓名:年月日考核项目具体内容及定义考核标准考核结果任务绩效生产管理1.根据公司下达的生产计划合理安排车间内部各班组年、季、月度生产计划;2.组织、调度和安排本车间内部生产相关的各项工作;指导和协调生产过程中出现的下属班组难以解决的问题;3.对生产过程中出现的偏差及时给予矫正,并对各班组工作结果进行考核;4.根据公司对各种产品物耗指标的界定,确定本车间各班组生产物耗指标,并对最终结果进行考核。A-10B-8C-6D-4E-2车间质量管理1.按照质量认证要求,制定下属各班组质量控制标准,并对最终完成结果进行考核;2.指导监督本车间各生产环节工作质量能够按要求进行;A-10B-8C-6D-4E-2车间内部管理1.合理编制本车间定编定员,减少本车间内部的冗员;2.制订年度和月度本车间固定资产管理工作计划以及突发应变计划;3.负责本车间所有生产性和部分非生产性设备及其它固定资产的登记造册、日常维护修理;4.合理配置本车间各种生产设备及非生产设备的使用,杜绝设备浪费;5.按财务部要求编制本车间预算,并根据最终批准的预算控制车间成本。6.制定本车间安全文明生产的标准,并对工作中出现的违规现象进行监督与考核。7.熟悉车间各种设备的运行状况,定期安排设备的维护和保养。A-10B-8C-6D-4E-2得分小计:每项实得分累计相加后乘以40%,作为任务绩效的实得考核结果。管理绩效决策与授权1.鼓励下属及相关人员参与部门工作决策过程;2.责权范围内,独立作出决策,不推卸问题和责任,对决策的结果负责;3.将决策权和工作职责适当下放,鼓励下属独立做出决定,并建立适当的控制措施。A-10B-8C-6D-4E-2计划与组织1.按目标和指示,将部门工作目标或计划进行任务分解和时间安排,制定实施方案与下属沟通2.明确下属的工作目标和任务A-10B-8C-63.分析组织和客户需要,自主提出可行的项目和计划4.当环境条件发生变化时,能对计划做出适应性的调整D-4E-2指挥与监控1.任务下达清晰明确,工作目标和要求解释详细;2.工作中设立适当的检查点,追踪工作进度和质量;3.按照规则和流程要求,严格监控下属工作进程;4.工作指导时,不但指出问题,而且提供解决问题的具体建议。A-10B-8C-6D-4E-2人员和团队管理1.积极促使下属对组织目标和工作任务的认同,并及时向下属传递有关信息;2.公平对待每一位下属;3.通过正常的工作途径和手段积极与员工沟通,了解其工作现状和需要,并对其工作结果进行反馈;4.接纳他人的建议,并鼓励他人提出建议;5.努力发现员工对团队的工作贡献和进步,及时给予激励;注意培养和提高下属的工作能力。A-10B-8C-6D-4E-2得分小计:每项实得分累计相加后乘以30%,作为管理绩效的实得考核结果。周边绩效工作责任心1.尊重并维护组织的利益和形象;2.乐意接纳额外的任务和必要的加班;3.积极主动承担相应的工作任务和责任;4.保持良好的出勤记录,没有不合理缺席A-10B-8C-6D-4E-2工作态度1.主动服从上级的工作指示或任务安排;2.在无监督情况下保持工作质量的稳定;3.从大局出发,以组织利益为重A-10B-8C-6D-4E-2团队合作1.愿意与他人分享工作经验或方法,促进共同成长;2.支持同事及协作部门的工作,保持良好合作关系;3.参与和支持团队工作,推进团队目标的达成;4.为后续工作或人员提供最大程度的便利A-10B-8C-6D-4E-2周边合作1.认真倾听、理解并发现相关部门的需求;2.根据组织规则,合理满足相关部门提出的合作需求;3.合作态度愉悦、友善A-10B-8C-6D-4E-2得分小计:每项实得分累计相加后乘以15%,作为周边绩效的实得考核结果。知识水平1.具备充分的读写和计算方面的基础知识;2.具有丰富的理论和专业知识;2.具有广博的业务知识;掌握其他公司、产业的知识情报;A-10B-8C-6D-4E-2规划力1.按方针制定相应的计划;2.运用独到的见解,形成具体方案;3.具有出色的运筹能力;4.兼收并蓄,审时度势,完善计划与方案;5.积极开动脑筋,寻求满意的实现途径。A-10B-8C-6D-4E-2判断力A-10能力绩效1.明辨是非得失,把握事物的本质与关键。2.善于把握时机作出决断。3.具有客观公正的见...

1、当您付费下载文档后,您只拥有了使用权限,并不意味着购买了版权,文档只能用于自身使用,不得用于其他商业用途(如 [转卖]进行直接盈利或[编辑后售卖]进行间接盈利)。
2、本站所有内容均由合作方或网友上传,本站不对文档的完整性、权威性及其观点立场正确性做任何保证或承诺!文档内容仅供研究参考,付费前请自行鉴别。
3、如文档内容存在违规,或者侵犯商业秘密、侵犯著作权等,请点击“违规举报”。

碎片内容

成品车间主任年度位绩效考核表

确认删除?
VIP
微信客服
  • 扫码咨询
会员Q群
  • 会员专属群点击这里加入QQ群
客服邮箱
回到顶部