电脑桌面
添加小米粒文库到电脑桌面
安装后可以在桌面快捷访问

PVC 波纹管技术规范VIP免费

PVC 波纹管技术规范_第1页
1/8
PVC 波纹管技术规范_第2页
2/8
PVC 波纹管技术规范_第3页
3/8
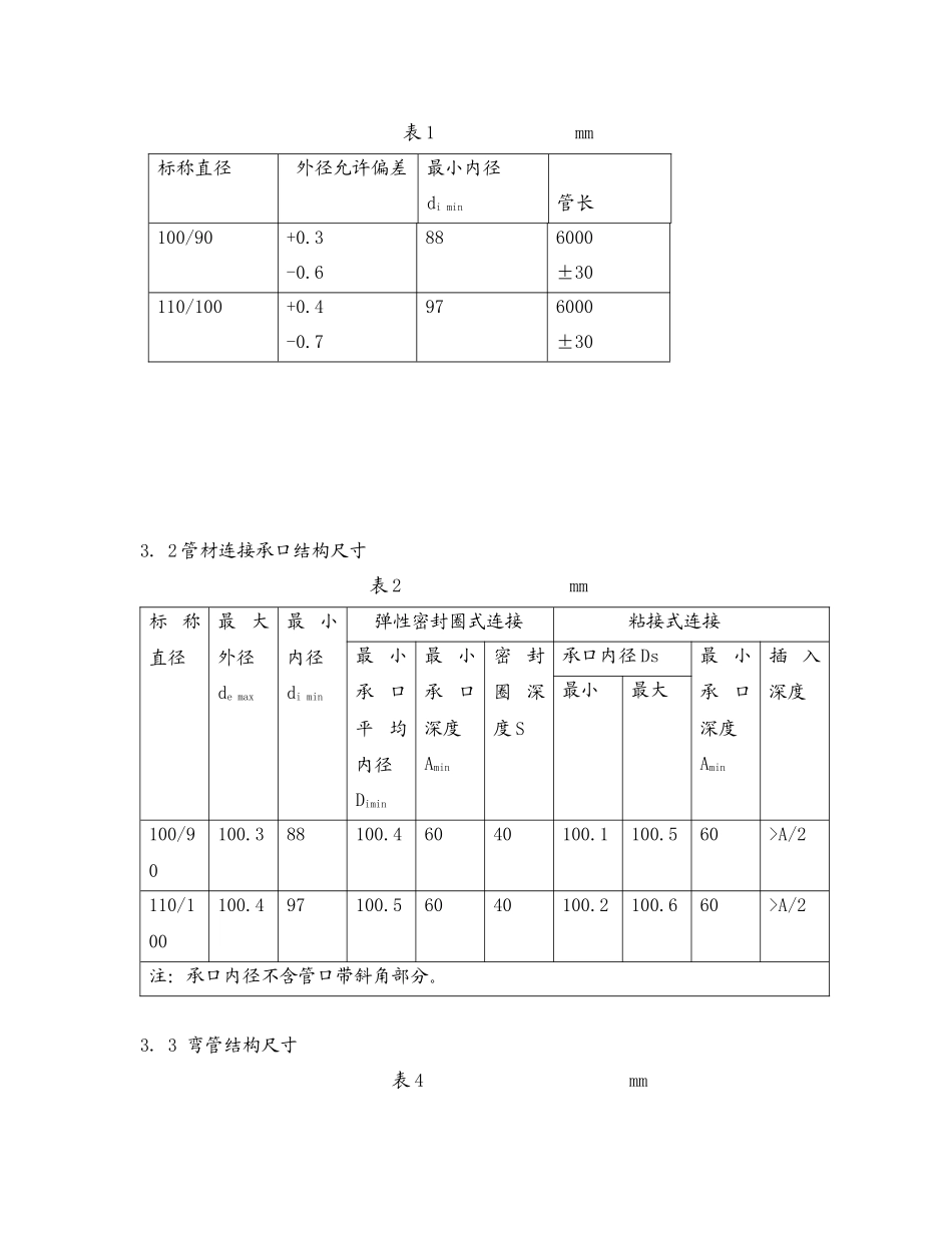
PVC双壁波纹管技术规范目录1.工程概述2.引用标准3.管材结构尺寸4.主要技术要求5.各项指标的测试方法6.标志、储存及环境性能1工程概述1.1本技术规范书适用于中国网通公司城域网工程硬聚氯乙烯塑料双壁波纹管(以下简称:管材)。1.2本文件所引用的标准为我国国家标准和信息产业部标准。对于那些在本文件中未作规定的,而我国国家标准和信息产业部标准已有规定的,应满足我国国家和信息产业部相关标准。1.3管道设计使用寿命不应少于50年。1.4投标方所提供的管道必须是经过现场验证过的,并至少有500公里以上,为两个电信主管部门提供一年以上的满意运行。投标方应在投标书中提供购买这类管道的用户证明,其中包括投入实际运营的电信主管部门的名称、地址、传真和电话号码、设备的类型、验收数据及应用地点等。招标方保留证实所供管道性能的权力,如有必要,可现场调查。1.5本文件解释权属于招标方。2引用标准本规范所列各种指标,应符合下列国家标准或原邮电部标准。GB2918—82塑料试样状态调节和试验的标准环境GB8804.2—88热塑性塑料管材拉伸性能试验方法聚乙烯管材GB8805—88硬质塑料管材弯曲度测定方法GB8806—88塑料管材尺寸测量方法GB/T9647—88塑料管材耐外负荷试验方法GB/T14152—93热塑性塑料管材耐外冲击性能试验方法真实冲击率法ZBG33008—89聚氯乙烯塑料波纹电线管3管材结构尺寸3.1硬聚氯乙烯管结构尺寸表1mm标称直径外径允许偏差最小内径dimin管长100/90+0.3-0.6886000±30110/100+0.4-0.7976000±303.2管材连接承口结构尺寸表2mm标称直径最大外径demax最小内径dimin弹性密封圈式连接粘接式连接最小承口平均内径Dimin最小承口深度Amin密封圈深度S承口内径Ds最小承口深度Amin插入深度最小最大100/90100.388100.46040100.1100.560>A/2110/100100.497100.56040100.2100.660>A/2注:承口内径不含管口带斜角部分。3.3弯管结构尺寸表4mm标称直径曲率半径弯管全长(含插口端)最小承口深度10o17o45o100/90584934901393112060110/1005849349013931120603.4密封圈结构尺寸弹性密封圈可以是覆盖一个波槽的单体,也可以是覆盖连续两个波槽的联合体。尺寸规格应满足密封要求。4主要技术要求4.1颜色管材的色泽应均匀一致,颜色一般选黑色或灰色,由供需双方商定,但必须有别于当地其他同类型埋地塑料管。穿放于同一塑料管中的子管应采用红绿白三种颜色。4.2外观管壁不允许有气泡、裂口、分解变色线及明显的杂质。波纹管的波形应均匀一致,不应出现短缺波纹。管内壁应光滑。内外壁应紧密熔结,不应出现脱开现象。4.3尺寸及偏差4.3.1管材尺寸偏差应符合表l-表4的规定。4.3.2管材同方向弯曲应小于2%。4.4管材的物理力学性能应符合表5的要求。表5项目技术指标试验方法落锤冲击(0)℃9/10不破裂见5.5.1环刚度(kN/m2)≥6.3见5.5.2扁平试验无破裂见5.5.3摩擦系数干放≤0.363施加膨润土≤0.155连接密封试验无泄漏见5.5.4冷弯曲率半径(100/90)最小弯曲半径4.5米,管壁不得折损见5.5.5冷弯曲率半径(110/100)最小弯曲半径5.0米,管壁不得折损见5.5.54.6投标方应提供所用原材料的规格、产地、厂家,并提供相关证明。5试验方法5.1状态调节和试验的标准环境除特殊规定外,试样应按GB2918的规定在23℃条件下进行状态调节,时间不少于24h。并在此条件下进行试验。5.2外现检查用肉眼观察,内壁可用光源照看。5.3尺寸测量5.3.1长度用精度为5mm的尺测量。5.3.2平均外径用精度为0.02mm的游标卡尺测量,取三个试样,测量每个试样同一断面相互垂直的两外径,以两外径的算术平均值为管材的平均外径。用测量结果计算外径偏差。取三个试样测量值偏差最大的为测量结果。5.3.3最小内径取三个试样,用精度为0.02mm的游标卡尺测量每个试样同一断面各处内径,找到最小值,为最小内径。用测量结果计算偏差。取三个试祥测量值偏差最大的为测量结果。5.3.4承口内径和承口深度取三个试样,用精度为0.001mm的内径量表测量粘接承口的中部相互垂直的两内径,计算算术平均值,取三个试样测量值偏差最大的为承口内径测量结果。用精度为0.02mm的游标卡尺测量三个试样,取每个试样的...

1、当您付费下载文档后,您只拥有了使用权限,并不意味着购买了版权,文档只能用于自身使用,不得用于其他商业用途(如 [转卖]进行直接盈利或[编辑后售卖]进行间接盈利)。
2、本站所有内容均由合作方或网友上传,本站不对文档的完整性、权威性及其观点立场正确性做任何保证或承诺!文档内容仅供研究参考,付费前请自行鉴别。
3、如文档内容存在违规,或者侵犯商业秘密、侵犯著作权等,请点击“违规举报”。

碎片内容

PVC 波纹管技术规范

您可能关注的文档

确认删除?
VIP
微信客服
  • 扫码咨询
会员Q群
  • 会员专属群点击这里加入QQ群
客服邮箱
回到顶部