电脑桌面
添加小米粒文库到电脑桌面
安装后可以在桌面快捷访问

白班维修、水系统班长绩效考核表VIP专享VIP免费

白班维修、水系统班长绩效考核表_第1页
1/2
白班维修、水系统班长绩效考核表_第2页
2/2
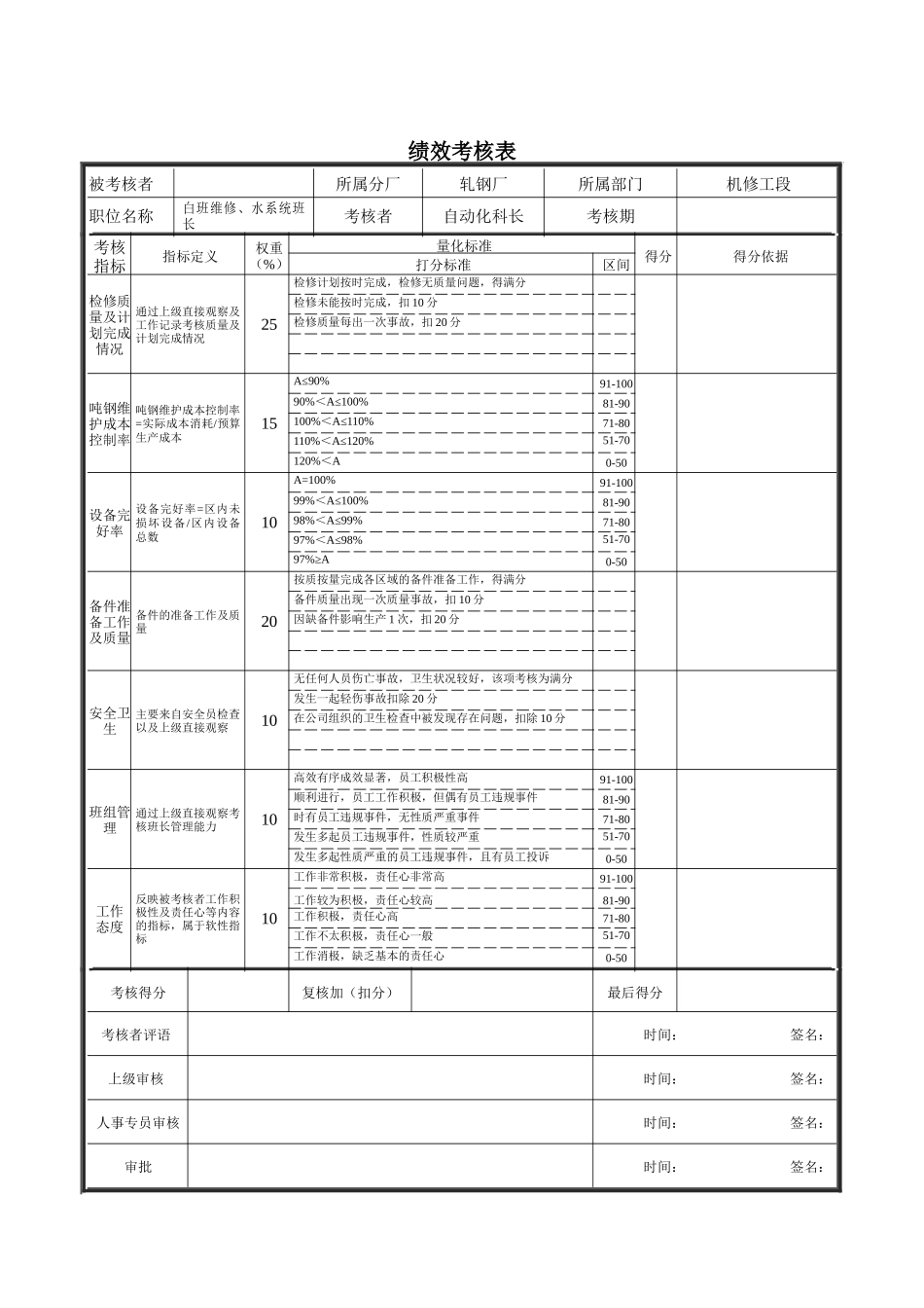
绩效考核表被考核者所属分厂轧钢厂所属部门机修工段职位名称白班维修、水系统班长考核者自动化科长考核期考核指标指标定义权重(%)量化标准得分得分依据打分标准区间检修质量及计划完成情况通过上级直接观察及工作记录考核质量及计划完成情况25检修计划按时完成,检修无质量问题,得满分检修未能按时完成,扣10分检修质量每出一次事故,扣20分吨钢维护成本控制率吨钢维护成本控制率=实际成本消耗/预算生产成本15A≤90%91-10090%<A≤100%81-90100%<A≤110%71-80110%<A≤120%51-70120%<A0-50设备完好率设备完好率=区内未损坏设备/区内设备总数10A=100%91-10099%<A≤100%81-9098%<A≤99%71-8097%<A≤98%51-7097%≥A0-50备件准备工作及质量备件的准备工作及质量20按质按量完成各区域的备件准备工作,得满分备件质量出现一次质量事故,扣10分因缺备件影响生产1次,扣20分安全卫生主要来自安全员检查以及上级直接观察10无任何人员伤亡事故,卫生状况较好,该项考核为满分发生一起轻伤事故扣除20分在公司组织的卫生检查中被发现存在问题,扣除10分班组管理通过上级直接观察考核班长管理能力10高效有序成效显著,员工积极性高91-100顺利进行,员工工作积极,但偶有员工违规事件81-90时有员工违规事件,无性质严重事件71-80发生多起员工违规事件,性质较严重51-70发生多起性质严重的员工违规事件,且有员工投诉0-50工作态度反映被考核者工作积极性及责任心等内容的指标,属于软性指标10工作非常积极,责任心非常高91-100工作较为积极,责任心较高81-90工作积极,责任心高71-80工作不太积极,责任心一般51-70工作消极,缺乏基本的责任心0-50考核得分复核加(扣分)最后得分考核者评语时间:签名:上级审核时间:签名:人事专员审核时间:签名:审批时间:签名:

1、当您付费下载文档后,您只拥有了使用权限,并不意味着购买了版权,文档只能用于自身使用,不得用于其他商业用途(如 [转卖]进行直接盈利或[编辑后售卖]进行间接盈利)。
2、本站所有内容均由合作方或网友上传,本站不对文档的完整性、权威性及其观点立场正确性做任何保证或承诺!文档内容仅供研究参考,付费前请自行鉴别。
3、如文档内容存在违规,或者侵犯商业秘密、侵犯著作权等,请点击“违规举报”。

碎片内容

白班维修、水系统班长绩效考核表

确认删除?
VIP
微信客服
  • 扫码咨询
会员Q群
  • 会员专属群点击这里加入QQ群
客服邮箱
回到顶部