电脑桌面
添加小米粒文库到电脑桌面
安装后可以在桌面快捷访问

企业管理表格生产管理D纵表格VIP免费

企业管理表格生产管理D纵表格_第1页
1/10
企业管理表格生产管理D纵表格_第2页
2/10
企业管理表格生产管理D纵表格_第3页
3/10
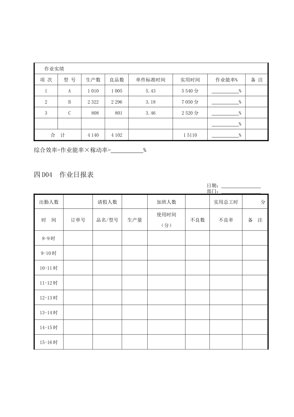
四D03部门别生产日报表范例(A)部门:日期:I、应有时间=(1+2+3)-4II、不就业时间=1+2项次项目时间项次项目时间1出勤人数480分×32人=15360分1缺勤480分×1人=480分2加班时间120分×26人=3120分2迟到、早退12分×1人=12分3借入时间600分×1人=600分34借出时间分×人=分4合计19080分合计492分实勤时间=I-II=18588分III、除外时间=(一)+(二)+(三)=3175分(一)例行事务(二)业务上项次项目时间项次项目时间1早会5分×32人=160分1计划异常分×人=分2开会分×人=分2材料异常15分×33人=495分3教育30分×32人=960分3设备异常分×人=分4盘点分×人=分4制程异常10分×33人=330分5清扫分×人=分5机种变更30分×33人=990分6公出240分×1人=240分合计1360分合计1815分(三)灾害项次项目时间合计1停电分×人=分0分2稼动率=%作业实绩项次型号生产数良品数单件标准时间实用时间作业能率%备注1A101010055.435540分%2B232222963.187050分%3C8088013.462520分%%合计4140410215110%综合效率=作业能率×稼动率=%四D04作业日报表日期:部门:出勤人数请假人数加班人数实用总工时分时间订单号品名/型号生产量使用时间(分)不良数不良率备注8-9时9-10时10-11时11-12时12-13时13-14时14-15时15-16时16-17时17-18时18-19时19-20时合计四D05异常停工报告单No.日期:部门停工范围停工时间自月日时分至月日时分计分停工人数人损失时间分×人=分损失成本元停工产品制单号进度状况停工原因(说明)1.待料2.机器故障3.品质异常4.安全事故5.其他此类停工本月份已发生次数:次应急处置责任者根本对策责任者厂长:生管:主管:制表:说明:1.依公司规定,生产线停工5分钟以上须提出;2.须根本解决,杜绝再发生。四D06生产部门停滞时间统计月报表月份:部门:制表日期:应出勤总时间分实出勤总时间分出勤率%停滞总时间分稼动率%1-停滞总时间×100=%实出勤总时间停滞时间分析类别项目日期、时间(分)合计(分)占停滞比率%例行事务①早会②开会③教育训练④盘点⑤清扫⑥公出⑦保养小计业务异常①计划异常②材料异常③设备异常④制程异常⑤机种变更⑥其他小计灾害①停电②公伤③其他小计总计100%说明:1.将日报表集计;2.针对业务异常及灾害提出改善对策。四D08包装日报表日期:填表:一、本日实绩人数使用时间分标准时间分效率%完成项目项次制单号品名数量不良数不良率%备注1234567891011合计二、待包装品项次制单号品名数量预定日期备注12345678合计四D09在制品存量月报表月份:部门:项次制单号完成工序数量呆滞原因处置1234567891011121314151617181920合计经理:主管:制表:说明:1.每月底对滞留在现场的半成品进行清点;2.在制品应即时处理。四D11工伤事故报告日期:姓名工号部门发生时间发生场所损伤情况发生原因应急处置防止再发对策人事部签注总经理:经理:主管:制表:四D12不良改善对策报告书No.日期:品名不良内容不良率%改善目标%改善后实绩%参与人员预定时间年月日至年月日实际完成时间月日现状调查改善方法结果结论相关配合作业厂长:主管:制表:

1、当您付费下载文档后,您只拥有了使用权限,并不意味着购买了版权,文档只能用于自身使用,不得用于其他商业用途(如 [转卖]进行直接盈利或[编辑后售卖]进行间接盈利)。
2、本站所有内容均由合作方或网友上传,本站不对文档的完整性、权威性及其观点立场正确性做任何保证或承诺!文档内容仅供研究参考,付费前请自行鉴别。
3、如文档内容存在违规,或者侵犯商业秘密、侵犯著作权等,请点击“违规举报”。

碎片内容

企业管理表格生产管理D纵表格

黄金书屋+ 关注
实名认证
内容提供者

爱好英语教学和互联网行业,热爱教育事业,兢兢业业

确认删除?
VIP
微信客服
  • 扫码咨询
会员Q群
  • 会员专属群点击这里加入QQ群
客服邮箱
回到顶部