电脑桌面
添加小米粒文库到电脑桌面
安装后可以在桌面快捷访问

附件3采购清单和技术参数A包序号设备名称数量备注VIP免费

附件3采购清单和技术参数A包序号设备名称数量备注_第1页
1/36
附件3采购清单和技术参数A包序号设备名称数量备注_第2页
2/36
附件3采购清单和技术参数A包序号设备名称数量备注_第3页
3/36
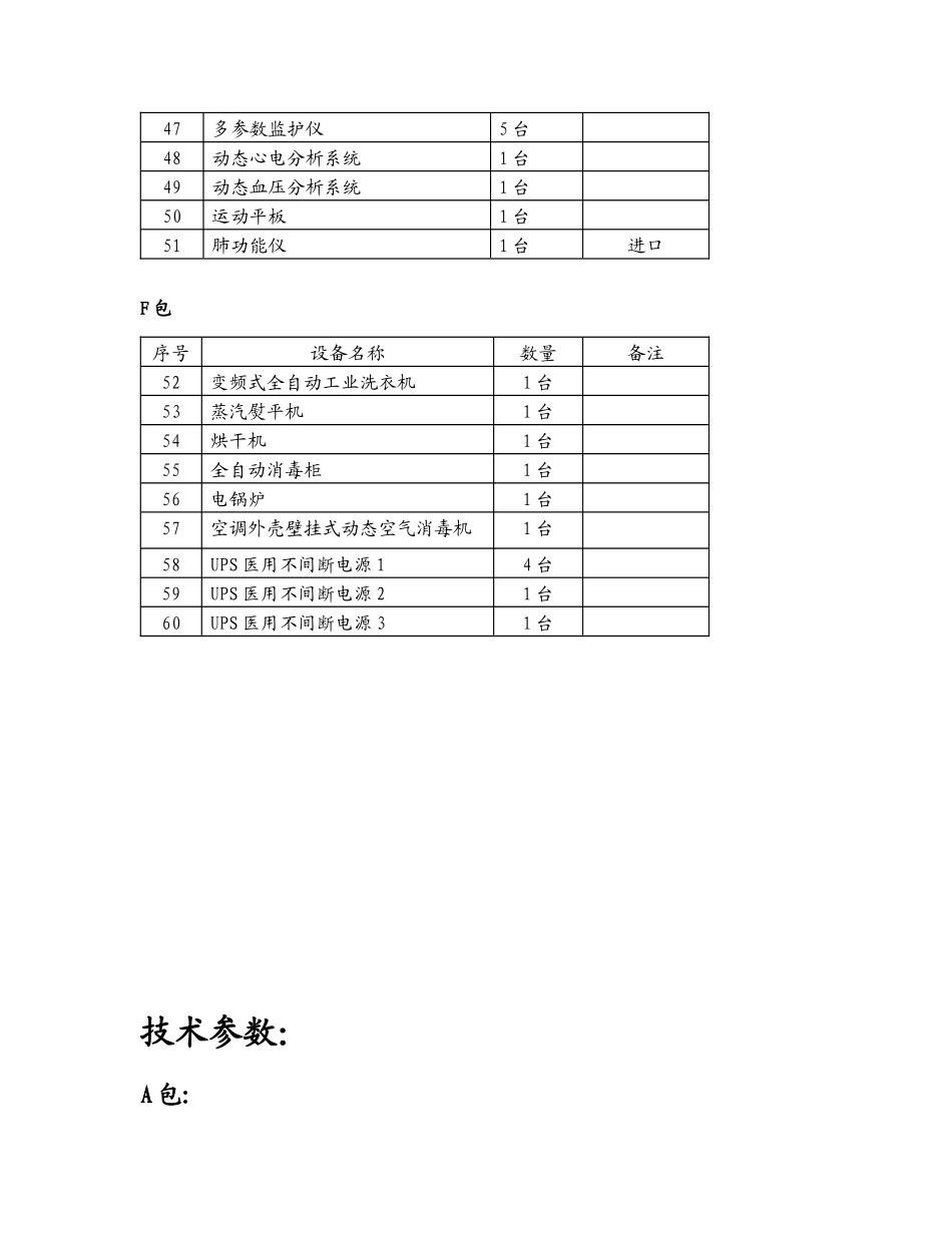
附件3采购清单和技术参数A包:序号设备名称数量备注1全自动生化分析仪1台进口2血球分析仪1台进口3血气分析仪1台进口4酶标仪1台5洗板机1台6电解质分析仪1台7尿液分析仪1台8显微镜1台进口品牌9恒温水育箱1台10离心机1台B包序号设备名称数量备注11CR系统1套进口12高频X线透视摄影系统1套进口品牌C包序号设备名称数量备注13全数字黑白超声诊断系统1套14彩色B超1套D包序号设备名称数量备注15手术床2台16手术无影灯2台17麻醉机1台18自动煎药包装机1台19单向可调式药盘架5个20不锈钢中药柜2个21旋转转盘1个22六角旋转台1个23重症监护病床、床垫、床头柜5套24ABS床、床垫、床头柜100套25碳钢工作台3个26不锈钢三位洗手槽1个27手术托盘架2个28不锈钢双层器械台2个29不锈钢扇形器械台2个30不锈钢麻醉柜2个31不锈钢器械柜4个32碳钢更衣柜4个33碳钢鞋柜1个34不锈钢升降抢救车1个35不锈钢治疗车6个36不锈钢监护仪器车3个37不锈钢病历柜6个38不锈钢护理车6个39不锈钢污物车3个40不锈钢输液车3个41不锈钢急救车3个42不锈钢病人推车3个43不锈钢送药车3个E包序号设备名称数量备注44输液泵2台45双道注射泵3台4612导联同步心电图机3台47多参数监护仪5台48动态心电分析系统1台49动态血压分析系统1台50运动平板1台51肺功能仪1台进口F包序号设备名称数量备注52变频式全自动工业洗衣机1台53蒸汽熨平机1台54烘干机1台55全自动消毒柜1台56电锅炉1台57空调外壳壁挂式动态空气消毒机1台58UPS医用不间断电源14台59UPS医用不间断电源21台60UPS医用不间断电源31台技术参数:A包:1、全自动生化分析仪序号技术要求1技术要求:1.1分析方法:终点法、速率法、固定时间法、比浊法。*1.2测试速度:≥800测试/小时,(其中比色速度≥400测试/小时,ISE速度≥400测试/小时).1.3测试范围:常规生化、急诊生化、特殊生化、特定蛋白、血清学、治疗药物监测、滥用药物检测等。1.4样品量:2—25.0ul(0.1ul步进)。1.5试剂量:20~345ul(1ul步进)。1.6试剂储存温度:+2℃~+8℃1.7最小反应量:≤120ul。1.8反应温度:37℃±0.11.9吸光度范围:-0.1—3.0Abs。1.10波长范围:340—804nm,测定波长≥14个。1.11试剂位:≥56,具备4—12℃冷藏功能。1.12校准类型:单点、两点、多点线性及非线性模式等。1.13样本类型:血清、血浆、尿液、脑脊液、全血溶血物。1.14电源:200/240VAC;50/60Hz1.15运行环境:环境温度:+18℃~+35℃;相对湿度:30~85%,不凝结2性能要求2.1具备血凝块自动检测,防堵报警及自动处理和保护功能。2.2可随时插入急诊标本检测。2.3具备样品前稀释和自动重测功能。2.4光栅后分光,光数码直接转换。2.5试剂全开放。2.6稳定、免维护、无消耗的恒温反应系统。*2.7永久性硬质玻璃比色杯。2.8具有能朔源的质控品、标准品。2.9试剂装载:可在运行中装载。2.10进样方式:圆盘式进样。2.11具备中文报告系统,报告格式自由设定。2.12搅拌系统:压电搅拌。2.13反应时间≥8分钟,可延长。*2.14软件具备线性扩展功能.2.15具备8个步骤的自动清洗功能。2.16仪器能24h工作2.17免费保修期:≥1年3配置:*3.1整机原装进口全自动生化分析仪一台3.2计算机(含WINDOWSNT/2000操作系统)一台,CPU2.4GHz,内存1G,硬盘160G,液晶显示器一台尺寸≥19″3.3激光打印机一台3.4生化纯水机一台(70L/小时);3.5UPS不间断电源一台(3KVA/1h)4提供1-2名医生到上级医院具有同品牌培训学习,时间1-2月。2、血球分析仪序号技术要求*1整机原装进口五分类血球分析仪2参数*2.126项:RBC、HGB、HCT、MCV、MCH、MCHC、RDW、PLT、MPV、PCT、PDW、WBC、LYM、MON、NEU、EOS、BASO、ALY及LIC的百分率和绝对值、红细胞和嗜碱细胞的直方图、血小板直方图、高解析LMNE(包括ALY和LIC白细胞亚群)*2.2能够进行全自动末梢血测定3线性范围3.1WBC0-120×109/L3.2RBC0-10×1012/L3.3HGB0-300g/L3.4HCT0-80%3.5PLT(WHOLEBLOOD)0-1900×109/L3.6PLT(PLTCONCENTRATE)0-2800×109/L4白细胞的分类原理:采用双鞘流原理,结合细胞化学染色技术,光学分析法及鞘流阻抗法。能有效排除气泡及杂质对细胞测定的干扰。*5嗜碱细胞检测:采用独立的嗜碱细胞检测通道,避免其他细胞对嗜碱细胞检测...

1、当您付费下载文档后,您只拥有了使用权限,并不意味着购买了版权,文档只能用于自身使用,不得用于其他商业用途(如 [转卖]进行直接盈利或[编辑后售卖]进行间接盈利)。
2、本站所有内容均由合作方或网友上传,本站不对文档的完整性、权威性及其观点立场正确性做任何保证或承诺!文档内容仅供研究参考,付费前请自行鉴别。
3、如文档内容存在违规,或者侵犯商业秘密、侵犯著作权等,请点击“违规举报”。

碎片内容

附件3采购清单和技术参数A包序号设备名称数量备注

确认删除?
VIP
微信客服
  • 扫码咨询
会员Q群
  • 会员专属群点击这里加入QQ群
客服邮箱
回到顶部