电脑桌面
添加小米粒文库到电脑桌面
安装后可以在桌面快捷访问

“6S”现场管理评比表VIP免费

“6S”现场管理评比表_第1页
1/6
“6S”现场管理评比表_第2页
2/6
“6S”现场管理评比表_第3页
3/6
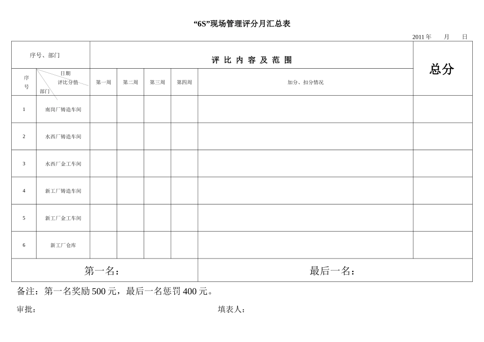
福建省上杭华丰工贸机械有限公司“6S”现场管理评分表2011年月日序号、部门评比内容及范围备注栏序号评比项目评比分值劳保用品偑戴情况车间生产秩序情况设备运行正常情况人员出勤情况车间物品堆放情况工作场所卫生情况日生产与质量情况车间通道畅通情况车间消防设施情况员工素养情况总分100分部门10分10分10分10分10分10分10分10分10分10分本次评比得分1南岗厂铸造车间2水西厂铸造车间3水西厂金工车间4新工厂铸造车间5新工厂金工车间物资出库单据物资入库单据仓库物品标识情况物资入库检验单据仓库物品堆放情况工作场所卫生情况物料先进先出记录仓库通道畅通情况仓库消防设施情况人员出勤与素养10分10分10分10分10分10分10分10分10分10分本次评比得分6新工厂仓库填表人:本月第次评“6S”现场管理评分月汇总表2011年月日序号、部门评比内容及范围总分序号日期评比分值部门第一周第二周第三周第四周加分、扣分情况1南岗厂铸造车间2水西厂铸造车间3水西厂金工车间4新工厂铸造车间5新工厂金工车间6新工厂仓库第一名:最后一名:备注:第一名奖励500元,最后一名惩罚400元。审批:填表人:福建省上杭华丰工贸机械有限公司“6S”现场管理评分表(总平均分)2011年7月29日序号、部门评比内容及范围备注栏序号评比项目评比分值劳保用品偑戴情况车间生产秩序情况设备运行正常情况人员出勤情况车间物品堆放情况工作场所卫生情况日生产与质量情况车间通道畅通情况车间消防设施情况员工素养情况总分100分部门10分10分10分10分10分10分10分10分10分10分本次评比总评均得分1南岗厂铸造车间8999.757.1257.25887.758.2582.125分2水西厂铸造车间7.258.6258.8759.1257.3757.1258.257.62588.12580.875分3水西厂金工车间7.8759.1259.6259.758.58.3758.3758.1258.58.2586.500分4新工厂铸造车间8.8758.509.251089.1259.3759.1259.258.7590.250分5新工厂金工车间8.6259.1258.6259.8757.8757.7508.1258.2509.1258.37585.750分评比项目评比分值物资出库单据物资入库单据仓库物品标识情况物资入库检验单据仓库物品堆放情况工作场所卫生情况物料先进先出记录仓库通道畅通情况仓库消防设施情况人员出勤与素养部门10分10分10分10分10分10分10分10分10分10分本次评比总评均得分6新工厂仓库9.509.258.1259.1257.758.1257.8758.259.0008.00085.000分填表人:本月第一次评分;本次共有8人参加打分评比,结果公证、公平。福建省上杭华丰工贸机械有限公司“6S”现场管理评分表(总平均分)2011年8月8日序号、部门评比内容及范围备注栏序号评比项目评比分值劳保用品偑戴情况车间生产秩序情况设备运行正常情况人员出勤情况车间物品堆放情况工作场所卫生情况日生产与质量情况车间通道畅通情况车间消防设施情况员工素养情况总分100分部门10分10分10分10分10分10分10分10分10分10分本次评比总评均得分1南岗厂铸造车间88.47.296.66.47.87.67.87.676.4002水西厂铸造车间7.48.27.68.46.66.27.67.69.27.276.0003水西厂金工车间8.48.67.28.87.27.88.679.27.880.6004新工厂铸造车间8.88.47.69.46.87.27.87.89.47.680.8005新工厂金工车间8.28.87.49.67.277.27.69.4880.400评比项目评比分值物资出库单据物资入库单据仓库物品标识情况物资入库检验单据仓库物品堆放情况工作场所卫生情况物料先进先出记录仓库通道畅通情况仓库消防设施情况人员出勤与素养部门10分10分10分10分10分10分10分10分10分10分本次评比总评均得分6新工厂仓库8.48.476.87.88.26.48.48.48.678.400填表人:陈晓萍本月第一次评分;本次共有5人参加打分评比,结果公证、公平。福建省上杭华丰工贸机械有限公司“6S”现场管理评分表(总平均分)2011年8月13日序号、部门评比内容及范围备注栏序号评比项目评比分值劳保用品偑戴情况车间生产秩序情况设备运行正常情况人员出勤情况车间物品堆放情况工作场所卫生情况日生产与质量情况车间通道畅通情况车间消防设施情况员工素养情况总分100分部门10分10分10分10分10分10分10分10分10分10分本次评比总评均得分1南岗厂铸造车间9.259.258.259.756.757.258.758.759.258.2585.52水西厂铸造车间8.7599.58.56.56.258.757.759.57.58...

1、当您付费下载文档后,您只拥有了使用权限,并不意味着购买了版权,文档只能用于自身使用,不得用于其他商业用途(如 [转卖]进行直接盈利或[编辑后售卖]进行间接盈利)。
2、本站所有内容均由合作方或网友上传,本站不对文档的完整性、权威性及其观点立场正确性做任何保证或承诺!文档内容仅供研究参考,付费前请自行鉴别。
3、如文档内容存在违规,或者侵犯商业秘密、侵犯著作权等,请点击“违规举报”。

碎片内容

“6S”现场管理评比表

确认删除?
VIP
微信客服
  • 扫码咨询
会员Q群
  • 会员专属群点击这里加入QQ群
客服邮箱
回到顶部