电脑桌面
添加小米粒文库到电脑桌面
安装后可以在桌面快捷访问

安全生产应用表格(施工单位运用备档)VIP免费

安全生产应用表格(施工单位运用备档)_第1页
1/41
安全生产应用表格(施工单位运用备档)_第2页
2/41
安全生产应用表格(施工单位运用备档)_第3页
3/41
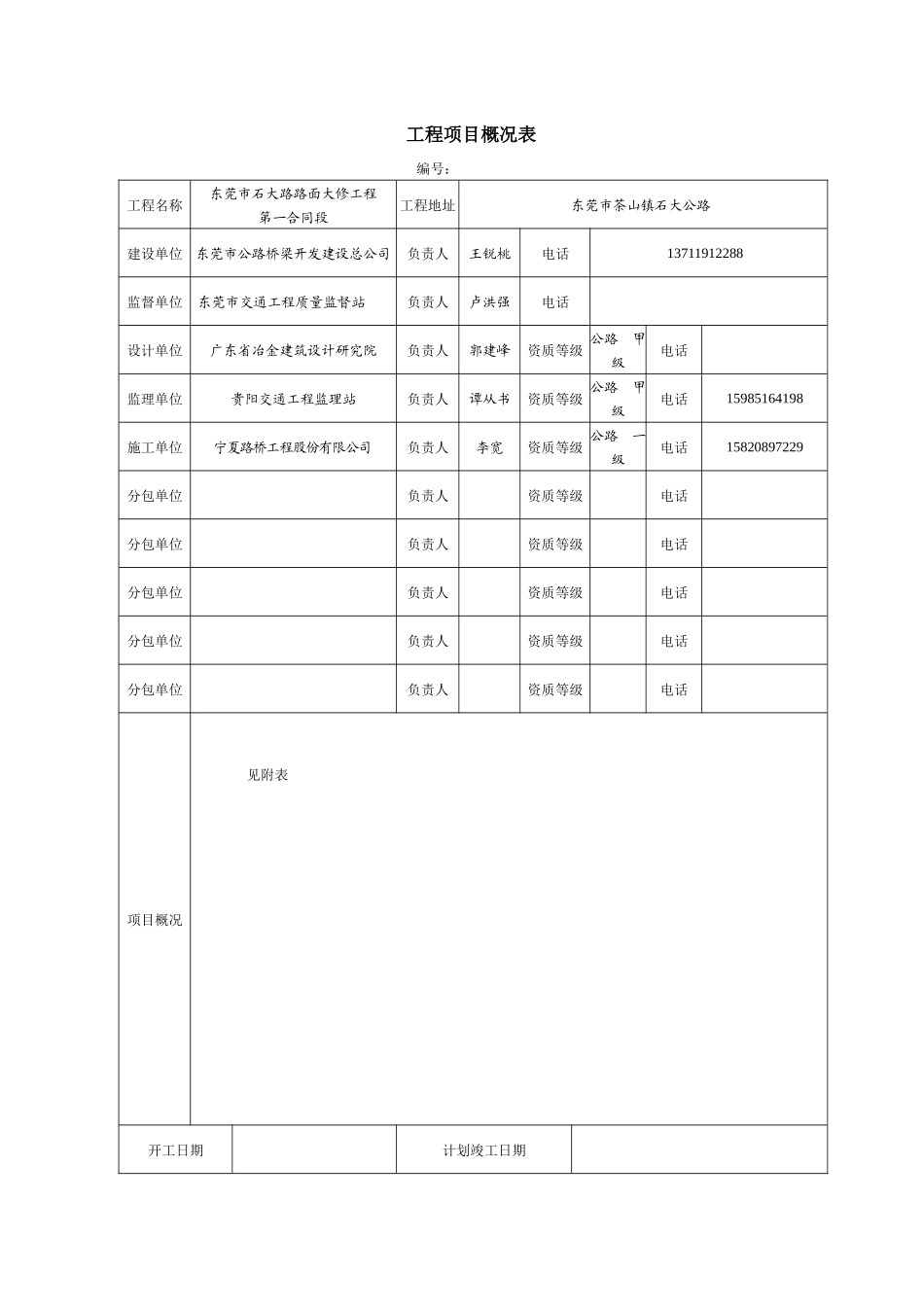
工程项目概况表编号:工程名称东莞市石大路路面大修工程第一合同段工程地址东莞市茶山镇石大公路建设单位东莞市公路桥梁开发建设总公司负责人王锐桃电话13711912288监督单位东莞市交通工程质量监督站负责人卢洪强电话设计单位广东省冶金建筑设计研究院负责人郭建峰资质等级公路甲级电话监理单位贵阳交通工程监理站负责人谭从书资质等级公路甲级电话15985164198施工单位宁夏路桥工程股份有限公司负责人李宽资质等级公路一级电话15820897229分包单位负责人资质等级电话分包单位负责人资质等级电话分包单位负责人资质等级电话分包单位负责人资质等级电话分包单位负责人资质等级电话项目概况见附表开工日期计划竣工日期负责人:填报人:日期:施工单位安全生产资质材料审查表编号:单位名称宁夏路桥工程股份有限公司项目名称东莞市石大公路路面大修工程第一合同段致贵阳交通工程监理站(监理机构):我方已根据监理计划的有关规定完成了安全生产资质材料的编制,请予以审查。如企业资质和人员资格发生变化,另将补报调整资料。注册资本资质类别和等级安全生产许可证有效期153389000元公路工程施工总承包一级2014.3.16附:①企业营业执照、安全生产许可证②三类管理人员资质③特种作业人员资质**Expressionisfaulty**安全生产管理规章制度**Expressionisfaulty**安全生产应急救援预案**Expressionisfaulty**安全教育培训⑦安全技术交底⑧安全生产责任书⑨安全操作规程施工单位签章:项目经理:日期:专业监理工程师审查意见:专业监理工程师签名:日期:驻地监理工程师审核意见:驻地监理工程师签章:日期:总监理工程师审核意见:总监理工程师签章:日期:施工分包单位安全生产资质材料审查表编号:单位名称宁夏路桥工程股份有限公司项目名称东莞市石大公路路面大修工程第一合同段致贵阳交通工程监理站(监理机构):我方已根据监理计划的有关规定完成了项目分包单位安全生产资质材料的编制,经我单位审查,拟选择的宁夏路桥工程股份有限公司(分包单位)具有承担下列工程的施工资质和施工能力,其项目经理和专职安全生产管理人员配备符合要求,可以保证工程项目按合同的规定进行施工。分包后,我方仍承担总包单位的全部责任。请予以审查。分包工程名称分包类别分包工程数量分包工程规模分包工程造价注册资本资质类别和等级安全生产许可证有效期附:①企业营业执照、资质证书、安全生产许可证□②项目经理岗位证书、安全生产考核合格证书□③专职安全生产管理人员安全生产考核合格证书□**Expressionisfaulty**其他:施工单位签章:项目经理:日期:专业监理工程师审查意见:专业监理工程师签名:日期:驻地监理工程师审核意见:驻地监理工程师签章:日期:总监理工程师审核意见:总监理工程师签章:日期:安全管理人员登记表编号:单位名称宁夏路桥工程股份有限公司项目名称东莞市石大公路路面大修工程第一合同段致贵阳交通工程监理站(监理机构):经我单位审查,下列三类人员(企业法定代表人、项目负责人、专职安全员)的安全生产证件齐全有效,请予以审核。序号岗位姓名专业职称安全资格证及编号有效期限工作单位1法人代表侯建国公路与桥梁宁夏路桥工程股份有限公司2项目经理李宽公路与桥梁宁夏路桥工程股份有限公司3专职安全员莫福如宁夏路桥工程股份有限公司4专职安全员莫建华宁夏路桥工程股份有限公司5专职安全员钟天发宁夏路桥工程股份有限公司6专职安全员李建东宁夏路桥工程股份有限公司7安全员颜峰工程师宁夏路桥工程股份有限公司专业监理工程师审查意见:专业监理工程师签名:日期:驻地监理工程师审核意见:驻地监理工程师签章:日期:总监理工程师审核意见:总监理工程师签章:日期:负责人:填报人:日期:注:登记三类人员及安全管理机构负责人。特种作业人员登记表编号:单位名称宁夏路桥工程股份有限公司项目名称东莞市石大公路路面大修工程第一合同段致贵阳交通工程监理站(监理机构):经审查,我单位拥有下列特种作业人员的特种作业操作证齐全有效,请予以审核。作业项目姓名性别工种工龄发证单位证件编号发证时间有效期及复审备注建筑电工叶沛枝男2年广东省建设厅特种...

1、当您付费下载文档后,您只拥有了使用权限,并不意味着购买了版权,文档只能用于自身使用,不得用于其他商业用途(如 [转卖]进行直接盈利或[编辑后售卖]进行间接盈利)。
2、本站所有内容均由合作方或网友上传,本站不对文档的完整性、权威性及其观点立场正确性做任何保证或承诺!文档内容仅供研究参考,付费前请自行鉴别。
3、如文档内容存在违规,或者侵犯商业秘密、侵犯著作权等,请点击“违规举报”。

碎片内容

安全生产应用表格(施工单位运用备档)

黄金书屋+ 关注
实名认证
内容提供者

爱好英语教学和互联网行业,热爱教育事业,兢兢业业

确认删除?
VIP
微信客服
  • 扫码咨询
会员Q群
  • 会员专属群点击这里加入QQ群
客服邮箱
回到顶部