电脑桌面
添加小米粒文库到电脑桌面
安装后可以在桌面快捷访问

物料编码系统VIP免费

物料编码系统_第1页
1/58
物料编码系统_第2页
2/58
物料编码系统_第3页
3/58
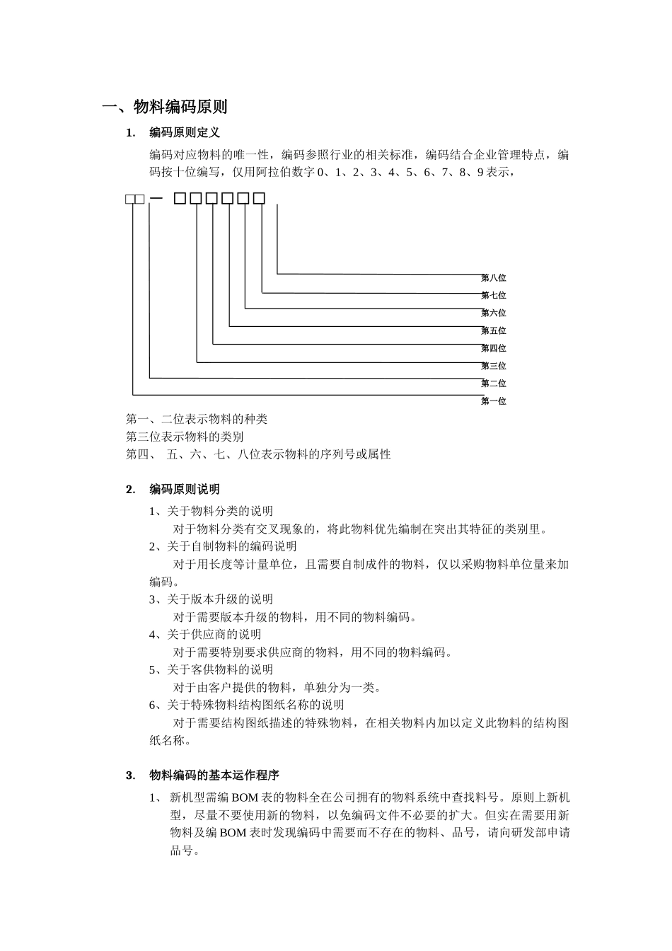
文件编号:生效日期:版本:江州市晶通科技有限公司JiangzhouJTTechnologyCO.,LTD.物料编码规则编写:审核:批准:修订状态:目录一、物料编码原则..........................................................................................................................31.编码原则定义..................................................................................................................32.编码原则说明..................................................................................................................33.物料编码的基本运作程序...............................................................................................3二、物料分类..................................................................................................................................4三、分类编写说明..........................................................................................................................5电阻器(10)..........................................................................................................................5电容器(11)...........................................................................................................................8电感器(12).........................................................................................................................11变压器(13)........................................................................................................................14半导体分立器件(14).........................................................................................................15集成电路(15)....................................................................................................................17显示器件(16)....................................................................................................................19电声器件(17)....................................................................................................................22振荡器(18)........................................................................................................................24保险管(19)........................................................................................................................25继电器(20)........................................................................................................................25开关(21)............................................................................................................................27电池(22)............................................................................................................................28连接器(23)........................................................................................................................30连接线(24)........................................................................................................................31印制电路板(25)................................................................................................................33五金件(26)........................................................................................................................34塑胶件(27)........................................................................................................................36包装材...

1、当您付费下载文档后,您只拥有了使用权限,并不意味着购买了版权,文档只能用于自身使用,不得用于其他商业用途(如 [转卖]进行直接盈利或[编辑后售卖]进行间接盈利)。
2、本站所有内容均由合作方或网友上传,本站不对文档的完整性、权威性及其观点立场正确性做任何保证或承诺!文档内容仅供研究参考,付费前请自行鉴别。
3、如文档内容存在违规,或者侵犯商业秘密、侵犯著作权等,请点击“违规举报”。

碎片内容

物料编码系统

您可能关注的文档

确认删除?
VIP
微信客服
  • 扫码咨询
会员Q群
  • 会员专属群点击这里加入QQ群
客服邮箱
回到顶部