电脑桌面
添加小米粒文库到电脑桌面
安装后可以在桌面快捷访问

竖井施工工艺概述VIP免费

竖井施工工艺概述_第1页
1/9
竖井施工工艺概述_第2页
2/9
竖井施工工艺概述_第3页
3/9
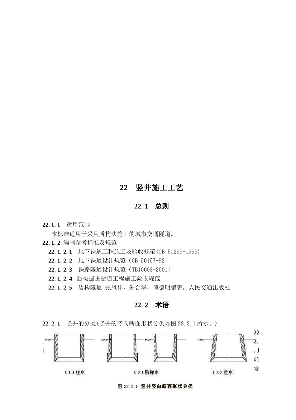
22竖井施工工艺22.1总则22.1.1适用范围本标准适用于采用盾构法施工的城市交通隧道。22.1.2编制参考标准及规范22.1.2.1地下铁道工程施工及验收规范(GB50299-1999)22.1.2.2地下铁道设计规范(GB50157-92)22.1.2.3铁路隧道设计规范(TB10003-2001)22.1.2.4盾构掘进隧道工程施工验收规范22.1.2.5盾构隧道,张凤祥,朱合华,傅德明编著,人民交通出版社.22.2术语22.2.1竖井的分类(竖井的竖向断面形状分类如图22.2.1所示。)22.2.1.1始发竖井:为盾构机出发提供场所,用于盾构机的固定、组装及设置附属设施,如反力座、引入线等,同时也作为盾构机掘进中出碴、掘进物资器材的供应基地的垂直井筒结构。22.2.1.2到达竖井:为盾构机到达后的拆卸、运出提供场所,同时还可作为隧道与隧道、隧道与地表的联络通道的垂直井筒结构。22.2.1.3中间竖井:对路线中途改变掘进方向的竖井称为中间竖井。其功能是用来改变隧道的方向。22.2.2沉井如图所示的不同断面的井筒,按边排土边下沉的方式使其沉入地中。沉井的基本构造如图22.2.2所示,一般由井壁、刃脚、内隔墙、井孔凹槽、底板、顶盖等构成。22.2.3钢板桩竖井用钢管板桩作挡土墙,框梁和底板为钢筋混凝土构造的竖井。22.2.4地下连续墙竖井利用地下连续墙工法构筑的竖井。22.3施工准备22.3.1技术准备22.3.1.1盾构始发井是用于组装调试盾构,隧道施工期间作为管片、其他施工材料、设备、出碴的垂直运输及作业人员的出入通道。井的平面净尺寸必须满足上述各项的要求。一般情况下在盾构两侧各留1.5m作为盾构安装作业的空间。盾构的前后应留出洞口封门拆除、初期推进时出碴、管片运输和其他作业所需的空间,井的长度应比盾构主机长3.0m以上。22.3.1.2接收井宽应比盾构直径大1.5m以上,井的长度应比盾构主机长2.0m以上。根据盾构的安装、拆除作业、洞口与隧道的接头处理作业等需要,确定洞口底至工作井底板顶面的最小高度。22.3.1.3从理论上来说,井壁预留洞口大小略比盾构的外径大一些即可(盾构外径含外壳突出部分),但考虑到井壁洞口的施工误差、隧道设计轴线与洞口轴线间的夹角、密封装置的需要,需留出足够的余量。22.3.1.4由于盾构始发、接收时拆除竖井封门,施工时间较长,临空面较大,这对土体的稳定极为不利,这就必须对盾构始发、接收前的土层进行加固,可合理选用降水、注浆及其他土体加固法予以改良,切实有效地控制洞口周围土体变形,从而保证盾构始发和接收的安全。22.3.2材料准备22.3.2.1泥浆护壁材料:粘土、膨润土、添加剂、水等。22.3.2.2注浆材料:砂浆、水泥浆、速凝剂。22.3.2.3井筒结构材料:钢筋、水泥、砂、碎石、水。22.3.3主要机具22.3.3.1竖井开挖施工机械、装卸、运输机械等:22.3.3.2构筑井筒结构的混凝土施工机械22.3.3.3测量仪器与量测元件。22.3.4作业条件22.3.4.1前期调查。为防止资料与实际工况条件不符,施工前应进行工程环境的调查和实地踏勘,为制订施工组织设计提供足够的依据,进行核实的主要项目:(1)土地使用情况——根据报告和附图,实地踏勘调查各种建筑物的使用功能、结构形式、基础类型及其与隧道的相对位置等;(2)道路种类和路面交通情况;(3)工程用地情况——主要对施工场地及材料堆放场地、弃土场地、运土路线等做必要的调查;(4)施工用电和给排水设施条件;(5)有关环境保护的法律和法规;(6)地下障碍物及管线。22.3.4.2根据工程特点、施工设备的技术性能及操作要领,对盾构司机及各类设备操作人员进行上岗前的技术培训并持证上岗。22.3.4.3竖井施工之前,应建立完整的测量和监控量测系统,以控制竖井的垂直精度,对地层及结构进行监测,并及时反馈信息。22.3.4.4盾构工作竖井与工程构筑物结合设置时,除按设计要求满足构筑物的功能外,还应满足盾构的相关施工作业的要求。22.3.5劳动力组织根据竖井的实际施工方法需要安排劳动力,每工作班需要20人左右。22.4工艺设计和控制要求22.4.1技术要求22.4.1.1按构筑工法分类22.4.1.2因地层状况、地下水的有无等因素的不同,通常按地下30m处可以确定其止水性的要求选用挡土墙。22.4.1.3为了确保作业空间,挡土墙支撑的水平、竖直间隔都较大。支承构造的配置必...

1、当您付费下载文档后,您只拥有了使用权限,并不意味着购买了版权,文档只能用于自身使用,不得用于其他商业用途(如 [转卖]进行直接盈利或[编辑后售卖]进行间接盈利)。
2、本站所有内容均由合作方或网友上传,本站不对文档的完整性、权威性及其观点立场正确性做任何保证或承诺!文档内容仅供研究参考,付费前请自行鉴别。
3、如文档内容存在违规,或者侵犯商业秘密、侵犯著作权等,请点击“违规举报”。

碎片内容

竖井施工工艺概述

您可能关注的文档

确认删除?
VIP
微信客服
  • 扫码咨询
会员Q群
  • 会员专属群点击这里加入QQ群
客服邮箱
回到顶部