电脑桌面
添加小米粒文库到电脑桌面
安装后可以在桌面快捷访问

原料药工艺流程图和质量控制要点(1)VIP免费

原料药工艺流程图和质量控制要点(1)_第1页
1/23
原料药工艺流程图和质量控制要点(1)_第2页
2/23
原料药工艺流程图和质量控制要点(1)_第3页
3/23
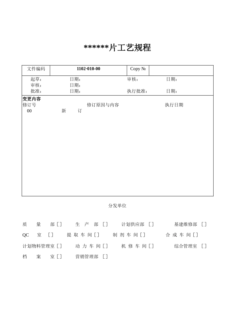
******片工艺规程文件编码1102·010-00Copy№起草:日期:审核:日期:审核:日期:批准:日期:执行批准:日期:变更内容修订号修订原因与内容执行日期00新订分发单位质量部[]生产部[]计划供应部[]基建维修部[]QC室[]提取车间[]制剂车间[]合成车间[]计划物料管理室[]动力车间[]机修车间[]综合管理室[]档案室[]营销管理部[]目录1.主题内容………………………………………………………………………………………32.适用范围………………………………………………………………………………………33.引用标准………………………………………………………………………………………34.职责……………………………………………………………………………………………35.产品概述………………………………………………………………………………………36.工艺流程图……………………………………………………………………………………57.处方和依据……………………………………………………………………………………68.原药材的整理炮制……………………………………………………………………………69.操作过程及工艺条件…………………………………………………………………………810.工艺卫生………………………………………………………………………………………1211.质量监控………………………………………………………………………………………1312.原辅料、中间体、成品、包装材料的质量标准和检验方法………………………………1413.物料平衡………………………………………………………………………………………2614.技术经济指标的计算及原料、辅料、包装材料消耗定额…………………………………2615.技术安全及劳动保护…………………………………………………………………………2716.设备……………………………………………………………………………………………2817.综合利用和环境保护…………………………………………………………………………2918.相关文件………………………………………………………………………………………30附录A常用理化常数、换算表……………………………………………………………………11主题内容本工艺规程规定了******片生产全过程的工艺技术、质量、物耗、安全、工艺卫生、环境保护等内容。本工艺规程具有技术法规作用。2适用范围本工艺规程适用于******片生产全过程。3引用标准《中国药典》2000年版国家药品监督管理局标准(试行)WS-541(Z-078)-2000《药品生产质量管理规范》1998年(修订)4职责编写:生产部、质量部技术管理人员汇审:生产部、质量部及其他相关部门负责人审核:生产部经理、质量部经理批准:分管总助执行:各级生产质量管理人员及操作人员监督管理:QA、生产质量管理人员5产品概述5.1产品名称******片XiaokepingPian5.2产品特点5.2.1性状本品为绿色薄膜衣片,除去包衣后,显棕黄色;气香,味苦。5.2.2规格每片重0.55g。5.2.3功能与主治益气养阴,清热泻火,益肾缩尿。用于糖尿病。5.2.4用法与用量口服。一次6~8片,一日3次,或遵医嘱。5.2.5贮藏密闭,防潮。5.2.6有效期暂定二年。5.2.7新药类别本品为国家中药仿制品种。5.3处方来源本处方出自《中国卫生部标准中药成方制剂第8册》第152页,标准号WS3-B-1616-93。生药粉6工艺流程图物料工序检验入库中转站黄芪、天花粉、天冬枸杞子、沙苑子丹参、葛根、知母五味子、五倍子拣选配料洗、(切)水提拣选配料洗醇提纯化水60%乙醇人参、黄连、天花粉拣选洗、(切)(切)烘微波干燥灭菌煎煮三次,第一次1.5小时,8倍量水;第二次45分钟,6倍量水;第三次30分钟,6倍量水。回流提取两次,第一次1小时,8倍量乙醇;第二次1小时,6倍量乙醇。回收乙醇。包薄膜衣、晾片******浸膏粉制软材干燥95%乙醇纯化水******颗粒素片欧巴代纯化水外包装材料PVC片材铝箔检入待包装薄膜衣片******片药板******片成品预混制湿颗粒压片总混过筛硬脂酸镁配浆(薄膜衣)板装内包装板装外包装80目100目注:虚线框内为十万级洁净区。整粒(14目筛)配料、交联羧甲基纤维素钠药渣提...

1、当您付费下载文档后,您只拥有了使用权限,并不意味着购买了版权,文档只能用于自身使用,不得用于其他商业用途(如 [转卖]进行直接盈利或[编辑后售卖]进行间接盈利)。
2、本站所有内容均由合作方或网友上传,本站不对文档的完整性、权威性及其观点立场正确性做任何保证或承诺!文档内容仅供研究参考,付费前请自行鉴别。
3、如文档内容存在违规,或者侵犯商业秘密、侵犯著作权等,请点击“违规举报”。

碎片内容

原料药工艺流程图和质量控制要点(1)

黄金书屋+ 关注
实名认证
内容提供者

爱好英语教学和互联网行业,热爱教育事业,兢兢业业

确认删除?
VIP
微信客服
  • 扫码咨询
会员Q群
  • 会员专属群点击这里加入QQ群
客服邮箱
回到顶部