电脑桌面
添加小米粒文库到电脑桌面
安装后可以在桌面快捷访问

江海车间三级文件VIP免费

江海车间三级文件_第1页
1/112
江海车间三级文件_第2页
2/112
江海车间三级文件_第3页
3/112
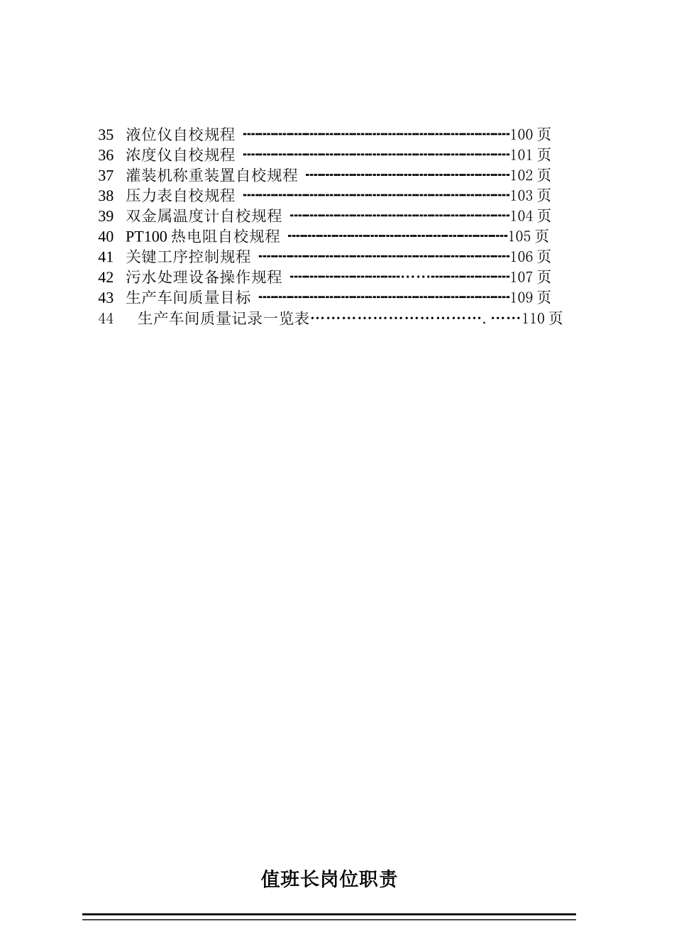
分发号:管理体系三级文件生产车间三级文件文件编号:QZ/JHST-T-003-01版次:A-2010编写部门:生产车间审批:生产部部长批准:持有者:2010年5月1日发布2010年5月10日实施目录序号文件名称页数1值班长岗位职责┉┉┉┉┉┉┉┉┉┉┉┉┉┉┉┉┉4页2蒸发工岗位职责┉┉┉┉┉┉┉┉┉┉┉┉┉┉┉┉┉┉5页3杀菌工岗位职责┉┉┉┉┉┉┉┉┉┉…┉┉┉┉┉┉┉6页4灌装工岗位职责┉┉┉┉┉┉┉┉┉┉┉┉┉┉┉┉┉┉7页5电工岗位职责┉┉┉┉┉┉┉┉┉┉┉┉┉┉┉┉┉┉┉8页6机修工岗位职责┉┉┉┉┉┉┉┉┉┉┉┉┉┉┉┉┉┉9页7锅炉领班岗位职责┉┉┉┉┉┉┉┉┉┉┉┉┉┉┉┉┉10页8司炉工岗位职责┉┉┉┉┉┉┉┉┉┉┉┉┉┉┉┉┉┉11页9锅炉水化处岗位职责┉┉┉┉┉┉┉┉┉┉┉┉┉┉┉┉12页10叉车工岗位职责┉┉┉┉┉┉┉┉┉┉┉┉┉┉┉┉.┉┉13页11铲车工岗位职责┉┉┉┉┉┉┉┉┉┉┉┉┉┉…┉.┉14页12辅助工岗位职责┉┉┉┉┉┉┉┉┉┉┉┉┉┉┉┉┉.┉16页13上桶工岗位职责┉┉┉┉┉┉┉┉┉┉┉┉…….………┉17页14打包工岗位职责┉┉┉┉┉┉┉┉┉┉┉┉┉……┉┉┉18页15放袋工工作规程┉┉┉┉┉┉┉┉┉┉┉┉┉.┉┉┉┉┉19页16卸料工工作规程┉┉┉┉┉┉┉┉┉┉┉┉┉┉……┉┉20页17现场管理工作规程┉┉┉┉┉┉┉┉┉┉┉┉┉┉.┉┉┉22页18分选工工作规程┉┉┉┉┉┉┉┉┉┉┉┉┉┉┉.┉┉┉23页19打标工工作规程┉┉┉┉┉┉┉┉┉┉┉┉┉┉┉┉.┉┉24页20贴唛工工作规程┉┉┉┉┉┉┉┉┉┉┉┉┉┉┉.┉┉┉25页21放料工工作规程┉┉┉┉┉┉┉┉┉┉┉┉┉┉┉┉┉.┉26页22生产车间与各部门相互关系┉┉┉┉┉┉┉┉┉┉┉……┉27页23生产车间管理制度┉┉┉┉┉┉┉┉┉┉┉┉┉…….┉┉29页24安全生产管理制度┉┉┉┉┉┉┉┉┉┉┉┉┉.┉┉┉┉31页25车间临时工管理制度┉┉┉┉┉┉┉┉┉┉┉┉.┉┉┉┉32页26车间交接班管理制度┉┉┉┉┉┉┉┉┉┉┉┉.┉┉┉┉33页27高捷番茄制品设备检修计划┉┉┉┉┉┉┉┉┉.┉┉┉┉34页28蒸发岗位操作规程┉┉┉┉┉┉┉┉┉┉┉┉┉…..┉┉35页29杀菌岗位操作规程┉┉┉┉┉┉┉┉┉┉┉┉┉……┉┉45页30灌装岗位操作规程┉┉┉┉┉┉┉┉┉┉┉┉┉┉……┉54页31司炉工工作规程┉┉┉┉┉┉┉┉┉┉┉┉┉┉…….┉73页32锅炉水化工作规程┉┉┉┉┉┉┉┉┉┉┉………┉┉┉87页33设备使用、维护保养规程┉┉┉┉┉┉┉┉……┉┉┉┉92页34设备维修保养作业规程┉┉┉┉┉┉┉┉┉………┉┉┉97页35液位仪自校规程┉┉┉┉┉┉┉┉┉┉┉┉┉┉┉┉┉100页36浓度仪自校规程┉┉┉┉┉┉┉┉┉┉┉┉┉┉┉┉┉101页37灌装机称重装置自校规程┉┉┉┉┉┉┉┉┉┉┉┉┉102页38压力表自校规程┉┉┉┉┉┉┉┉┉┉┉┉┉┉┉┉┉103页39双金属温度计自校规程┉┉┉┉┉┉┉┉┉┉┉┉┉┉104页40PT100热电阻自校规程┉┉┉┉┉┉┉┉┉┉┉┉┉┉105页41关键工序控制规程┉┉┉┉┉┉┉┉┉┉┉┉┉┉┉┉106页42污水处理设备操作规程┉┉┉┉┉┉┉……┉┉┉┉┉107页43生产车间质量目标┉┉┉┉┉┉┉┉┉┉┉┉┉┉┉┉109页44生产车间质量记录一览表…………………………….……110页值班长岗位职责1.工作概述:值班长主要负责组织安全生产、设备的检修和维护及本班日常管理工作,在经理的领导下完成公司下达的各项生产指标。2.职责2.1在经理的领导下完成公司下达的产量、质量计划。2.2负责车间设备的管理,检查设备运行记录,并签字。2.3负责组织开机前的单机试车工作。2.4负责非生产期设备检修工作。2.5负责本班生产成本的管理与控制。2.6负责车间安全生产、消防、卫生工作。2.7负责检查监督操作工是否按操作规程进行正常操作及是否正确、及时、规范的填写运行记录。2.8负责检查交接班工作,对料池、车间内卫生、车间环镜卫生进行监督检查。2.9按规定做好交接班的工作,及时准确报出当班期间所用的水、电、汽、原辅材料的数量、数据及当班产量及质量的报表。2.10做好其它与生产相关的工作。2.11负责对临时工作的管理与...

1、当您付费下载文档后,您只拥有了使用权限,并不意味着购买了版权,文档只能用于自身使用,不得用于其他商业用途(如 [转卖]进行直接盈利或[编辑后售卖]进行间接盈利)。
2、本站所有内容均由合作方或网友上传,本站不对文档的完整性、权威性及其观点立场正确性做任何保证或承诺!文档内容仅供研究参考,付费前请自行鉴别。
3、如文档内容存在违规,或者侵犯商业秘密、侵犯著作权等,请点击“违规举报”。

碎片内容

江海车间三级文件

黄金书屋+ 关注
实名认证
内容提供者

爱好英语教学和互联网行业,热爱教育事业,兢兢业业

确认删除?
VIP
微信客服
  • 扫码咨询
会员Q群
  • 会员专属群点击这里加入QQ群
客服邮箱
回到顶部