电脑桌面
添加小米粒文库到电脑桌面
安装后可以在桌面快捷访问

模修组长岗位职责说明VIP免费

模修组长岗位职责说明_第1页
1/4
模修组长岗位职责说明_第2页
2/4
模修组长岗位职责说明_第3页
3/4
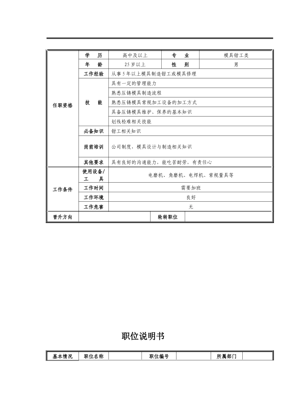
职位说明书基本情况职位名称模修组长职位编号所属部门压铸车间直接上级职位编制职系模修直接下级所辖人数编制人彭晓明审核人职位概要负责压铸车间所有改制模具的具体实施;保证压铸车间所有模具的维护保养和现场生产模具的正常、完好,主持模修组的全面工作工作职责与工作任务:1、负责压铸车间所有模具按模具的维护、保养计划的实施2、负责对所有模具修理人员技能的培训3、负责对模具的维护、保养、维修质量的监督检查,以确保模具能满足生产的正常进行4、负责对压铸车间所有改制模具,新品试制模具按技术要求正确实施5、负责对重点、难点模具提出改进意见,得到批准后予以实施6、主持模修组的全面工作7、完成上级领导临时安排的其他工作工作职权对模修组所有员工的监督、考核权对压铸操作者严格按模具的维护,保养及正确使用监督、考核权工作协作关系:内部关系汇报不定期向直接上级汇报工作方面的情况督导不定期督查模修人员的工作质量情况协调与车间工艺、技术、压铸组衔接、协调外部关系与外协模具维修厂家进行沟通、协调任职资格学历高中及以上专业模具钳工类年龄25岁以上性别男工作经验从事5年以上模具制造钳工或模具修理技能具有一定的管理能力熟悉压铸模具制造流程熟悉压铸模具常规加工设备的加工方式具备压铸模具维护、保养的基本知识划线检难相关技能必备知识钳工相关知识岗前培训公司制度,模具设计与制造相关知识其他要求具有良好的沟通能力,能吃苦耐劳,有责任心工作条件使用设备/工具电磨机、角磨机、电焊机、常规量具等工作时间需要加班工作环境良好工作危害无晋升方向轮转职位职位说明书基本情况职位名称职位编号所属部门直接上级职位编制职系直接下级所辖人数编制人审核人职位概要为稳定、提高产品质量提供模具保证工作职责与工作任务:工作职权工作协作关系:内部关系汇报督导协调外部关系任职资格学历专业年龄性别工作经验技能必备知识岗前培训其他要求工作条件使用设备/工具工作时间工作环境工作危害晋升方向轮转职位

1、当您付费下载文档后,您只拥有了使用权限,并不意味着购买了版权,文档只能用于自身使用,不得用于其他商业用途(如 [转卖]进行直接盈利或[编辑后售卖]进行间接盈利)。
2、本站所有内容均由合作方或网友上传,本站不对文档的完整性、权威性及其观点立场正确性做任何保证或承诺!文档内容仅供研究参考,付费前请自行鉴别。
3、如文档内容存在违规,或者侵犯商业秘密、侵犯著作权等,请点击“违规举报”。

碎片内容

模修组长岗位职责说明

您可能关注的文档

确认删除?
VIP
微信客服
  • 扫码咨询
会员Q群
  • 会员专属群点击这里加入QQ群
客服邮箱
回到顶部