电脑桌面
添加小米粒文库到电脑桌面
安装后可以在桌面快捷访问

5S推行手册NVIP免费

5S推行手册N_第1页
1/11
5S推行手册N_第2页
2/11
5S推行手册N_第3页
3/11
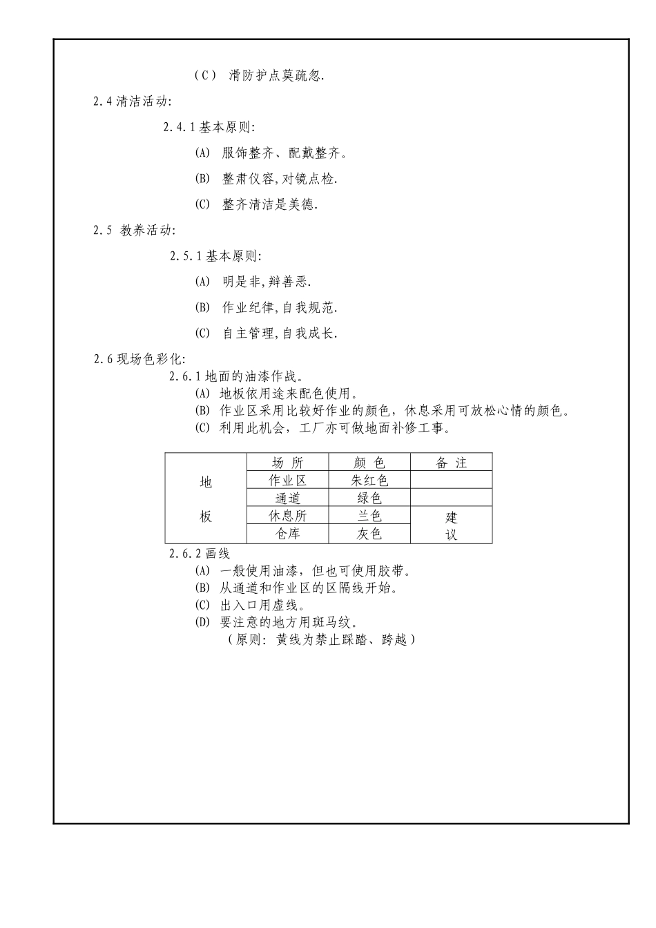
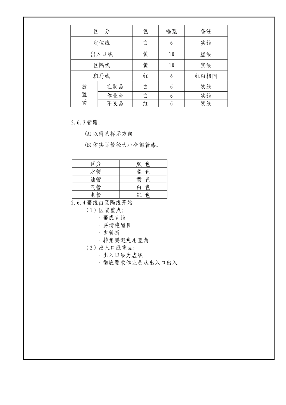
1、5S活动推行:1.1各部门全体人员依5S活动基本原则,周一至周四下班前10分钟;周五下班前30分钟实施。1.25S稽核小组依『5S竞赛办法』及『5S查检表』展开稽核.若无法如期推行者可取消或择期推行.1.3稽核小组负责将稽核内容汇于『5S问题追踪改善计划汇总表』,责任单位将改善内容依『5S改善成果比较表』进行检讨与改善,结案后交事务人员整理存档.2、5S活动基本原则:2.1整理活动:2.1.1基本原则:(A)『必要』与『不必要』的物品应予以明确区分·『必要』物品(有用的东西).·『不必要』物品(没有用的东西).(B)·『必要』的物品调查其使用频率.·决定必要数量.(C)『不必要』的物品迅速处理.·拆除·移转·抛售·废弃2.2整顿活动:2.2.1基本原则:(A)分门别类(层别).(B)物就各位(定位)(C)目视管理(标示)2.2.2活动要领:整顿活动系将『必要的』物品。(A)放置场所及放置方法予以决定。(B)物品名、放置场所、放置方式及数量给予明示。(C)放置场所给予划线分别。2.3清扫活动:2.3.1基本原则:(A)常拿扫把与抹布消除杂乱。(B)划出通道来,保持畅通。(C)滑防护点莫疏忽.2.4清洁活动:2.4.1基本原则:(A)服饰整齐、配戴整齐。(B)整肃仪容,对镜点检.(C)整齐清洁是美德.2.5教养活动:2.5.1基本原则:(A)明是非,辩善恶.(B)作业纪律,自我规范.(C)自主管理,自我成长.2.6现场色彩化:2.6.1地面的油漆作战。(A)地板依用途来配色使用。(B)作业区采用比较好作业的颜色,休息采用可放松心情的颜色。(C)利用此机会,工厂亦可做地面补修工事。地板场所颜色备注作业区朱红色通道绿色休息所兰色建议仓库灰色2.6.2画线(A)一般使用油漆,但也可使用胶带。(B)从通道和作业区的区隔线开始。(C)出入口用虚线。(D)要注意的地方用斑马纹。(原则:黄线为禁止踩踏、跨越)区分色幅宽备注定位线白6实线出入口线黄10虚线区隔线黄10实线斑马线红6红白相间放置场在制品白6实线作业台白6实线不良品红6实线2.6.3管路:(A)以箭头标示方向(B)依实际管径大小全部着漆。区分颜色水管蓝色油管黄色气管白色电管红色2.6.4画线由区隔线开始(1)区隔重点:·画成直线·要清楚醒目·少转折·转角要避免用直角(2)出入口线重点:·出入口线为虚线·彻底要求作业员从出入口出入(3)通行线重点:·用白色或黄色的箭头。·要有一定间隔或画在转角附近。(4)斑马线重点:·过滤出危险地点。·通道上有凸出物。.小心头部。·通道上有横切物。.小心触电。·小心机械移动。.小心台阶。·斑马纹能清楚看得见。·通用斑马纹纸来贴。·突出在通道上的东西要完全改善。2.6.5工作帽:部门区分颜色直接单位蓝色间接单位蓝色品保红色来宾蓝色阶级区分识别备注理级以上干部左边绣白色条(1)长度:35L*10W(2)短:35L*10W组级以上干部左边绣黄色条2.6.5料架、容器:区分颜色容器半成品黄色铁箱、塑胶篮成品蓝色塑胶篮、蝴蝶笼不良品红色铁架、蝴蝶笼3、5S活动推行方法:原则对象必要与不必要予以划分必要之数量予以决定不必要品予以处理一、设备1.现在的生产设备是否在使用?2.完全休闲的设备是否不必要?3.休闲的设备经修后是否可使用?(1)修改可能使用兼顾修改费用予以判断。(2)修改后不可能使用不必要废弃或抛弃.1.现有数(台)量之设备是否必要予以检讨.※补充事项※(1)提高运转率以谋削减设备台数.(2)定额制品及新产品予以估价并计算所需要之台数.(3)因设计之改善是否可集中有效运用?一判断投资效益A有效益一予以实施B无效益一按现状.1.调整偿还(折旧)年数.2.以书面申请确认.3.于设备帐面上资产目录予以注销.4.折价出售或予以报废丢弃处分.※是否予以处分不能判断时,则暂放置另外场所,视情况再予以处理.二、制品定量产品及其它(不必要物品)等予以明确划分?定量产品:1.检讨生管制度并应适当设定库存量.2.且依库存削减活动将库存设定量予以削减.1.提议申请经承认后予以废弃处分.2.再修改加工后可资利用品经请示核定后予以活用.三、在制品定量产品及其它(不必要物品)等予以明确划分1.定量产品:按照制品为准2.线上在制品:按生产计划内数为准按照制品为准四、部品零件定量产品及其它(不必要物品)等予以明确划分.1.定量产品:按照制品办理.2.生产线...

1、当您付费下载文档后,您只拥有了使用权限,并不意味着购买了版权,文档只能用于自身使用,不得用于其他商业用途(如 [转卖]进行直接盈利或[编辑后售卖]进行间接盈利)。
2、本站所有内容均由合作方或网友上传,本站不对文档的完整性、权威性及其观点立场正确性做任何保证或承诺!文档内容仅供研究参考,付费前请自行鉴别。
3、如文档内容存在违规,或者侵犯商业秘密、侵犯著作权等,请点击“违规举报”。

碎片内容

确认删除?
VIP
微信客服
  • 扫码咨询
会员Q群
  • 会员专属群点击这里加入QQ群
客服邮箱
回到顶部