电脑桌面
添加小米粒文库到电脑桌面
安装后可以在桌面快捷访问

上海外滩观光隧道盾构施工技术VIP免费

上海外滩观光隧道盾构施工技术_第1页
1/6
上海外滩观光隧道盾构施工技术_第2页
2/6
上海外滩观光隧道盾构施工技术_第3页
3/6
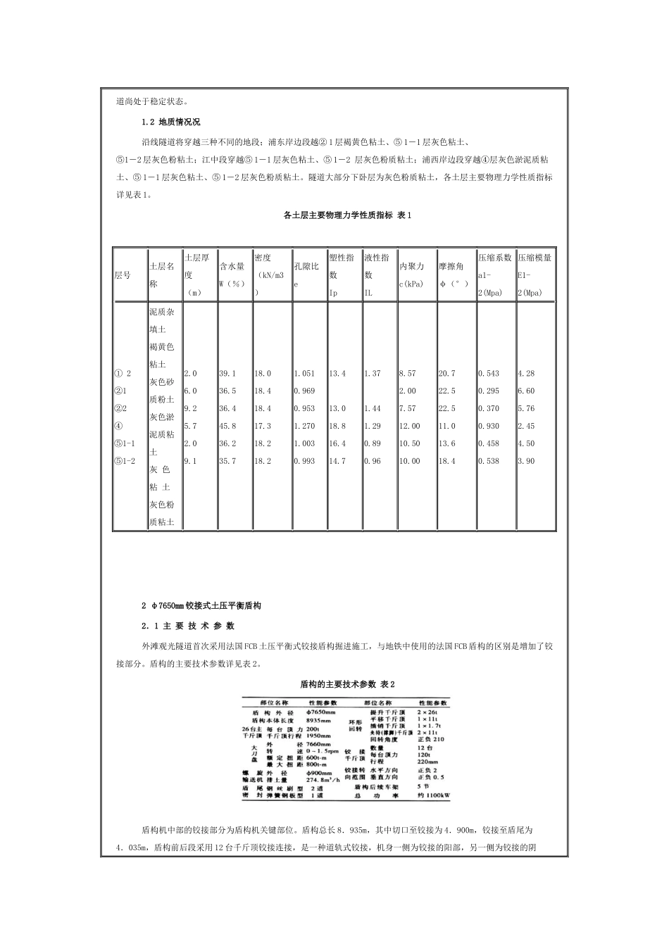
上海外滩观光隧道盾构施工技术周文波吴惠明上海市隧道工程股份有限公司提要:上海外滩观光隧道是第一条较长距离的水底观光游览隧道,采用国内直径最大的φ7.76m铰接式土压平衡盾构掘进机施工,穿越黄浦江时与两条上海地铁2号线隧道相交,施工工况极其复杂和严峻。本文重点介绍隧道股份运用首创“盾构施工专家系统”,实施了盾构穿越叠交点施工的技术创新和实时监控,填补了我国在大直径铰接式土压盾构叠交施工领域的空白。关键词:铰接式盾构隧道施工专家系统叠交技术实时监控1概述1.1工程概况上海外难观光隧道工程东起陆家嘴地区东方明珠电视塔西侧的浦东出入口竖井,西至南京路外滩(陈毅塑像北侧)绿化带内的浦东出入竖井,全长646.70mm(详见图1)。隧道外径φ7.76m,内径φ6.76m,每环由6块钢筋混凝土管片组成,管片环宽为1.2m,每环管片中设标准块4块、拱底管片1块及封顶块1块,管片拼装形式采用纵向半插入式,管处接缝防水采用EPDM多孔型橡胶止水带和水膨性弹性密封垫。隧道轴线为空间复合曲线:平面为U型曲线,隧道起始为186.872m的直线,经46.478m的缓和线后,进入24.00m,R=400m的平曲线,然后经113.727m的缓和曲线回到59.623m的直线;纵剖面是U型竖曲线,上下坡度均为48%,坡段长度分别为113.350m及233.350m,黄浦江中设长240m、半径R=2500m的竖曲线连接。盾构掘进施工先后穿越浦东防讯墙、亲水平台、黄浦江江底、地铁2号线上下线隧道上部、浦西防汛墙及地下管线等。其中江底浅覆土仅为5.67m,在浦西防汛墙19m×39m箱体内与地铁2号线上下行线区间隧道成51021,斜交,并从其上部穿越,与上、下行线图2外滩观光隧道穿越地铁2号线示意分别为1.57m及2.18m(详见图2),形成了盾构施工史上少有的“三龙过江”工况。盾构穿越地铁2号线的上、下行线,其施工难度极高:a.采用φ7650mm铰接式土压平衡盾构施工,国内尚无铰接式盾构施工先例;b.隧道轴线为空间曲线,其坡度达到4.8%(地铁隧道最大坡度为3.2%)。同时,轴线要求控制在±50mm以内;c.外滩观光隧道与地铁2号线上行线隧道的最小间仅为1.57m,且滞后地铁2号线隧道施工仅3个月左右,隧道尚处于稳定状态。1.2地质情况况沿线隧道将穿越三种不同的地段;浦东岸边段越②1层褐黄色粘土、⑤1-1层灰色粘土、⑤1-2层灰色粉粘土;江中段穿越⑤1-1层灰色粘土、⑤1-2层灰色粉质粘土;浦西岸边段穿越④层灰色淤泥质粘土、⑤1-1层灰色粘土、⑤1-2层灰色粉质粘土。隧道大部分下卧层为灰色粉质粘土,各土层主要物理力学性质指标详见表1。各土层主要物理力学性质指标表1层号土层名称土层厚度(m)含水量W(%)密度(kN/m3)孔隙比e塑性指数Ip液性指数IL内聚力c(kPa)摩擦角φ(°)压缩系数a1-2(Mpa)压缩模量E1-2(Mpa)①2②1②2④⑤1-1⑤1-2泥质杂填土褐黄色粘土灰色砂质粉土灰色淤泥质粘土灰色粘土灰色粉质粘土2.06.09.25.72.09.139.136.536.445.836.235.718.018.418.417.318.218.21.0510.9690.9531.2701.0030.99313.413.018.816.414.71.371.441.290.890.968.572.007.5712.0010.5010.0020.722.522.511.013.618.40.5430.2950.3700.9300.4580.5384.286.605.762.454.503.902φ7650mm铰接式土压平衡盾构2.1主要技术参数外滩观光隧道首次采用法国FCB土压平衡式铰接盾构掘进施工,与地铁中使用的法国FCB盾构的区别是增加了铰接部分。盾构的主要技术参数详见表2。盾构的主要技术参数表2盾构机中部的铰接部分为盾构机关键部位。盾构总长8.935m,其中切口至铰接为4.900m,铰接至盾尾为4.035m,盾构前后段采用12台千斤顶铰接连接,是一种道轨式铰接,机身一侧为铰接的阳部,另一侧为铰接的阴部,上下最大伸出距离为66.7mm,左右最大伸出距离为267mm。铰接机构所允许的最大角向移动为:水平方向±2.0°,垂直方向±10.5°。2.2盾构铰接部分对轴线控制和管片拼装的作用铰接盾构是目前国际上先进的盾构机械设备,它能方便地控制盾构掘进轴线。通常盾构由于受到盾构总体长度、切口支承环、盾尾、千斤顶伸出长度及管片形式的影响,使盾构的直径、长度比例受到限制,这对中小型盾构的影响特别明显,因为盾构的长度和直径比越大,灵敏度越...

1、当您付费下载文档后,您只拥有了使用权限,并不意味着购买了版权,文档只能用于自身使用,不得用于其他商业用途(如 [转卖]进行直接盈利或[编辑后售卖]进行间接盈利)。
2、本站所有内容均由合作方或网友上传,本站不对文档的完整性、权威性及其观点立场正确性做任何保证或承诺!文档内容仅供研究参考,付费前请自行鉴别。
3、如文档内容存在违规,或者侵犯商业秘密、侵犯著作权等,请点击“违规举报”。

碎片内容

上海外滩观光隧道盾构施工技术

您可能关注的文档

确认删除?
VIP
微信客服
  • 扫码咨询
会员Q群
  • 会员专属群点击这里加入QQ群
客服邮箱
回到顶部