电脑桌面
添加小米粒文库到电脑桌面
安装后可以在桌面快捷访问

班组(周)安全活动记录(63页)VIP免费

班组(周)安全活动记录(63页)_第1页
1/64
班组(周)安全活动记录(63页)_第2页
2/64
班组(周)安全活动记录(63页)_第3页
3/64
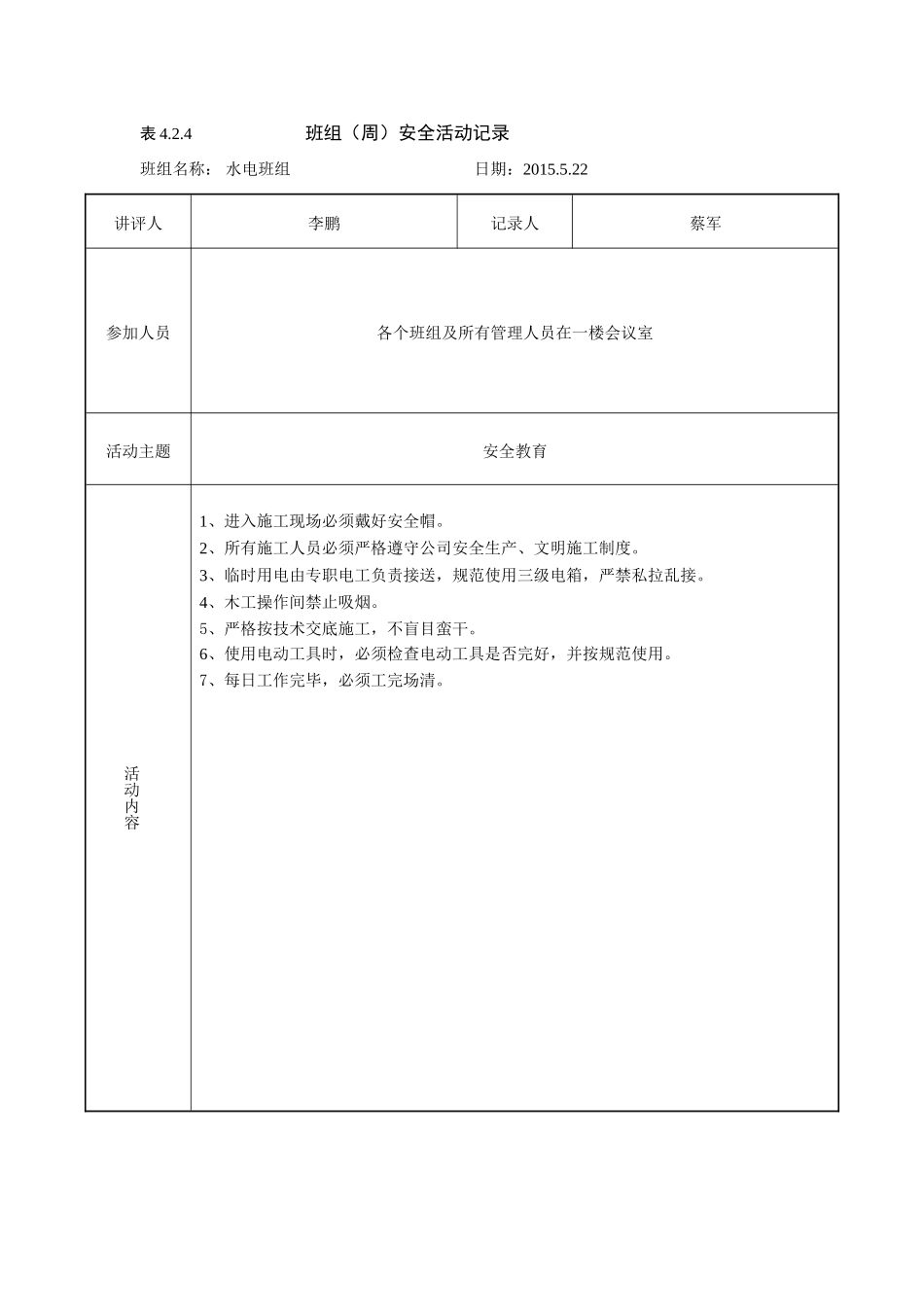
表4.2.4班组(周)安全活动记录班组名称:木工班组日期:2015.5.10讲评人周建光记录人蔡军参加人员各个班组及所有管理人员在一楼会议室活动主题安全教育活动内容1、作业人员进入施工现场必须戴好安全帽,扣好帽扣,遵守项目部各项规章制度。2、作业人员严禁酒后作业,严禁吸烟,禁止私自动用明火,做到安全生产,文明施工。3、拆除时,楼板上严禁人员聚集或堆放材料。4、规范使用各类电动工具。5、作业人员所使用的机具,严禁超负荷使用或带故障运转。表4.2.4班组(周)安全活动记录班组名称:木工班组日期:2015.5.17讲评人李鹏记录人蔡军参加人员各个班组及所有管理人员在一楼会议室活动主题安全教育活动内容1、所有施工人员必须严格遵守公司安全生产、文明施工制度。2、拆除工程的施工,必须在工程负责人的统一指挥和监督下进行。3、操作过程中精力要集中,不得东张西望和开玩笑。4、严格遵守拆除顺序,由上而下,一步一清,不准上下层同时作业。5、拆除下来的各种材料及时清理,分别堆放在一定位置。表4.2.4班组(周)安全活动记录班组名称:水电班组日期:2015.5.22讲评人李鹏记录人蔡军参加人员各个班组及所有管理人员在一楼会议室活动主题安全教育活动内容1、进入施工现场必须戴好安全帽。2、所有施工人员必须严格遵守公司安全生产、文明施工制度。3、临时用电由专职电工负责接送,规范使用三级电箱,严禁私拉乱接。4、木工操作间禁止吸烟。5、严格按技术交底施工,不盲目蛮干。6、使用电动工具时,必须检查电动工具是否完好,并按规范使用。7、每日工作完毕,必须工完场清。表4.2.4班组(周)安全活动记录班组名称:木工班组日期:2015.5.29讲评人蒋宏伟记录人蔡军参加人员各个班组及所有管理人员在一楼会议室活动主题安全教育活动内容1、严格遵守项目部规章制度,按图施工。2、拆除时,楼板上严禁人员聚集或堆放材料。3、做好防护措施,以免钉子、玻璃碎片扎脚。4、作业人员所使用的机具,严禁超负荷使用或带故障运转。5、拆除过程中最好不要中途换人,如必须换人时,应将拆除情况交代清楚。表4.2.4班组(周)安全活动记录班组名称:木工班组日期:2015.6.7讲评人李鹏记录人蔡军参加人员各个班组及所有管理人员在一楼会议室活动主题安全教育活动内容1、作业前,检查使用的电动工具是否存在隐患,经检查合格后使用。2、使用的工具不得乱放,地面作业时应随时放入工具箱,高处作业应放入工具袋内。3、施工现场应保持整洁严禁乱堆乱放材料。4、禁止私自拆除或移动防护设施,电器设备;禁止操作与自己无关的机械设备。5、电锯、电刨等要做到一机一闸一漏一箱,严禁使用一机多用机具。6、木工用具操作前应进行检查,锯片不得有裂口、刀片有裂缝的不准使用。螺丝应上紧。换刀、锯片或在检修机械设备时必须拉闸断电和拔除插头。表4.2.4班组(周)安全活动记录班组名称:瓦工班组日期:2015.6.14讲评人蒋宏伟记录人蔡军参加人员各个班组及所有管理人员在一楼会议室活动主题安全教育活动内容1、进入施工现场必须戴好安全帽,扣好帽带,做好各项防护措施。2、使用电动机具,如电锤、电钻等,,必须有可靠的接地。3、施工现场应保持整洁严禁乱堆乱放材料。4、禁止私自拆除或移动防护设施,电器设备;禁止操作与自己无关的机械设备。5、剔槽打眼时,锤头不得松动。6、作业时,要严格执行电工安全技术操作规程,禁止违章作业。7、所以绝缘、检验工具应妥善保管,定期检查。8、施工中要随时清理垃圾,防止绊倒伤人。表4.2.4班组(周)安全活动记录班组名称:木工班组日期:2015.6.22讲评人周建光记录人蔡军参加人员各个班组及所有管理人员在一楼会议室活动主题安全教育活动内容1、进入施工现场必须戴好安全帽,做好各项防护措施。2、现场严禁吸烟,动用明火。3、拆除时,楼板上严禁人员聚集或堆放废料。4、作业人员所使用的机具,严禁超负荷使用或带故障运转。5、拆除施工应从上至下、逐层拆除,不得垂直交叉作业。6、做好对拆除以外的成品保护。7、规范使用各类电动工具。8、禁止私自拆除移动防护设备,电器设备;禁止操作与自己无关的机械设备。表4.2.4班组(周)安全活动记录班组名称:...

1、当您付费下载文档后,您只拥有了使用权限,并不意味着购买了版权,文档只能用于自身使用,不得用于其他商业用途(如 [转卖]进行直接盈利或[编辑后售卖]进行间接盈利)。
2、本站所有内容均由合作方或网友上传,本站不对文档的完整性、权威性及其观点立场正确性做任何保证或承诺!文档内容仅供研究参考,付费前请自行鉴别。
3、如文档内容存在违规,或者侵犯商业秘密、侵犯著作权等,请点击“违规举报”。

碎片内容

班组(周)安全活动记录(63页)

您可能关注的文档

确认删除?
VIP
微信客服
  • 扫码咨询
会员Q群
  • 会员专属群点击这里加入QQ群
客服邮箱
回到顶部