电脑桌面
添加小米粒文库到电脑桌面
安装后可以在桌面快捷访问

江苏省小学信息技术装备标准-镇江市穆源民族学校首页VIP免费

江苏省小学信息技术装备标准-镇江市穆源民族学校首页_第1页
1/8
江苏省小学信息技术装备标准-镇江市穆源民族学校首页_第2页
2/8
江苏省小学信息技术装备标准-镇江市穆源民族学校首页_第3页
3/8
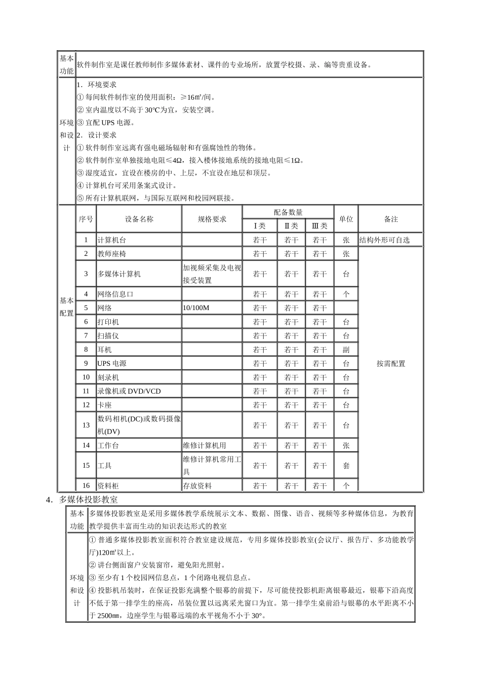
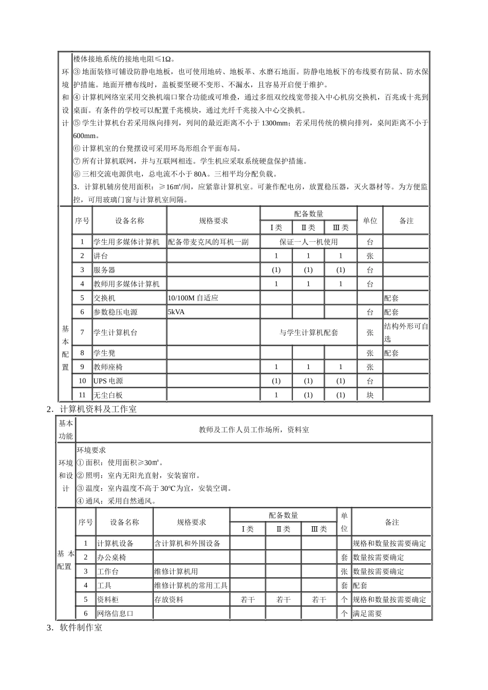
江苏省小学信息技术装备标准一、建设与配备(一)信息技术教育设施设置名称4轨以下6轨8轨Ⅰ类Ⅱ类Ⅲ类Ⅰ类Ⅱ类Ⅲ类Ⅰ类Ⅱ类Ⅲ类数量数量数量数量数量数量数量数量数量一、多媒体网络计算机室211211211二、计算机资料及工作室1(1)(1)11(1)111三、软件制作室1(1)(1)21(1)21(1)四、多媒体投影教室占班级总数(比例)1/11/4≥1个1/11/6≥1个1/11/8≥2个五、校园网络管理中心11(1)11(1)11(1)六、校园闭路电视系统(1)(1)(1)(1)(1)(1)(1)(1)(1)七、校园广播系统111111111八、学校安全监控系统11(1)11(1)11(1)要求:1.学校功能室的数量各校可根据情况适当增加。2.每间功能室使用面积(㎡)以《中小学校建筑设计规范》为依据。3.有条件的学校可配置计算机多媒体教学平台。4.“计算机资料及工作室”与“软件制作室”可合并设置。5.一类学校:在校学生数与网络环境下学生使用计算机数之比达10:1,二类学校:在校学生数与网络环境下学生使用计算机数之比达14:1,三类学校:在校学生数与网络环境下学生使用计算机数之比达16:1。一类学校每个教师配备一台计算机,二、三学校每个教研组配备一台计算机。6.每间功能室均应达到国家规定的消防要求。(二)建设要求1.多媒体网络计算机室基本功能计算机网络教室可作为信息技术教育、各学科计算机辅助教学以及学科整合教学、综合实践活动的场所,也可用作学生电子阅览室。计算机网络教室包括网络计算机教室、计算机辅房、资料室。1.环境要求①使用面积:90--110㎡/间。②使用时室内温度不高于30℃,安装空调。③计算机室宜设在楼房的中、上层,不宜设在地层和顶层。2.设计要求①计算机室应具有良好的防雷设施,宜专线供电,地板防静电,并远离有强电磁场辐射和有强腐蚀性的物体。②网络布线、电源布线必须符合国际、国内相关的建设和验收标准规范。计算机室单独接地电阻≤4Ω,接入环境和设计楼体接地系统的接地电阻≤1Ω。③地面装修可铺设防静电地板,也可使用地砖、地板革、水磨石地面。防静电地板下的布线要有防鼠、防水保护措施。地面开槽布线时,盖板要坚硬不变形、不漏水,且容易开启便于维护。④计算机网络室采用交换机端口聚合功能或可堆叠,通过多组双绞线宽带接入中心机房交换机,百兆或十兆到桌面。有条件的学校可以配置千兆模块,通过光纤千兆接入中心交换机。⑤学生计算机台若采用纵向排列,列间的最近距离不小于1300mm;若采用传统的横向排列,桌间距离不小于600mm。⑥计算机室的台凳摆设可采用环岛形组合平面布局。⑦所有计算机联网,并与互联网相连。学生机应采取系统硬盘保护措施。⑧三相交流电源供电,总电流不小于80A。三相平均分配负载。3.计算机辅房使用面积:≥16㎡/间,应紧靠计算机室。可兼作配电房,放置稳压器,灭火器材等。为方便监控,可用玻璃门窗与计算机室间隔。基本配置序号设备名称规格要求配备数量单位备注Ⅰ类Ⅱ类Ⅲ类1学生用多媒体计算机配备带麦克风的耳机一副保证一人一机使用台2讲台111张3服务器(1)(1)(1)台4教师用多媒体计算机111台5交换机10/100M自适应配套6参数稳压电源5kVA台配套7学生计算机台与学生计算机配套张结构外形可自选8学生凳张配套9教师座椅111张10UPS电源(1)(1)(1)台11无尘白板1(1)(1)块2.计算机资料及工作室基本功能教师及工作人员工作场所,资料室环境和设计环境要求①面积:使用面积≥30㎡。②照明:室内无阳光直射,安装窗帘。③温度:室内温度不高于30℃为宜,安装空调。④通风:采用自然通风。基本配置序号设备名称规格要求配备数量单位备注Ⅰ类Ⅱ类Ⅲ类1计算机设备含计算机和外围设备规格和数量按需要确定2办公桌椅套数量按需要确定3工作台维修计算机用张数量按需要确定4工具维修计算机的常用工具套配套5资料柜存放资料若干若干若干个规格和数量按需要确定6网络信息口个满足需要3.软件制作室基本功能软件制作室是课任教师制作多媒体素材、课件的专业场所,放置学校摄、录、编等贵重设备。环境和设计1.环境要求①每间软件制作室的使用面积:≥16㎡/间。②室内温度以不高于30℃为宜,安装空调。③宜配UPS电源。2.设计要求①软件制作室远离有强电磁场辐射和有强腐蚀性的物体。②软...

1、当您付费下载文档后,您只拥有了使用权限,并不意味着购买了版权,文档只能用于自身使用,不得用于其他商业用途(如 [转卖]进行直接盈利或[编辑后售卖]进行间接盈利)。
2、本站所有内容均由合作方或网友上传,本站不对文档的完整性、权威性及其观点立场正确性做任何保证或承诺!文档内容仅供研究参考,付费前请自行鉴别。
3、如文档内容存在违规,或者侵犯商业秘密、侵犯著作权等,请点击“违规举报”。

碎片内容

江苏省小学信息技术装备标准-镇江市穆源民族学校首页

确认删除?
VIP
微信客服
  • 扫码咨询
会员Q群
  • 会员专属群点击这里加入QQ群
客服邮箱
回到顶部